GM Service Manual Online
For 1990-2009 cars only
Makes
🢒
Cadillac
🢒
2007
🢒
SRX
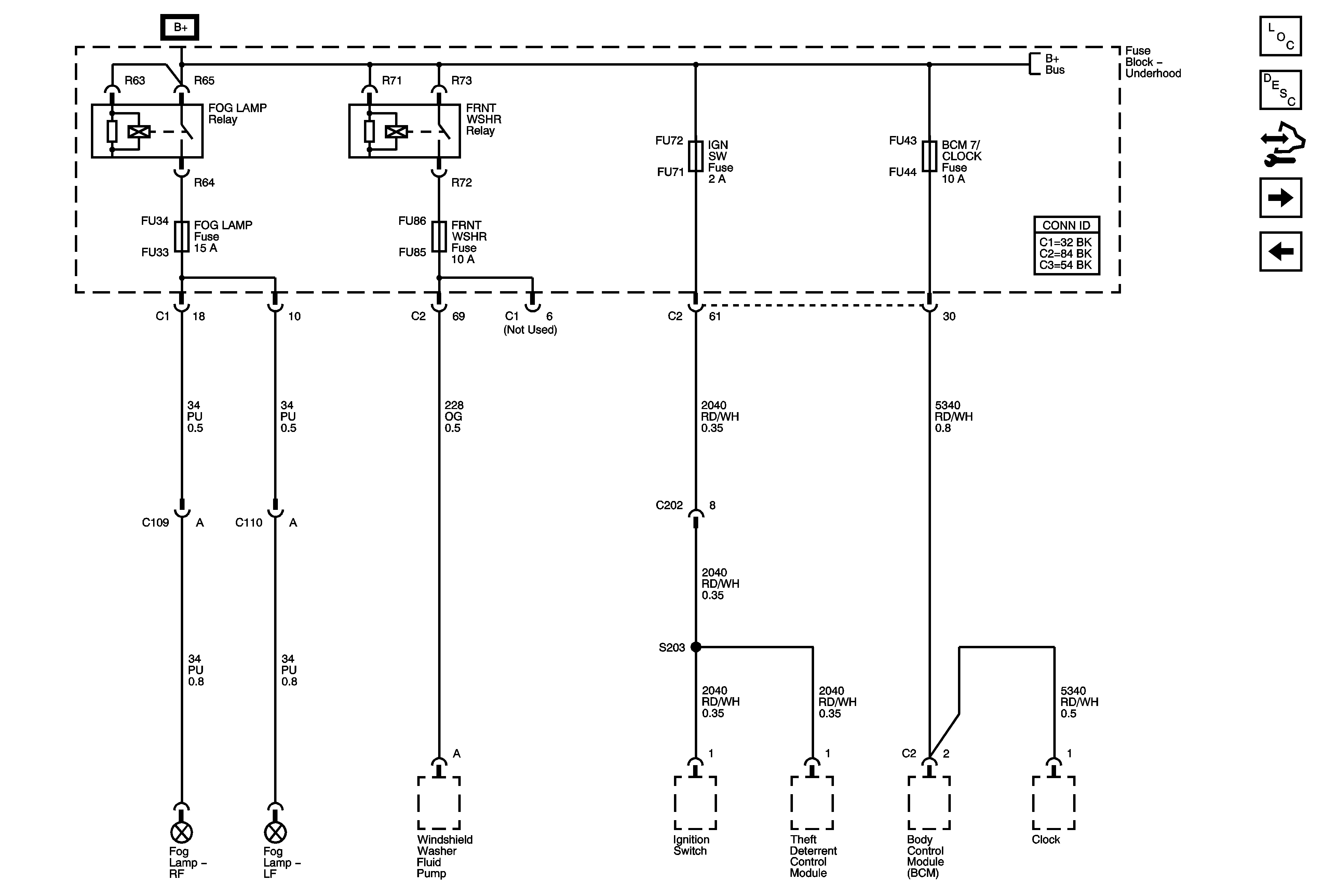
🢒 BCM 7/CLOCK Fuse, FOG LAMP Fuse, FRNT WSHR Fuse, and IGN SW Fuse
BCM 7/CLOCK Fuse, FOG LAMP Fuse, FRNT WSHR Fuse, and IGN SW Fuse
BCM 7/CLOCK, FOG LAMP Fuse, FRNT WSHR Fuse, and IGN SW Fuse
Master Electrical Component List
Control Module References
BCM 1 Fuse, BCM 2 Fuse, BCM 4 Fuse, BCM 5 Fuse, BCM 6 Fuse, RADIO Fuse, and SPARE (V92 w/o T79) Fuse
IGN SW Fuse and Ignition Switch
Underhood Fuse Block B+ Bus - 2 of 2