GM Service Manual Online
For 1990-2009 cars only
Makes
🢒
Cadillac
🢒
2007
🢒
SRX
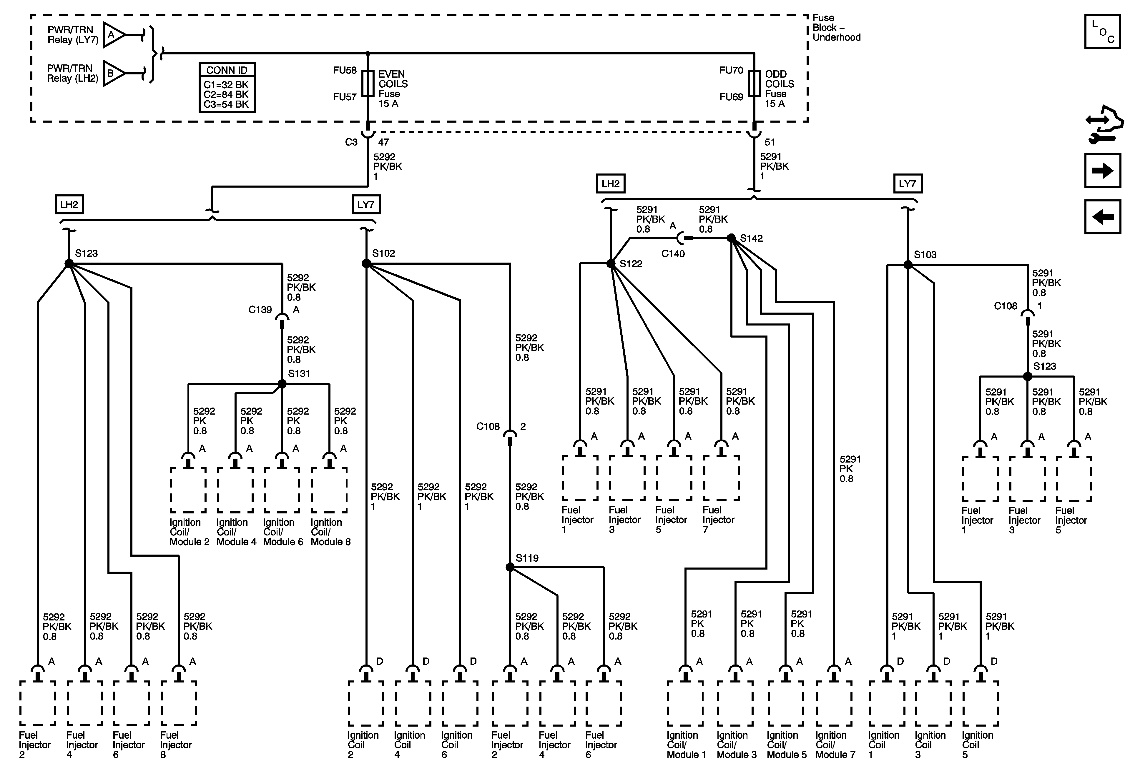
🢒 EVEN COIL Fuse and ODD COIL Fuse
EVEN COIL Fuse and ODD COIL Fuse
EVEN COILS Fuse and ODD COILS Fuse
Master Electrical Component List
Control Module References
AUX OUTLET Fuse, BLWR Relay, CIG Fuse, DISPLAY Fuse, ECM BATT Fuse, and TCM BATT Fuse
ECM 1 Fuse, EMISSION 1 Fuse, EMISSION 2 Fuse, and PWR/TRN Relay (LH2)
ECM 1 Fuse, EMISSION 1 Fuse, EMISSION 2 Fuse, and PWR/TRN Relay (LY7)
ECM 1 Fuse, EMISSION 1 Fuse, EMISSION 2 Fuse, and PWR/TRN Relay (LH2)