GM Service Manual Online
For 1990-2009 cars only
Makes
🢒
Cadillac
🢒
2007
🢒
SRX
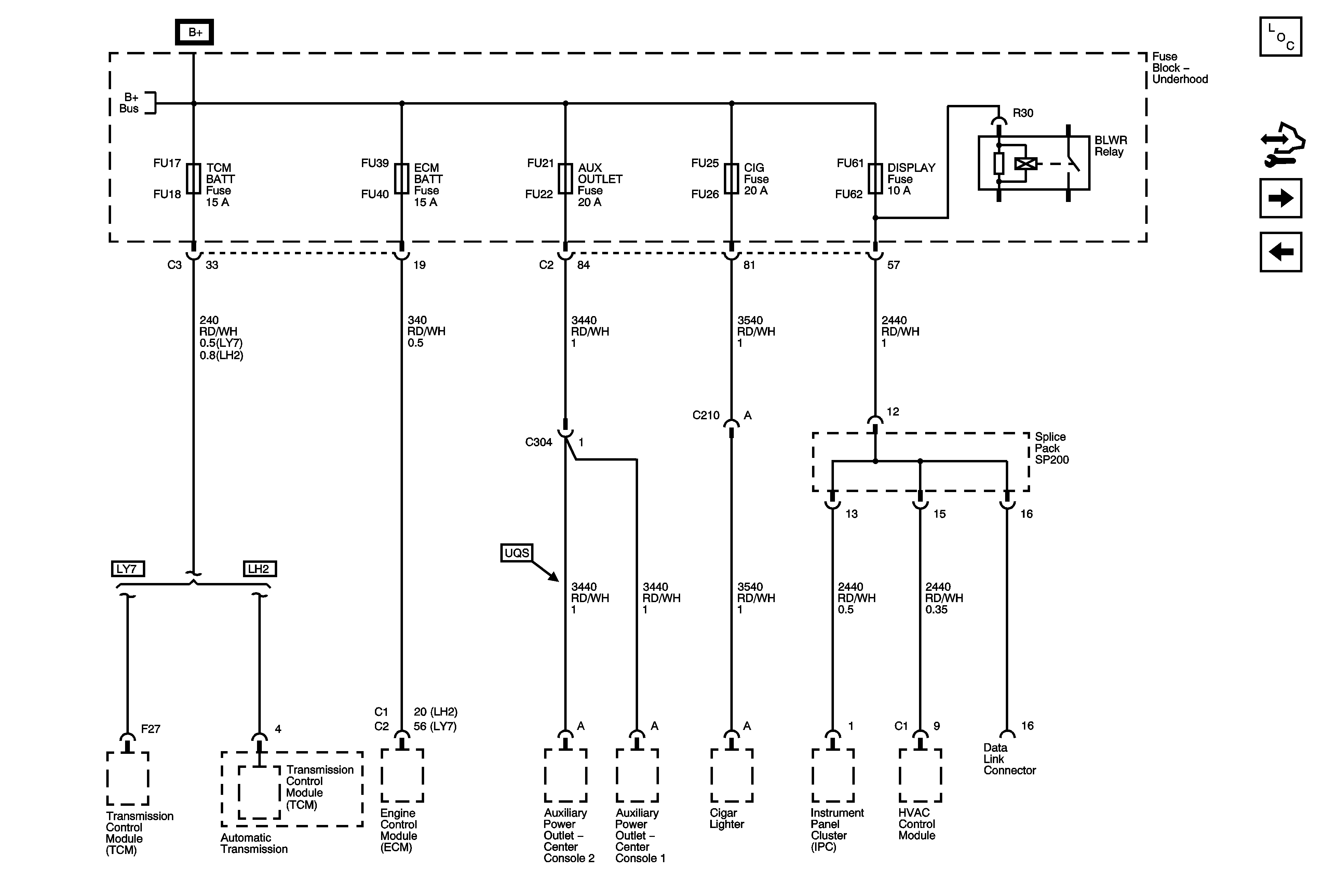
🢒 AUX OUTLET Fuse, BLWR Relay, CIG Fuse, DISPLAY Fuse, ECM BATT Fuse, and TCM BATT Fuse
AUX OUTLET Fuse, BLWR Relay, CIG Fuse, DISPLAY Fuse, ECM BATT Fuse, and TCM BATT Fuse
AUX OUTLET Fuse, BLWR Relay, CIG Fuse, DISPLAY Fuse, ECM BATT Fuse, and TCM BATT Fuse
Master Electrical Component List
Control Module References
3RD ROW SW/RFA Fuse, AMP Fuse, ONSTAR TV/XM Fuse, RSA/RSE Fuse, and RSM Fuse
EVEN COIL Fuse and ODD COIL Fuse
Underhood Fuse Block B+ Bus - 1 of 2