GM Service Manual Online
For 1990-2009 cars only
Makes
🢒
Cadillac
🢒
2007
🢒
SRX
🢒 Cruise Control Schematics
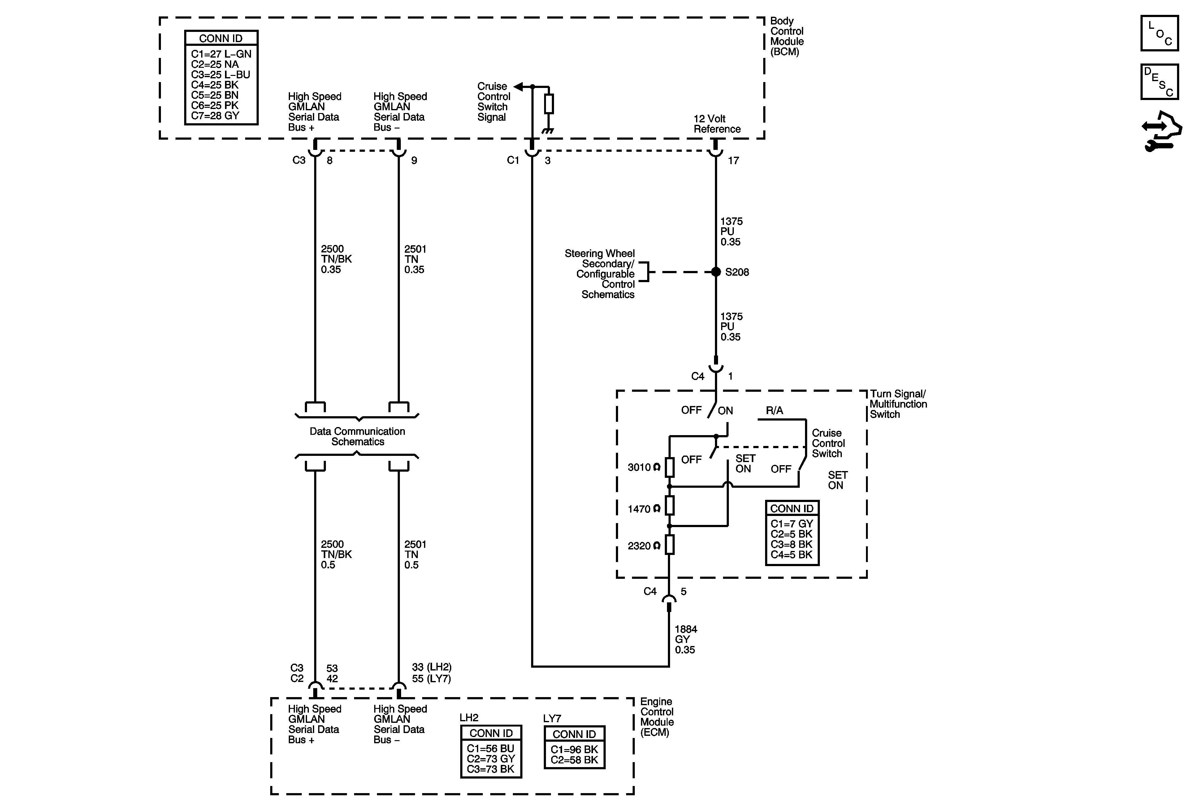
Cruise Control Schematics
Master Electrical Component List
Cruise Control Description and Operation
Control Module References
Steering Wheel Controls Schematic
High Speed GMLAN