GM Service Manual Online
For 1990-2009 cars only
Makes
🢒
Cadillac
🢒
2007
🢒
SRX
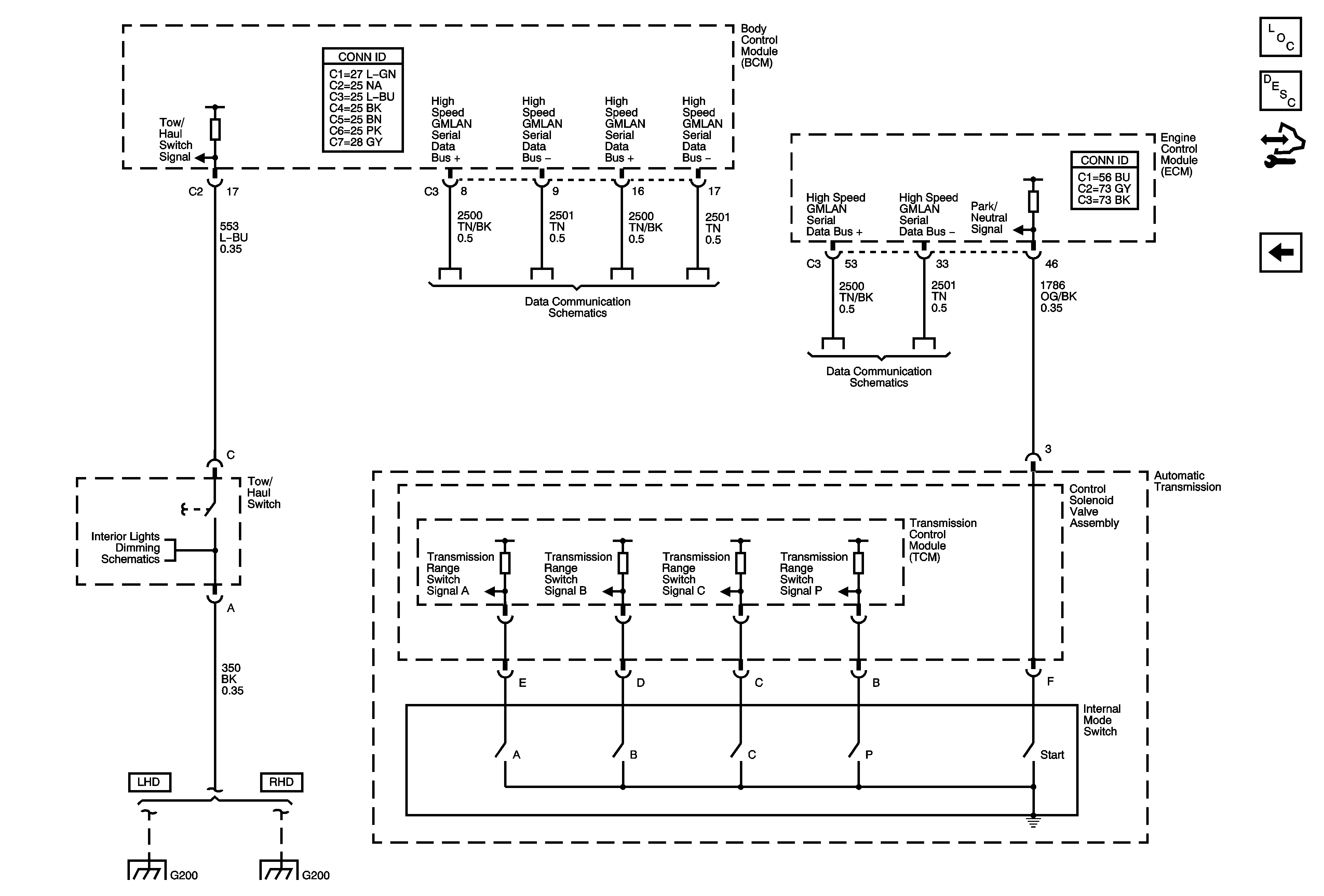
🢒 Transmission Range Signals and Tow/Haul Switch
Transmission Range Signals and Tow/Haul Switch
Transmission Range Signals and Tow/Haul Switch
Master Electrical Component List
Electronic Component Description
Control Module References
Tap Shift System
High Speed GMLAN
High Speed GMLAN
Dimming Lamps (1 of 3)
G200 (1 of 2) LHD
G200 2 OF 2 (RHD)