GM Service Manual Online
For 1990-2009 cars only
Makes
🢒
Cadillac
🢒
2007
🢒
SRX
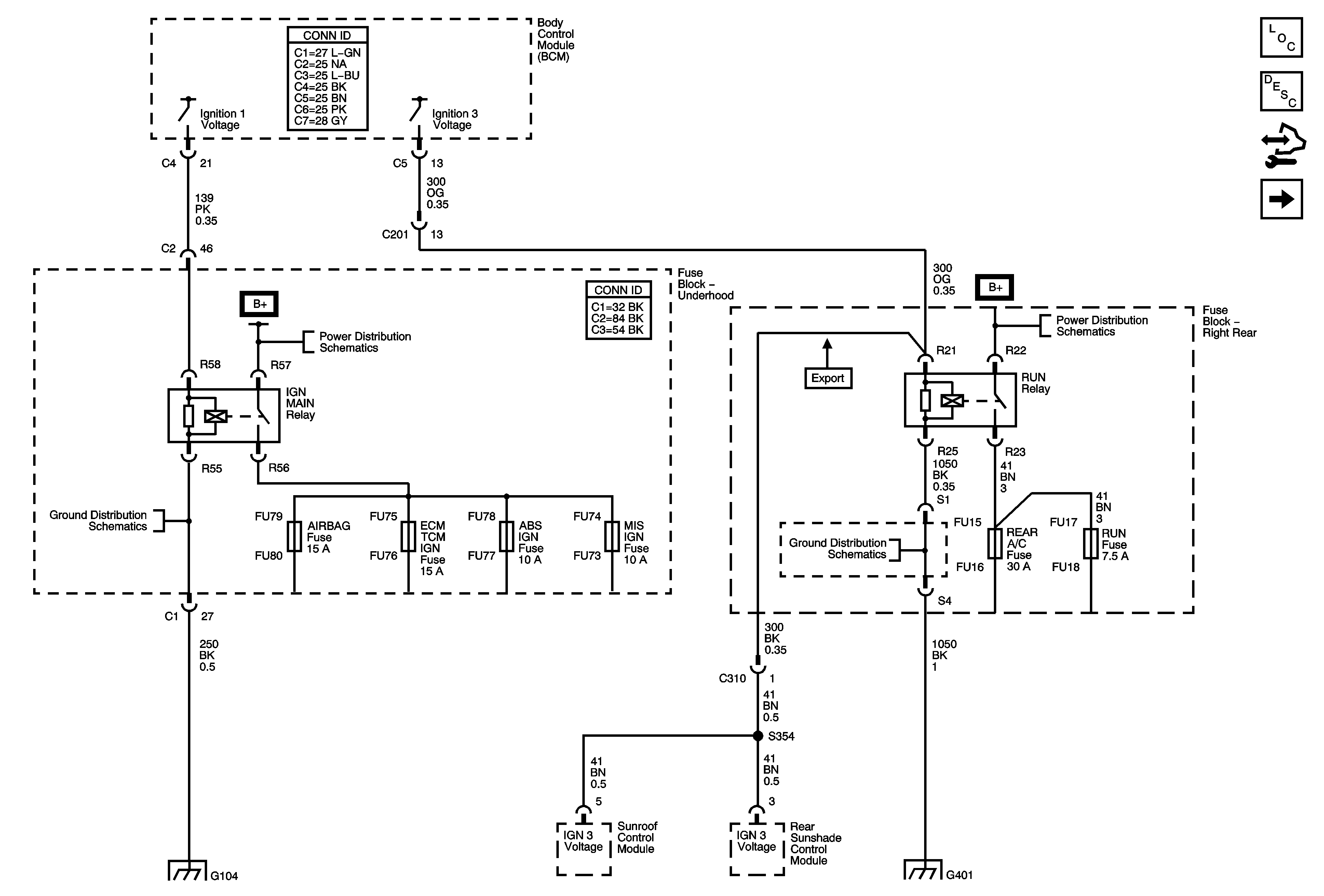
🢒 Ignition Power Modes - RUN
Ignition Power Modes - RUN
Ignition Power Modes - RUN
Master Electrical Component List
Power Mode Description and Operation
Control Module References
Power Modes - ACCY and RAP
Underhood Fuse Block B+ Bus - 2 of 2
Right Rear Fuse Block B+ Bus
G401 (3 of 3)
G104 (2 of 2)
G401 (3 of 3)