GM Service Manual Online
For 1990-2009 cars only
Makes
🢒
Cadillac
🢒
2007
🢒
SRX
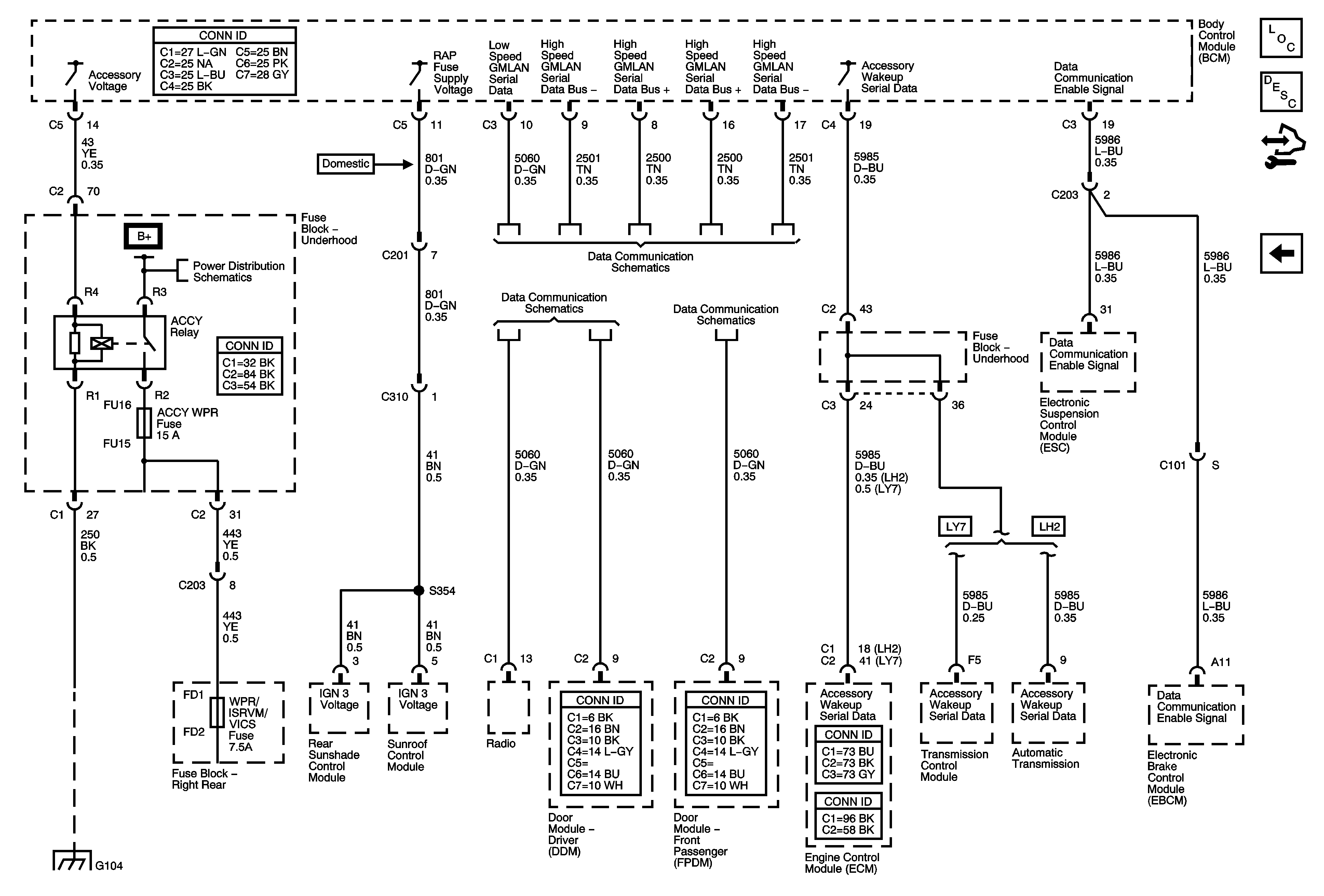
🢒 Power Modes - ACCY and RAP
Power Modes - ACCY and RAP
Power Modes - ACCY and RAP
Master Electrical Component List
Retained Accessory Power (RAP) Description and Operation
Control Module References
Ignition Power Modes - RUN
Underhood Fuse Block B+ Bus - 1 of 2
High Speed GMLAN
Low Speed GMLAN Serial Data 1 of 2
Low Speed GMLAN Serial Data 2 of 2
G104 (2 of 2)