GM Service Manual Online
For 1990-2009 cars only
Makes
🢒
Cadillac
🢒
2005
🢒
STS
🢒
Restraints
🢒
Seat Belts
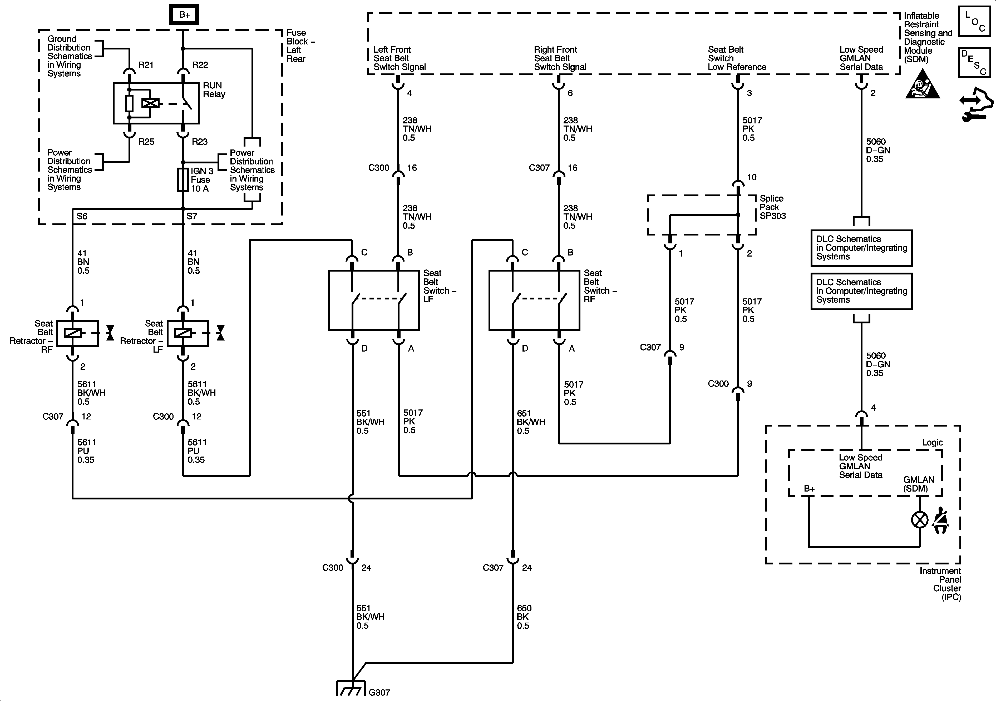
🢒 Seat Belt Schematics
Master Electrical Component List
Seat Belt System Description and Operation
Control Module References
G402 (1 of 2)
Fuse Block Left Rear: IGN 3 Relay; IGN 3, Rear Heated Seat, Memory, Airbag and Rear Shelf Speaker Fuses
Fuse Block Left Rear Bussing
Seat Belt Schematic Icons
GMLAN Low Speed 1 of 2
GMLAN Low Speed 2 of 2
G307