GM Service Manual Online
For 1990-2009 cars only
Makes
🢒
Cadillac
🢒
2005
🢒
STS
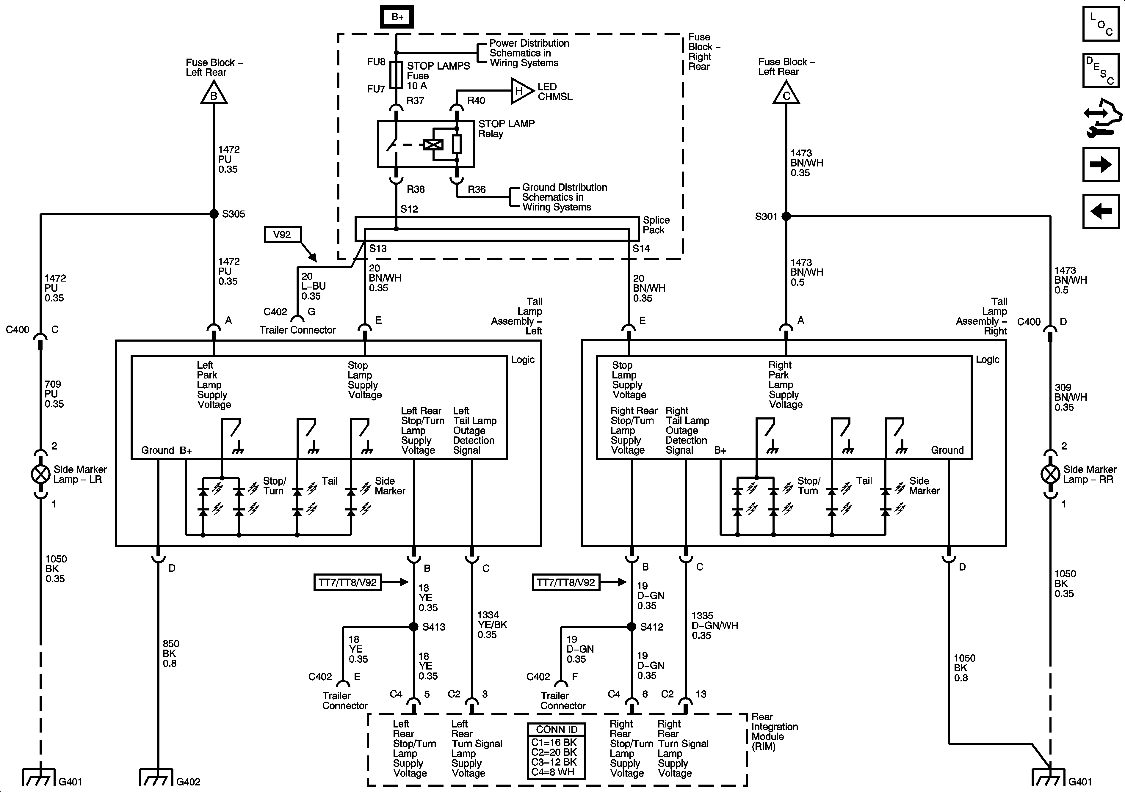
🢒 Tail Lamps, Rear Cornering/Side Marker Lamps - Export
Tail Lamps, Rear Cornering/Side Marker Lamps - Export
Tail Lamps - Export
Master Electrical Component List
Exterior Lighting Systems Description and Operation
Control Module References
Park Lamp Relay and Switch, License, Front Cornering/Side Marker Lamps and Instrument Cluster - Export
Front Park Lamps, Rear Turn Signal Switch Signal, Left, Right Position and Standing Lamp Relays - Export
Front Park Lamps, Rear Turn Signal Switch Signal, Left, Right Position and Standing Lamp Relays - Export
Fuse Block - Right Rear Bussing
Backup Lamps, CHMSL - Domestic and Export
G401 (1 of 2)
Front Park Lamps, Rear Turn Signal Switch Signal, Left, Right Position and Standing Lamp Relays - Export
G401 (2 of 2)
G402 (2 of 2)
G401 (1 of 2)