GM Service Manual Online
For 1990-2009 cars only
Makes
🢒
Cadillac
🢒
2005
🢒
STS
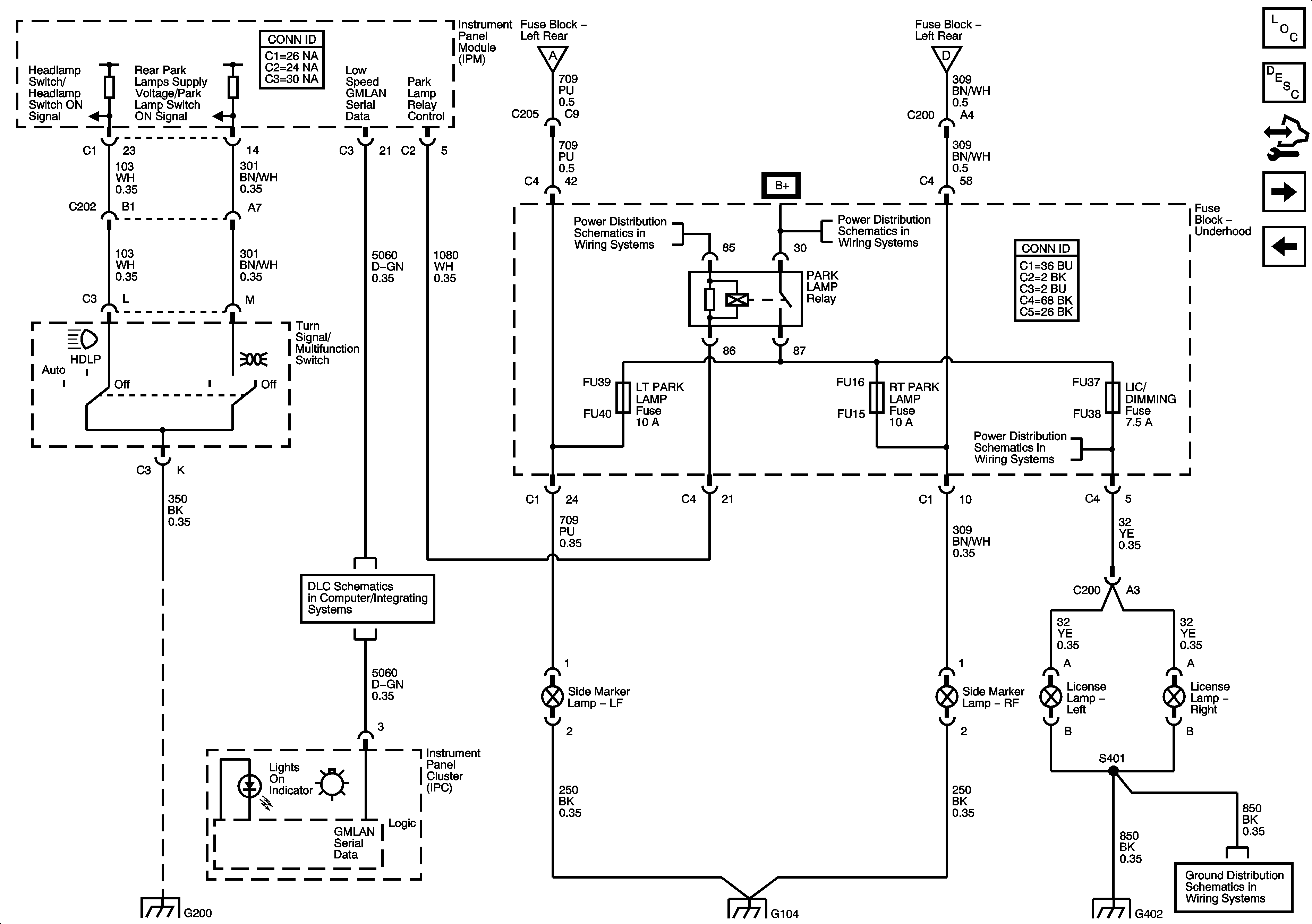
🢒 Park Lamp Relay and Switch,License, Front Cornering/Side Marker Lamps and Instrument Cluster - Export
Park Lamp Relay and Switch,License, Front Cornering/Side Marker Lamps and Instrument Cluster - Export
Park Lamp Relay, Switch, and Instrument Cluster - Export
Master Electrical Component List
Exterior Lighting Systems Description and Operation
Control Module References
Front Turn Signal Switch Signals, Brake Pedal Position Sensor - Domestic and Export
Tail Lamps, Rear Cornering/Side Marker Lamps - Export
Front Park Lamps, Rear Turn Signal Switch Signal, Left, Right Position and Standing Lamp Relays - Export
Front Park Lamps, Rear Turn Signal Switch Signal, Left, Right Position and Standing Lamp Relays - Export
Fuse Block Underhood Relays/Fuses: Park Lamp Relay, RT Park Fuse, Tilt/LK/LMP/CLM Relay Coils Fuse
Fuse Block Underhood Bussing
Fuse Block - Underhood Fuses: LT Park Fuse, License/Dimming Fuse
GMLAN Low Speed 2 of 2
G200 (2 of 2)
G104 (1 of 2)
G402 (1 of 2)
G402 (1 of 2)