GM Service Manual Online
For 1990-2009 cars only
Makes
🢒
Cadillac
🢒
2005
🢒
STS
🢒 Power, Ground, DLC and DIC/Dimmer Switch
Power, Ground, DLC and DIC/Dimmer Switch
Power, DLC and DIC/Dimmer Switch
Master Electrical Component List
Interior Lighting Systems Description and Operation
Control Module References
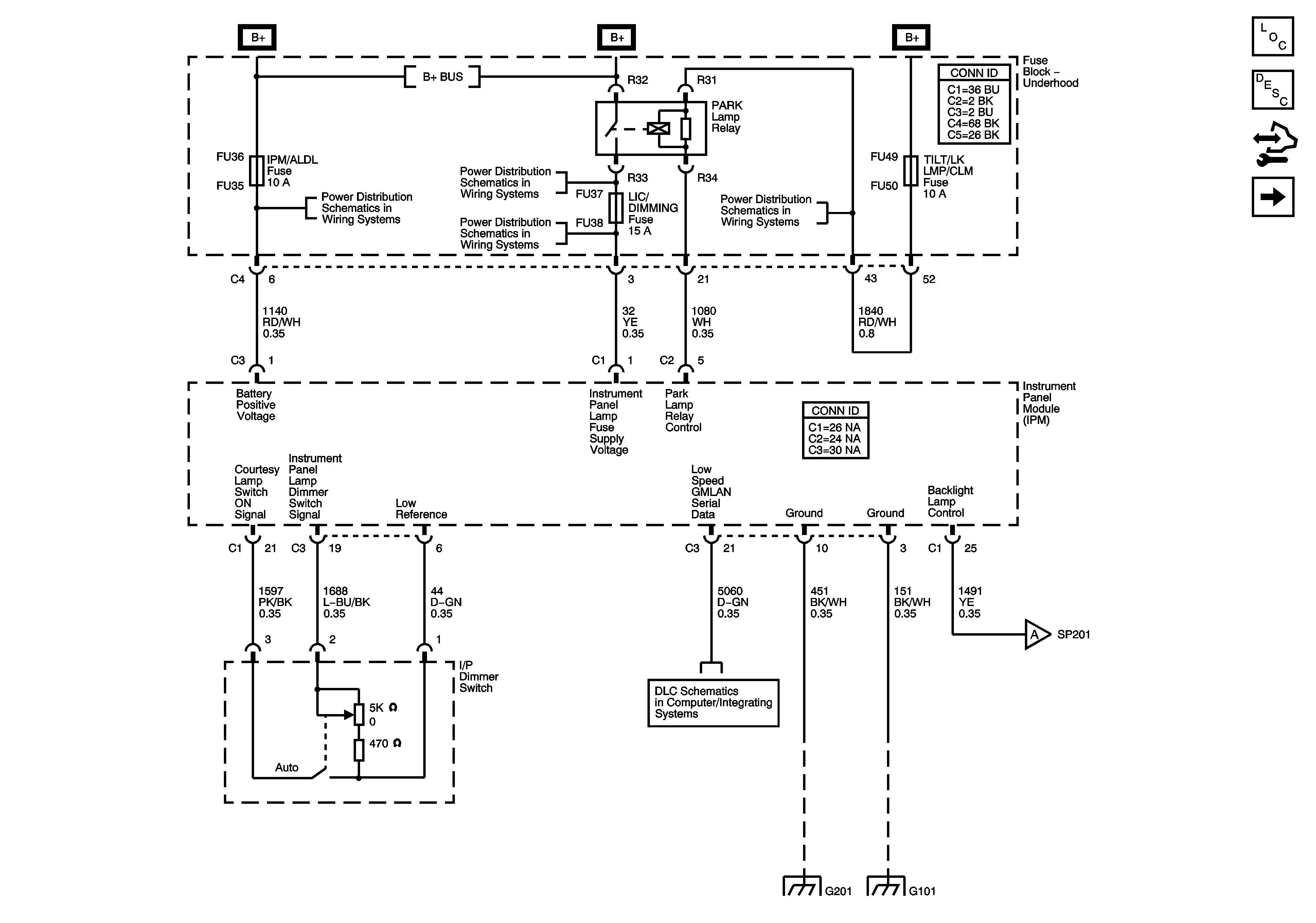
Dimming Lamps (1 of 3)
Fuse Block-Underhood Fuses/Relay: IPM/ALDL, Auto Headlamp Dimming, CCP, ECM/TCM, WPR MOD, WPR SW/VICS and Rain Sensor/HDLP Wash Fuses. Accessory Relay
Fuse Block Underhood Bussing
Fuse Block Underhood Relays/Fuses: Park Lamp Relay, RT Park Fuse, Tilt/LK/LMP/CLM Relay Coils Fuse
Fuse Block - Underhood Fuses: LT Park Fuse, License/Dimming Fuse
Fuse Block Underhood Relays/Fuses: Park Lamp Relay, RT Park Fuse, Tilt/LK/LMP/CLM Relay Coils Fuse
GMLAN Low Speed 2 of 2
Dimming Lamps (1 of 3)
G201 (2 of 2)
G101