GM Service Manual Online
For 1990-2009 cars only
Makes
🢒
Cadillac
🢒
2005
🢒
STS
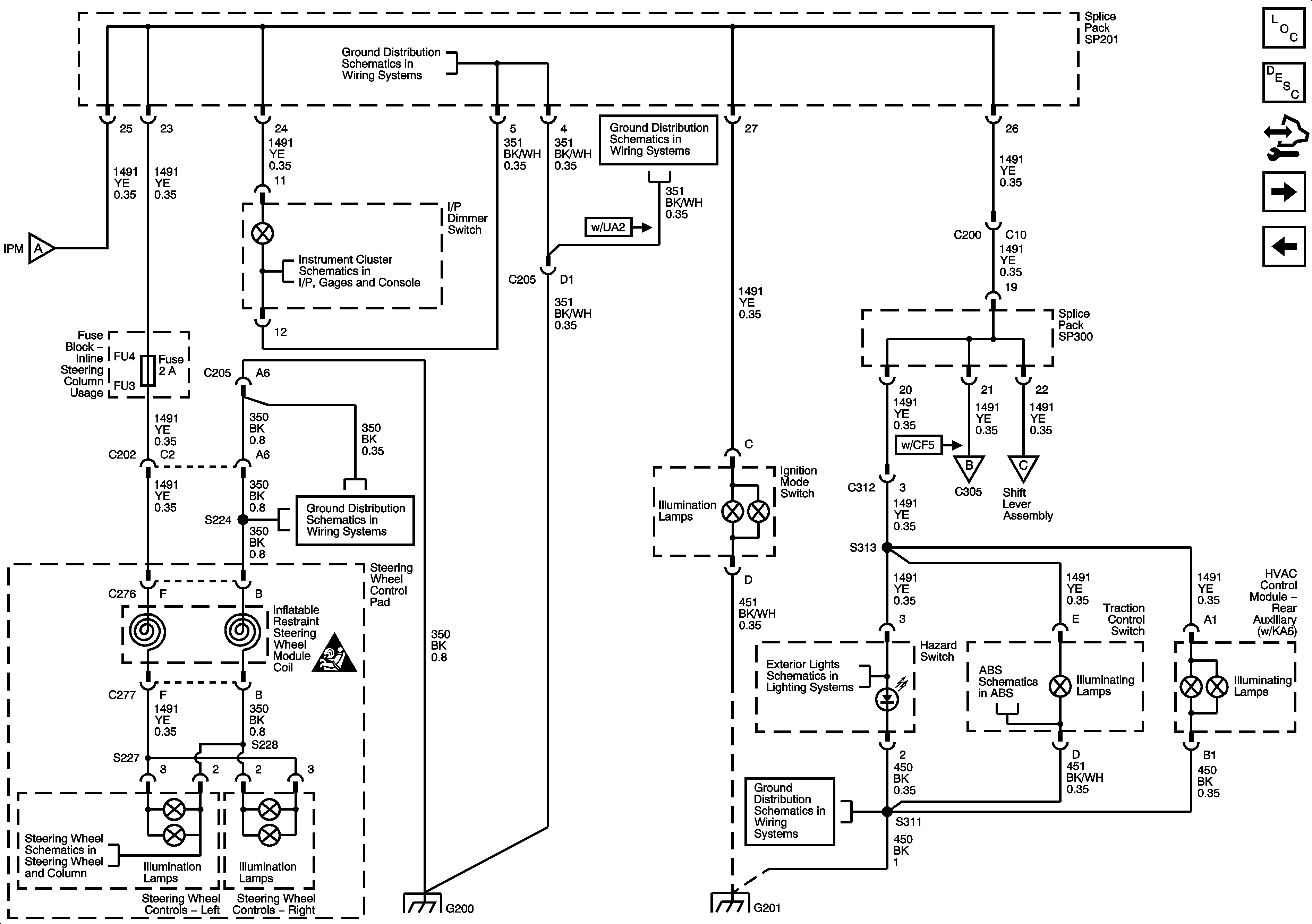
🢒 Dimming Lamps (1 of 3)
Dimming Lamps (1 of 3)
Dimming Lamps 1 of 3
Master Electrical Component List
Interior Lighting Systems Description and Operation
Control Module References
Dimming Lamps (2 of 3)
Power, Ground, DLC and DIC/Dimmer Switch
Power, Ground, DLC and DIC/Dimmer Switch
DIC/Dimmer Switch
G200 (2 of 2)
G200 (2 of 2)
G200 (2 of 2)
Dimming Lamps (2 of 3)
Dimming Lamps (2 of 3)
Lighting Systems Schematic Icons
Heated Steering Wheel Schematics
G200 (2 of 2)
Front Turn Signal and Repeater Lamps, Hazard Switch - Domestic and Export
G201 (1 of 2)
G201 (1 of 2)
Indicator and Traction Control