GM Service Manual Online
For 1990-2009 cars only
Makes
🢒
Cadillac
🢒
2005
🢒
STS
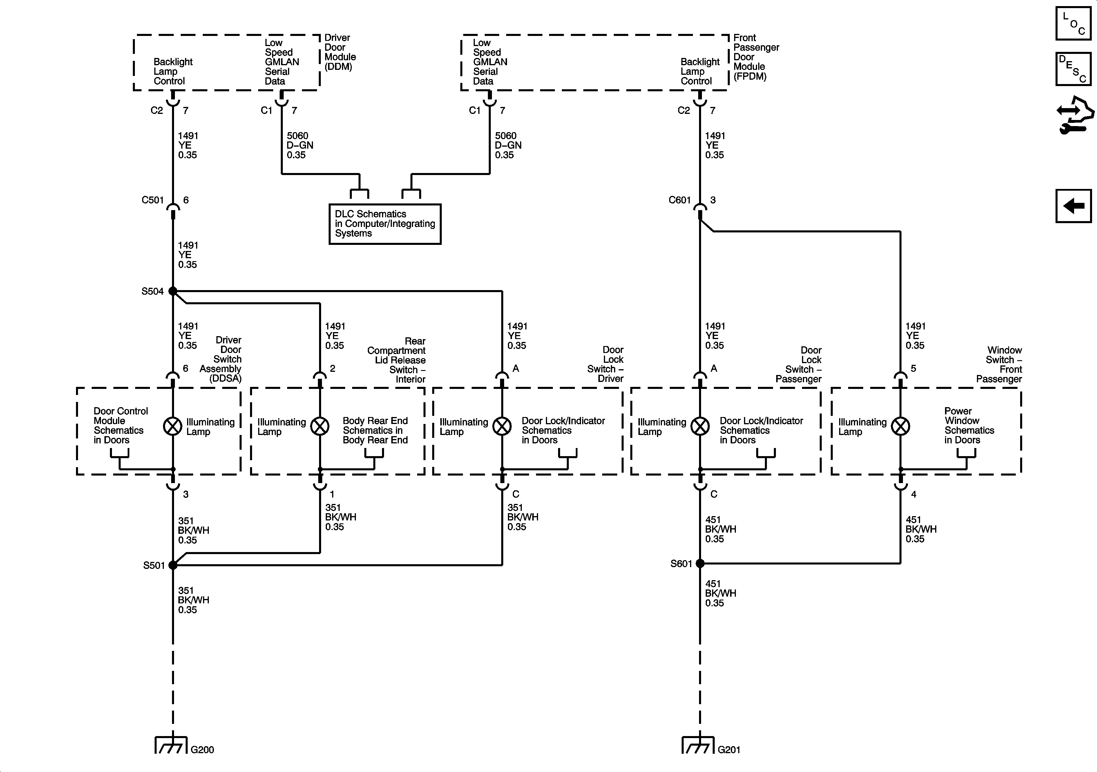
🢒 Dimming Lamps (3 of 3)
Dimming Lamps (3 of 3)
Dimming Lamps 3 of 3
Master Electrical Component List
Interior Lighting Systems Description and Operation
Control Module References
Dimming Lamps (2 of 3)
GMLAN Low Speed 1 of 2
DDM Power, Ground and DLC
Body Rear End Schematics
Driver Door Lock
Front Passenger Door Lock
Front Passenger Window Switch, Motor
G200 (1 of 2)
G201 (2 of 2)