GM Service Manual Online
For 1990-2009 cars only
Makes
🢒
Cadillac
🢒
2005
🢒
STS
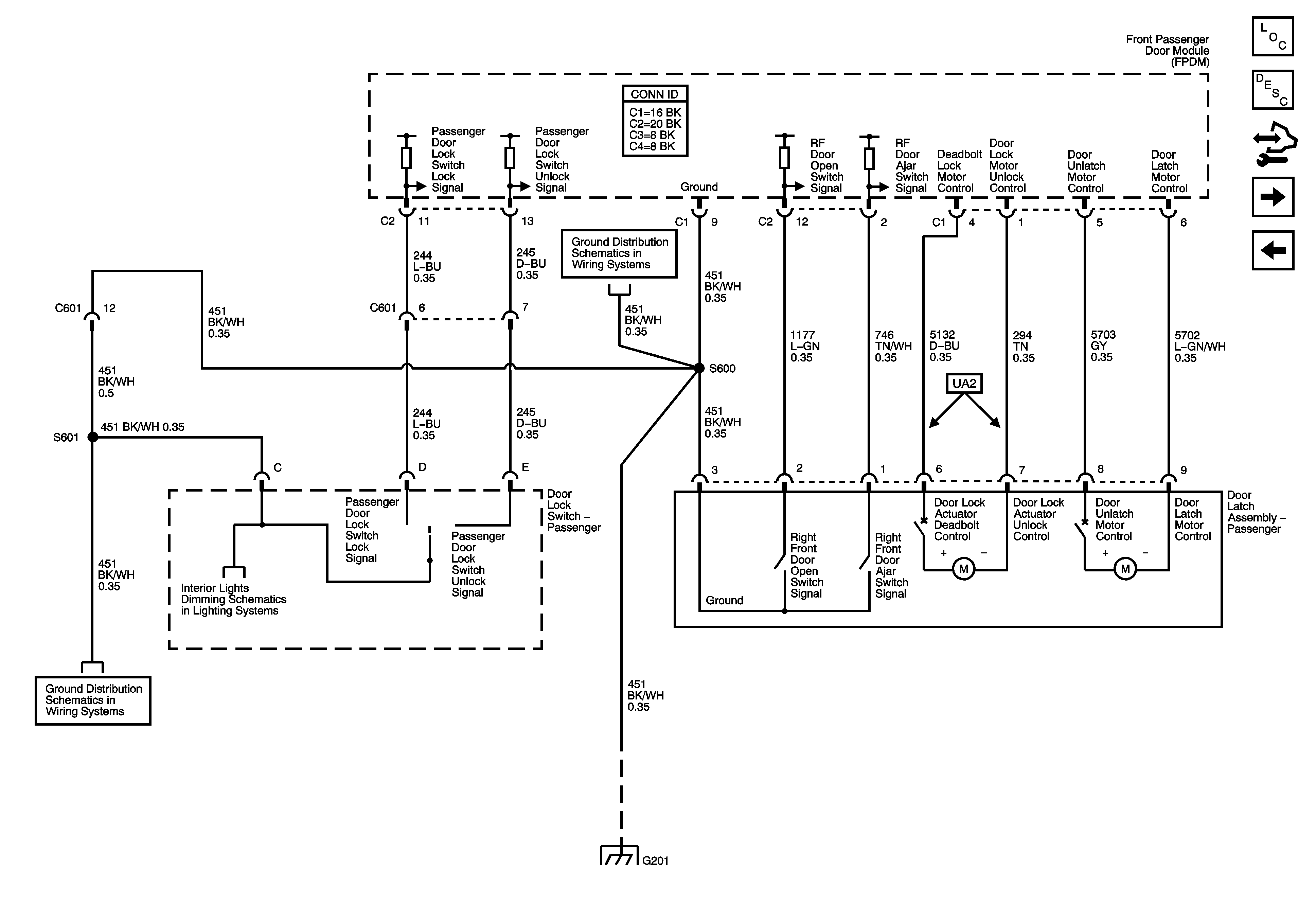
🢒 Front Passenger Door Lock
Front Passenger Door Lock
Front Passenger Door Lock
Master Electrical Component List
Power Door Latch Description and Operation
Control Module References
Left Rear and Right Rear Door Lock
Driver Door Lock
G201 (2 of 2)
Dimming Lamps (3 of 3)
G201 (2 of 2)
G201 (2 of 2)