GM Service Manual Online
For 1990-2009 cars only
Makes
🢒
Cadillac
🢒
2005
🢒
STS
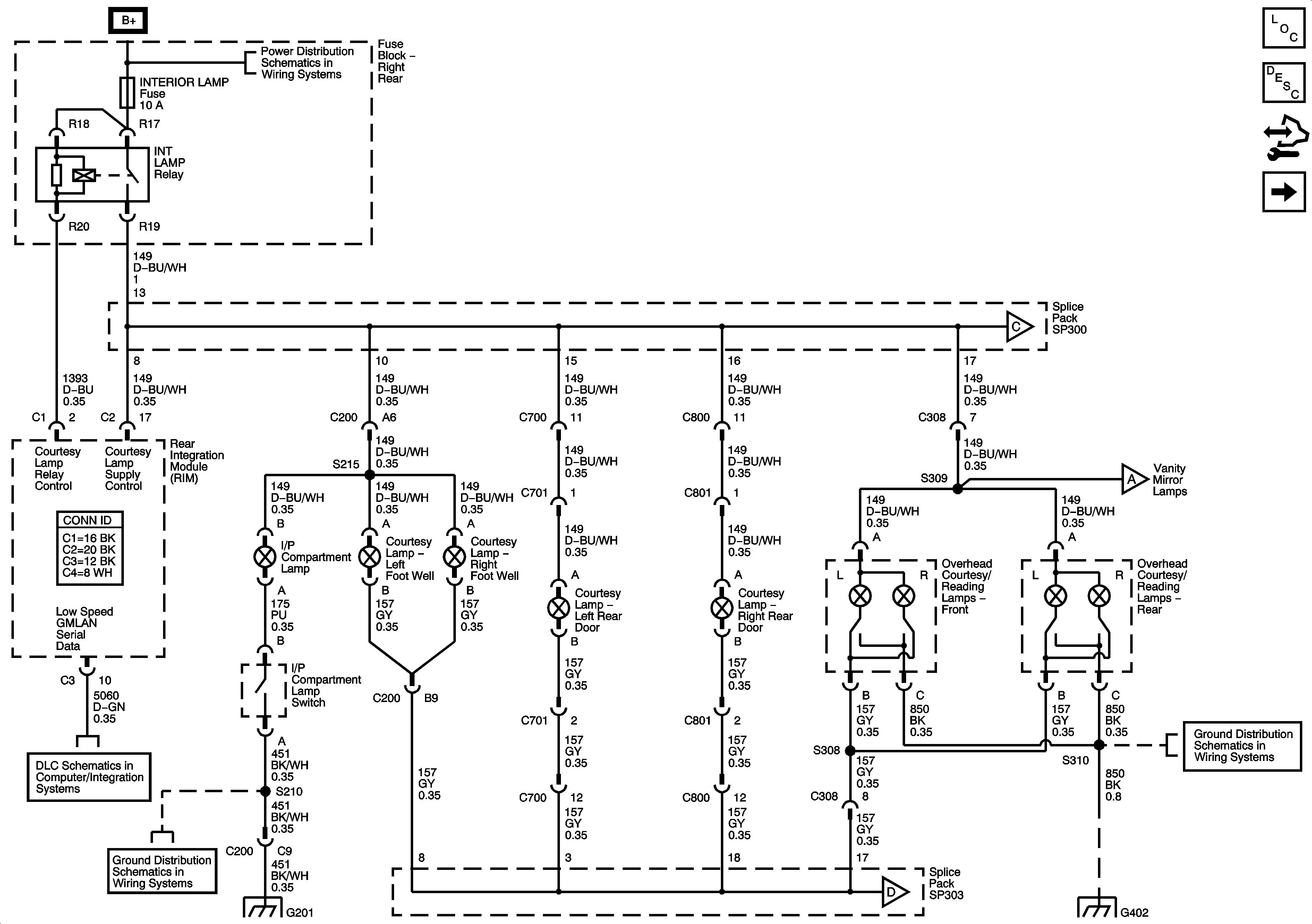
🢒 Courtesy Lamps
Courtesy Lamps
Courtesy Lamps
Master Electrical Component List
Interior Lighting Systems Description and Operation
Control Module References
Vanity Mirrors and Rear Compartment Lamp
Fuse Block - Right Rear Bussing
Vanity Mirrors and Rear Compartment Lamp
Vanity Mirrors and Rear Compartment Lamp
GMLAN Low Speed 1 of 2
G201 (2 of 2)
G201 (2 of 2)
Vanity Mirrors and Rear Compartment Lamp
G402 (1 of 2)
G402 (1 of 2)