GM Service Manual Online
For 1990-2009 cars only
Makes
🢒
Cadillac
🢒
2005
🢒
STS
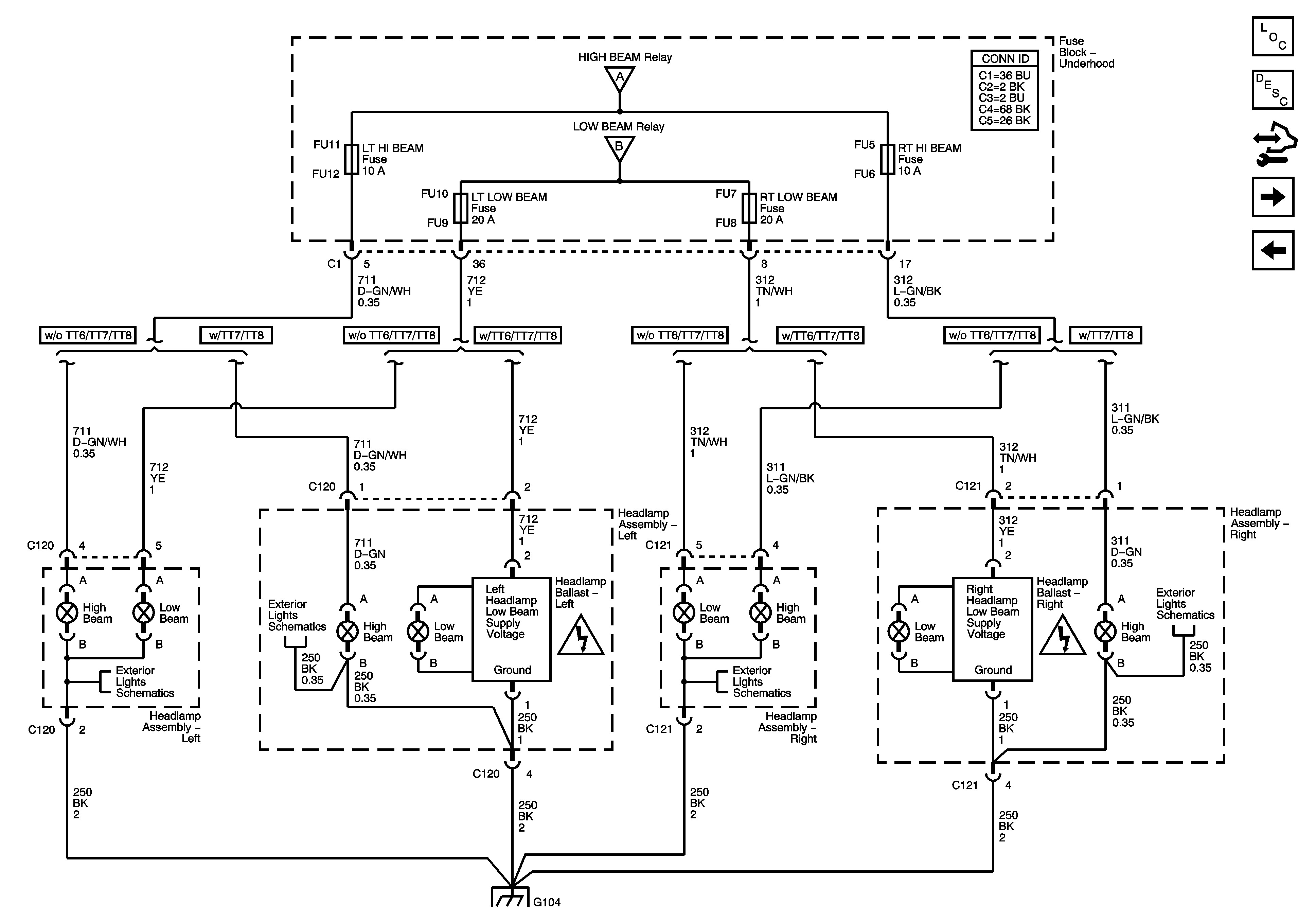
🢒 Headlamps With and Without TT7/TT8
Headlamps With and Without TT7/TT8
Power, Ground, Headlamps w/TT7/TT8 and w/o TT7/TT8
Master Electrical Component List
Exterior Lighting Systems Description and Operation
Control Module References
Headlamps w/ TT6, Automatic Headlamp Dimming Relay
Headlamp Switch, Ambient Light Sensor and DLC
Headlamp Switch, Ambient Light Sensor and DLC
Headlamp Switch, Ambient Light Sensor and DLC
G104 (1 of 2)