GM Service Manual Online
For 1990-2009 cars only
Makes
🢒
Cadillac
🢒
2005
🢒
STS
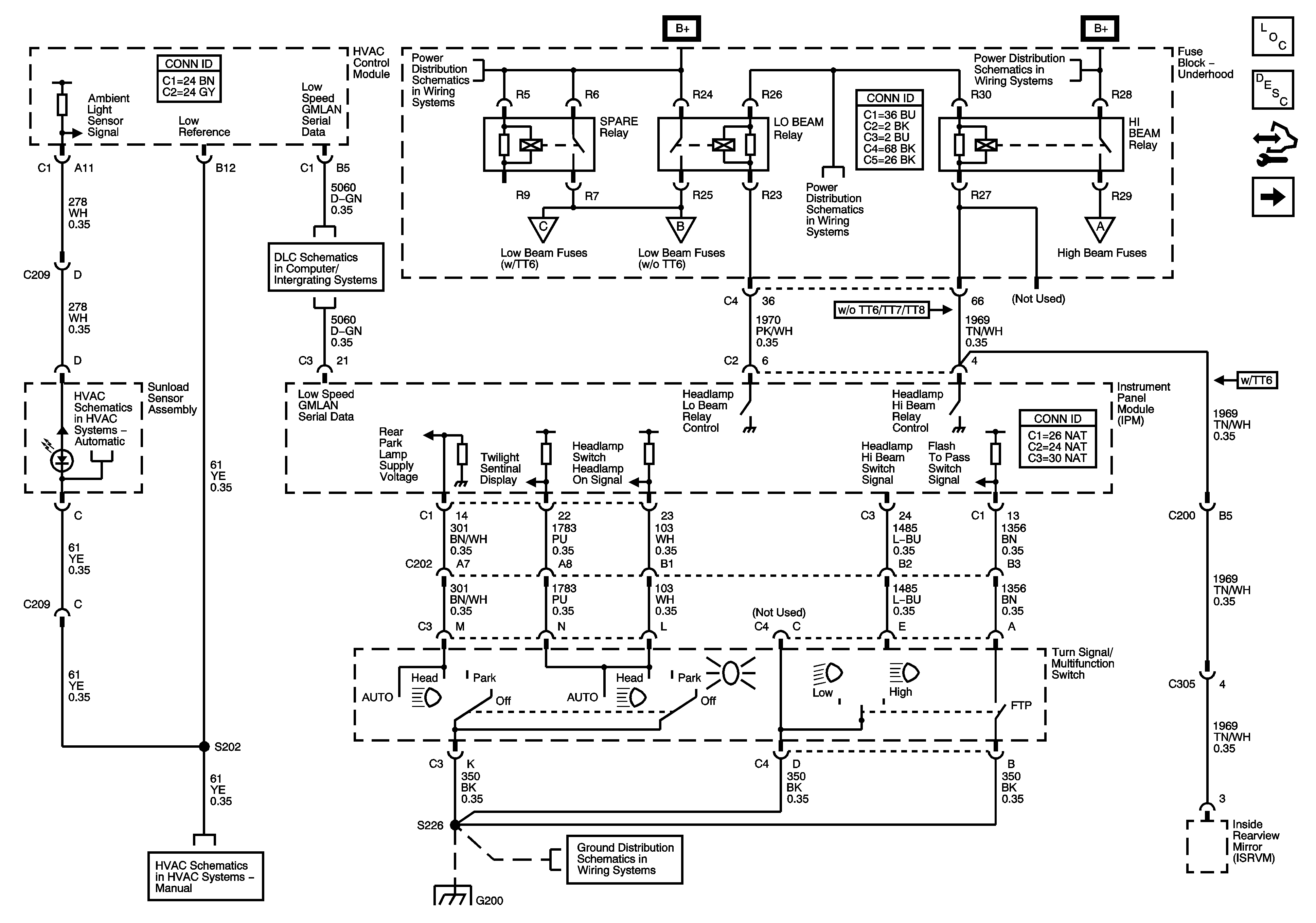
🢒 Headlamp Switch, Ambient Light Sensor and DLC
Headlamp Switch, Ambient Light Sensor and DLC
Headlamp Switch, Ambient Light Sensor, DLC
Master Electrical Component List
Exterior Lighting Systems Description and Operation
Control Module References
Headlamps With and Without TT7/TT8
DLC, Temperature Controls, Sunload sensor
GMLAN Low Speed 2 of 2
Headlamps w/ TT6, Automatic Headlamp Dimming Relay
Headlamps With and Without TT7/TT8
Fuse Block Underhood Relays/Fuses: Park Lamp Relay, RT Park Fuse, Tilt/LK/LMP/CLM Relay Coils Fuse
Fuse Block-Underhood: Low Beam, Hi Beam, Power Outlet and Spare Relays; Volt Check, EBCM, LT Lo Beam, RT Lo Beam, RT Hi Beam, LT Hi Beam, I/P Outlet and Outlet Fuses
Headlamps With and Without TT7/TT8
DLC, Temperature Controls, Sunload sensor
Power, Ground, Blower Motor, Recirculation Actuator
G200 (2 of 2)