GM Service Manual Online
For 1990-2009 cars only
Makes
🢒
Cadillac
🢒
2005
🢒
STS
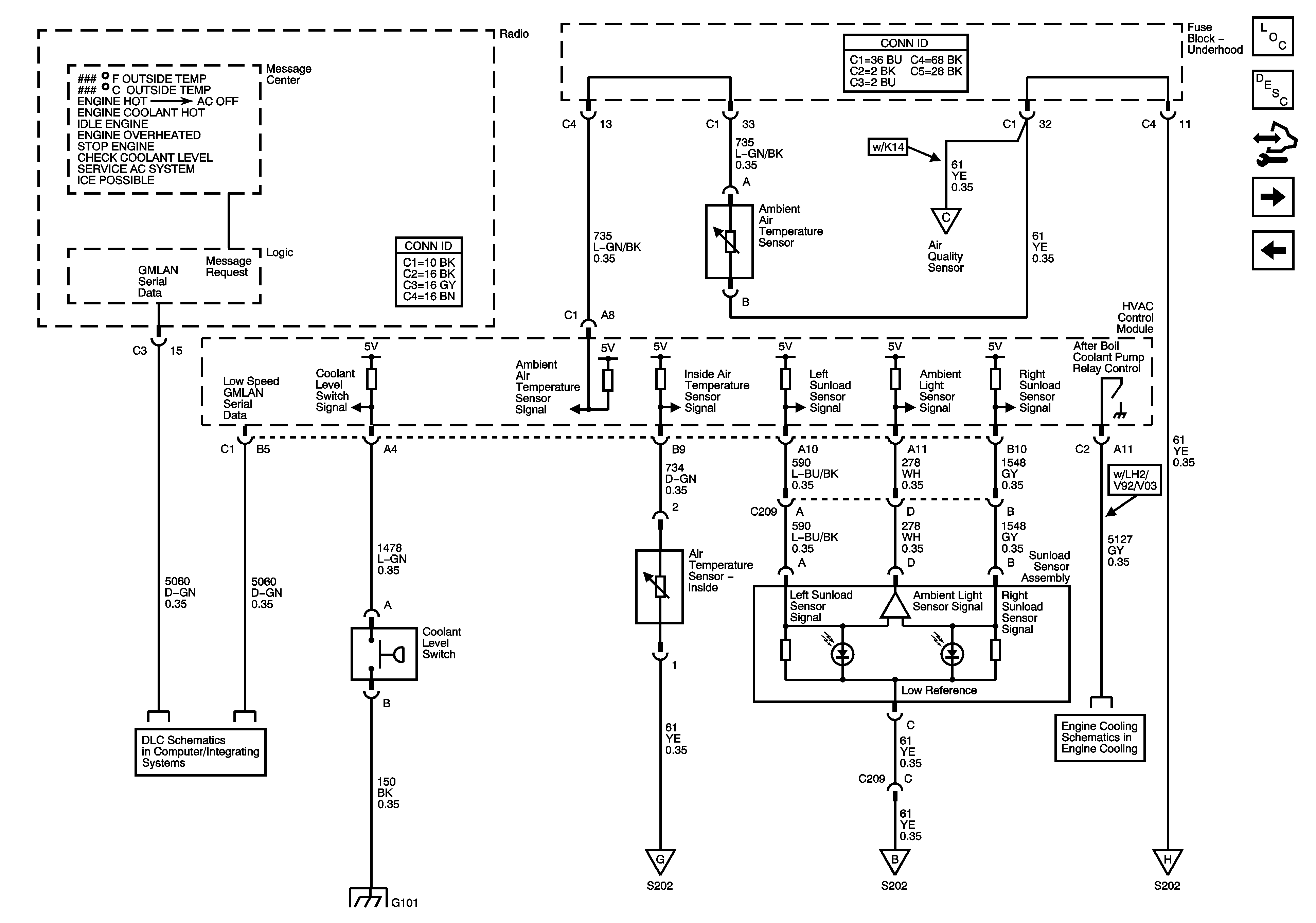
🢒 DLC, Temperature Controls, Sunload sensor
DLC, Temperature Controls, Sunload sensor
DLC, Temperature Controls, Sunload Sensor
Master Electrical Component List
Air Temperature Description and Operation
Control Module References
A/C Refrigerant Pressure Sensor and Compressor Clutch
Air Delivery, EVAP Temperature Sensor, Rear Passenger Air temperature Actuator
Air Quality Sensor, Rear Mode Motor
GMLAN Low Speed 2 of 2
Coolant Level Switch and After Boil Coolant Pump w/LH2/V92/V03
G101
Power, Ground, Blower Motor, Recirculation Actuator
Power, Ground, Blower Motor, Recirculation Actuator
Power, Ground, Blower Motor, Recirculation Actuator