GM Service Manual Online
For 1990-2009 cars only
Makes
🢒
Cadillac
🢒
2005
🢒
STS
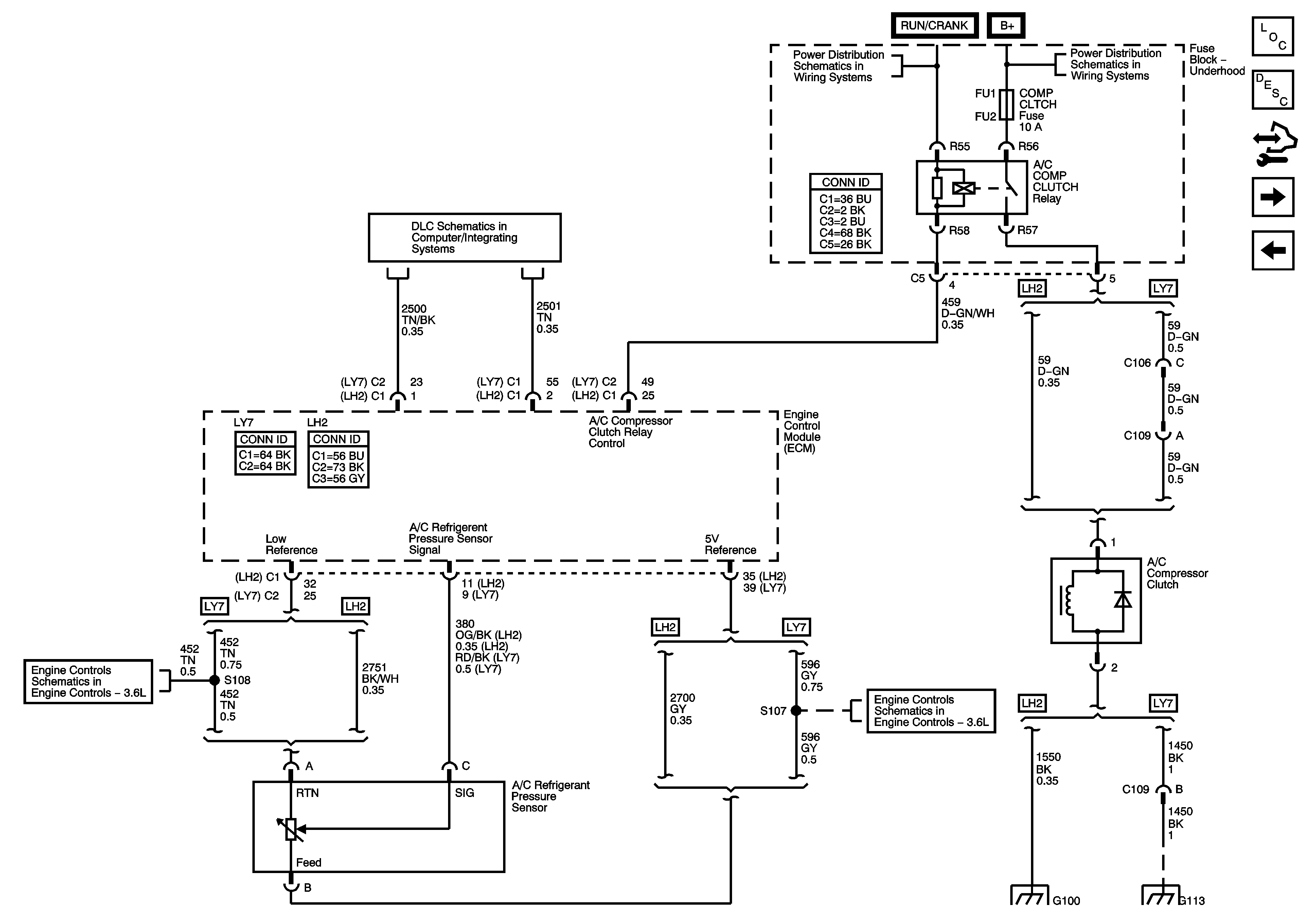
🢒 A/C Refrigerant Pressure Sensor and Compressor Clutch
A/C Refrigerant Pressure Sensor and Compressor Clutch
A/C Refrigerant Pressure Sensor and Compressor Clutch
Master Electrical Component List
Air Delivery Description and Operation
Control Module References
Air Quality Sensor, Rear Mode Motor
DLC, Temperature Controls, Sunload sensor
GMLAN High Speed - Domestic w/UE1
Fuse Block Right Rear: LT Turn Signal, RIM(1), Rear Fog Lamp, FT Passenger Door Module, Heated Steering Column, IGN 1, RIM(2) and Airbag Fuses; Rear Fog Lamp and IGN 1 Relays
Fuse Block Underhood Bussing
Engine Data Sensors - Low Reference Bus
Engine Data Sensors - 5 Volt Reference Bus
G100 (LH2)
G107 (LH2), G113 (LY7)