GM Service Manual Online
For 1990-2009 cars only
Makes
🢒
Cadillac
🢒
2005
🢒
STS
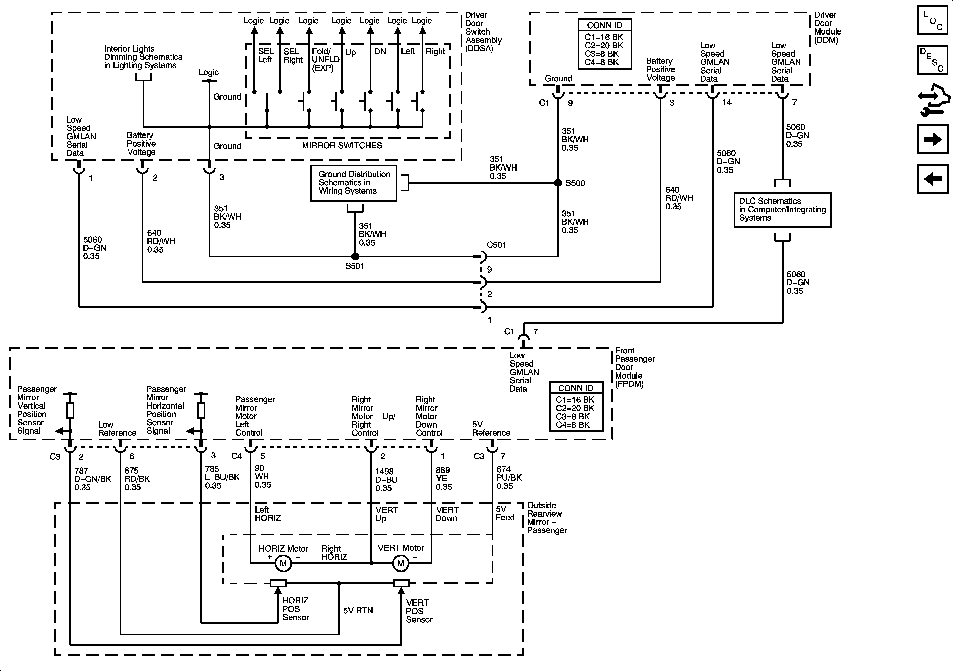
🢒 Front Passenger Side Outside Mirror w/Memory
Front Passenger Side Outside Mirror w/Memory
Front Passenger Side Outside Mirror w/ Memory
Master Electrical Component List
Outside Mirror Description and Operation
Control Module References
Heated Mirrors
Driver Side Outside Mirror w/Memory
Dimming Lamps (3 of 3)
G200 (1 of 2)
GMLAN Low Speed 1 of 2