GM Service Manual Online
For 1990-2009 cars only
Makes
🢒
Cadillac
🢒
2005
🢒
STS
🢒 Heated/Cooled Seat
Heated/Cooled Seat
Heated/Cooled Seat
Master Electrical Component List
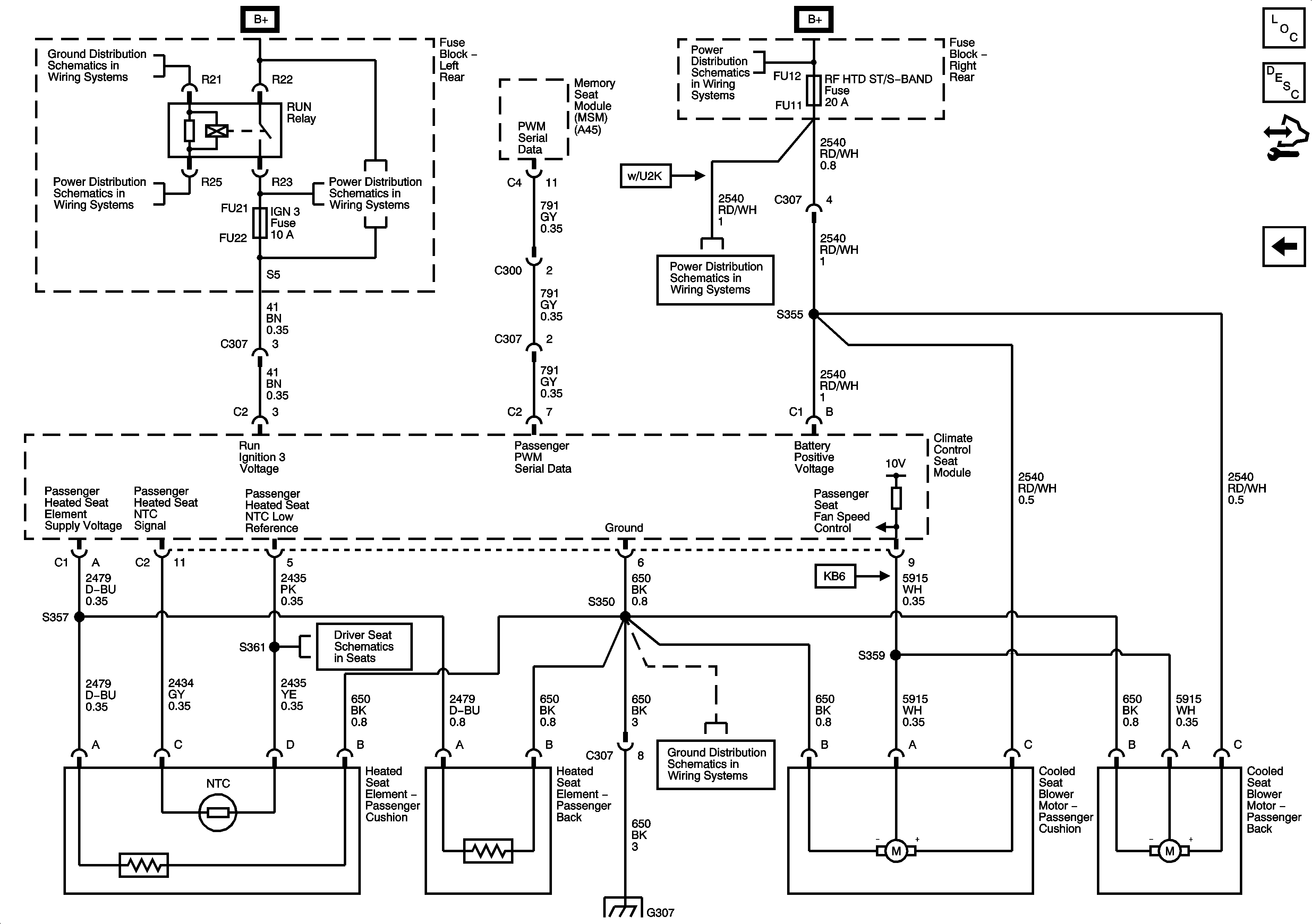
Heated/Vented Seat Description and Operation
Control Module References
Heated Seat
G402 (1 of 2)
Fuse Block Left Rear: IGN 3 Relay; IGN 3, Rear Heated Seat, Memory, Airbag and Rear Shelf Speaker Fuses
Fuse Block Left Rear Bussing
Fuse Block - Right Rear Bussing
Fuse Block Right Rear: Radio/Onstar, RT Turn Signal, Canister Vent and RF Heated /Vented Seat Fuses; Window Motors Circuit Breaker
Heated Seat
G307
G307