GM Service Manual Online
For 1990-2009 cars only
Makes
🢒
Cadillac
🢒
2005
🢒
STS
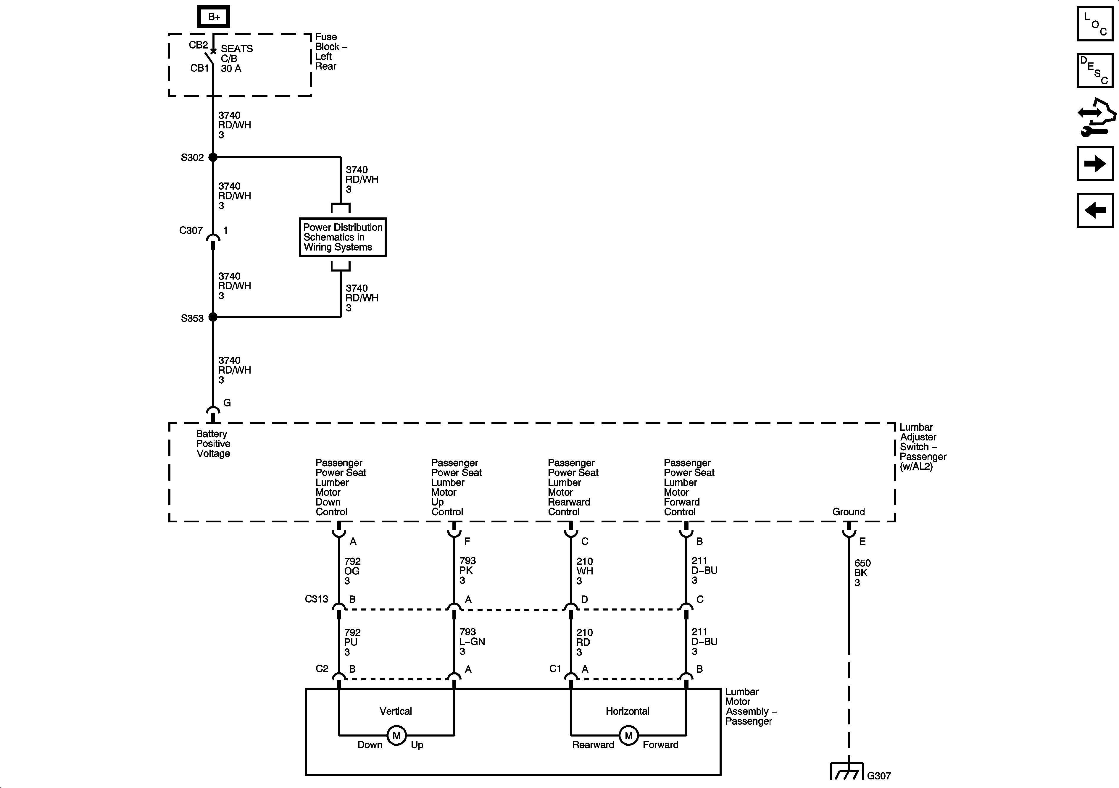
🢒 Lumbar Switch and Motors
Lumbar Switch and Motors
Lumbar Switch and Motors
Master Electrical Component List
Lumbar Support Description and Operation w/o A45
Control Module References
Heated Seat
Power Seat
Fuse Block Left Rear: Seats Circuit Breaker
G307