GM Service Manual Online
For 1990-2009 cars only
Makes
🢒
Cadillac
🢒
2005
🢒
STS
🢒 Power and Ground
Power and Ground
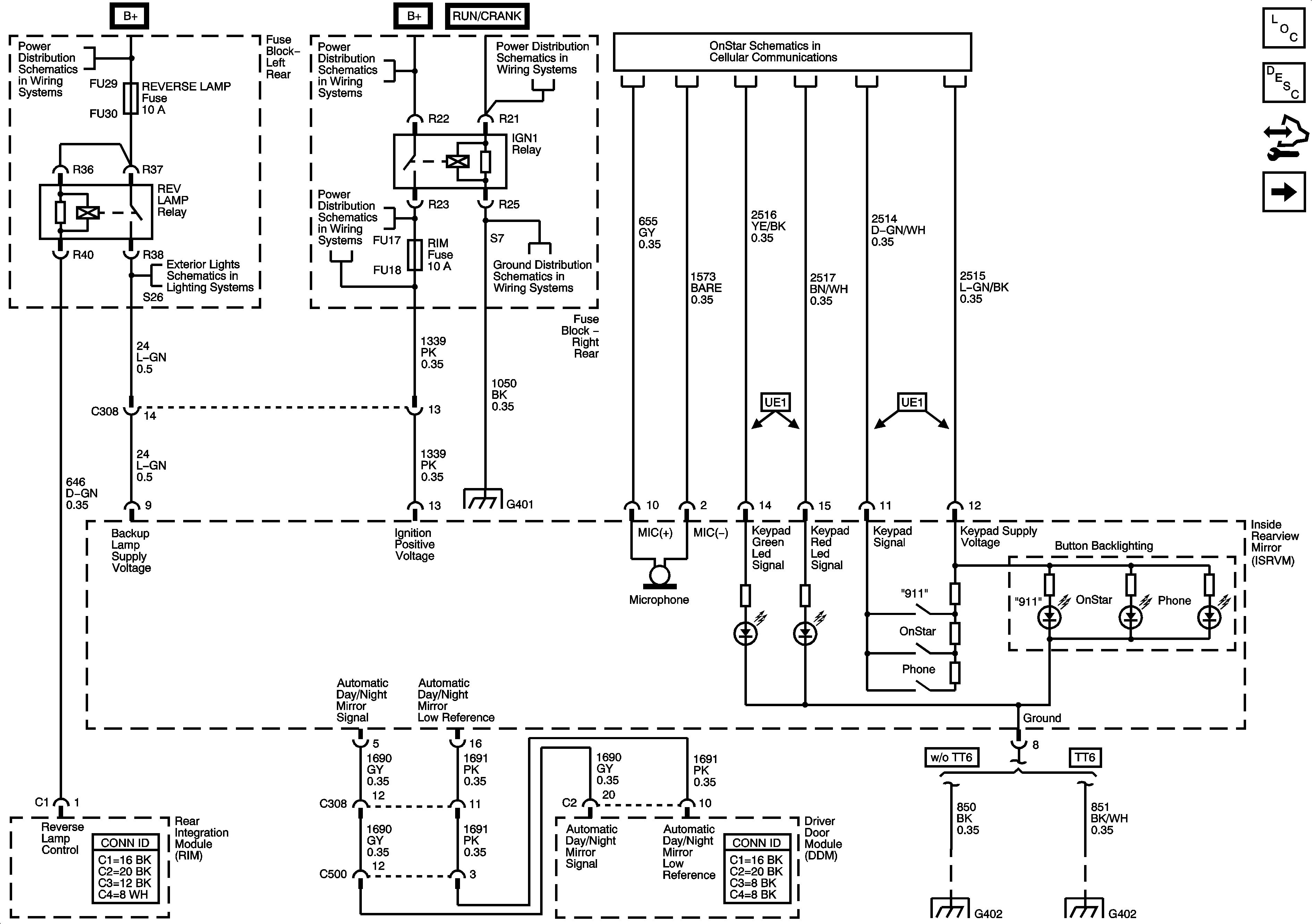
Inside Rearview Mirror (ISRVM), Power and Ground
Master Electrical Component List
Automatic Day-Night Mirror Description and Operation
Control Module References
Automatic Headlamp Dimming Signals, VSS (TT6)
Fuse Block Left Rear Bussing
Backup Lamps, CHMSL - Domestic and Export
Fuse Block - Right Rear Bussing
Fuse Block - Right Rear Bussing
Ignition Mode Switch
G401 (1 of 2)
Power, Ground, VCIM, ISRVM
G402 (1 of 2)
G402 (2 of 2)