GM Service Manual Online
For 1990-2009 cars only
Makes
🢒
Cadillac
🢒
2005
🢒
STS
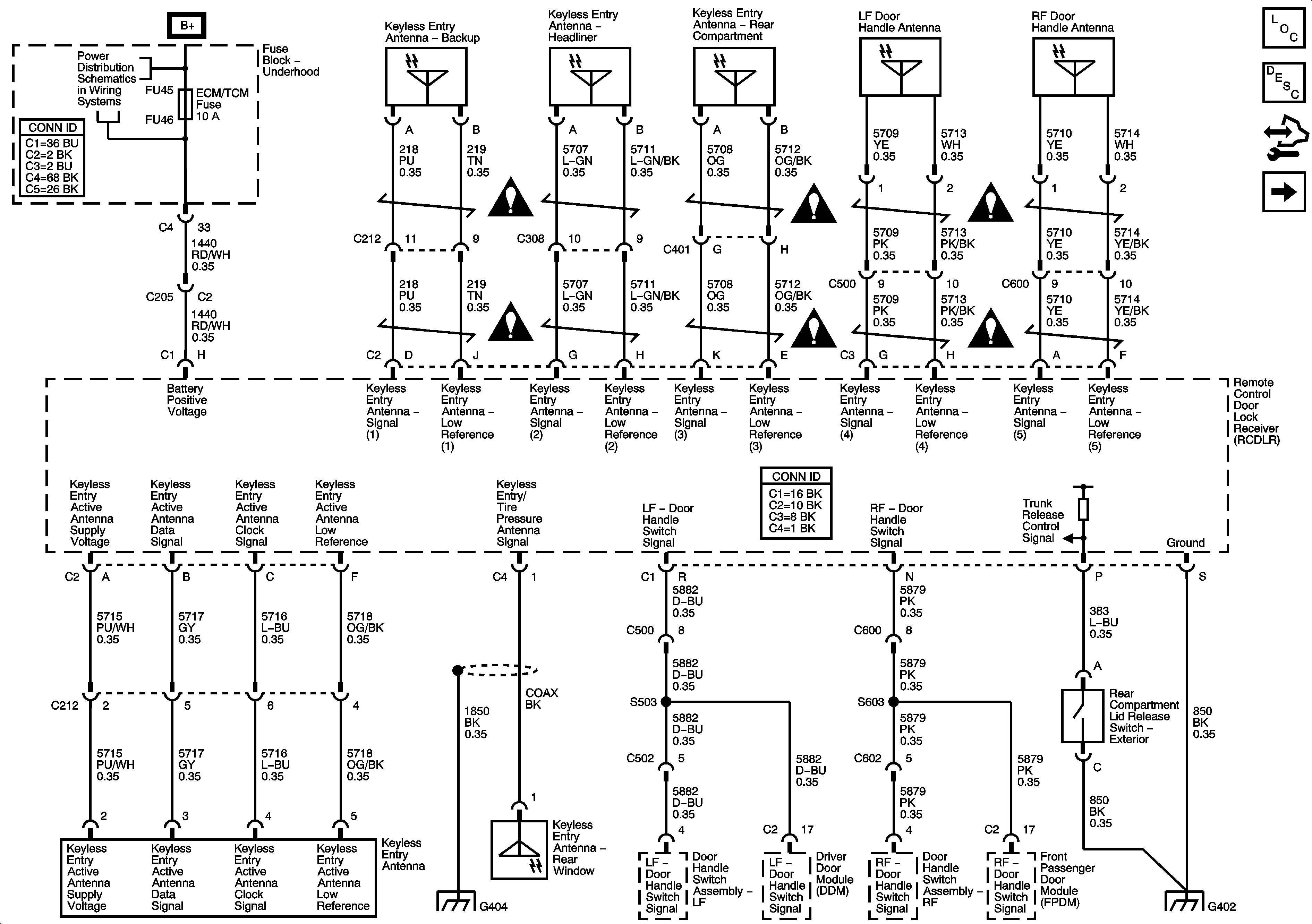
🢒 Module Power, Ground, Antennas, Switches
Module Power, Ground, Antennas, Switches
Module Power, Grounds, Antennas and Switches
Master Electrical Component List
Keyless Entry System Description and Operation
Control Module References
DLC, Instrument Panel Cluster (IPC)
Fuse Block-Underhood Fuses/Relay: IPM/ALDL, Auto Headlamp Dimming, CCP, ECM/TCM, WPR MOD, WPR SW/VICS and Rain Sensor/HDLP Wash Fuses. Accessory Relay
Keyless Entry Schematic Icons
Keyless Entry Schematic Icons
Keyless Entry Schematic Icons
Keyless Entry Schematic Icons
Keyless Entry Schematic Icons
Keyless Entry Schematic Icons
G110, G306, G404, G403, G105, G106
G402 (1 of 2)