GM Service Manual Online
For 1990-2009 cars only
Makes
🢒
Cadillac
🢒
2006
🢒
STS
🢒 Heated Steering Wheel Schematics
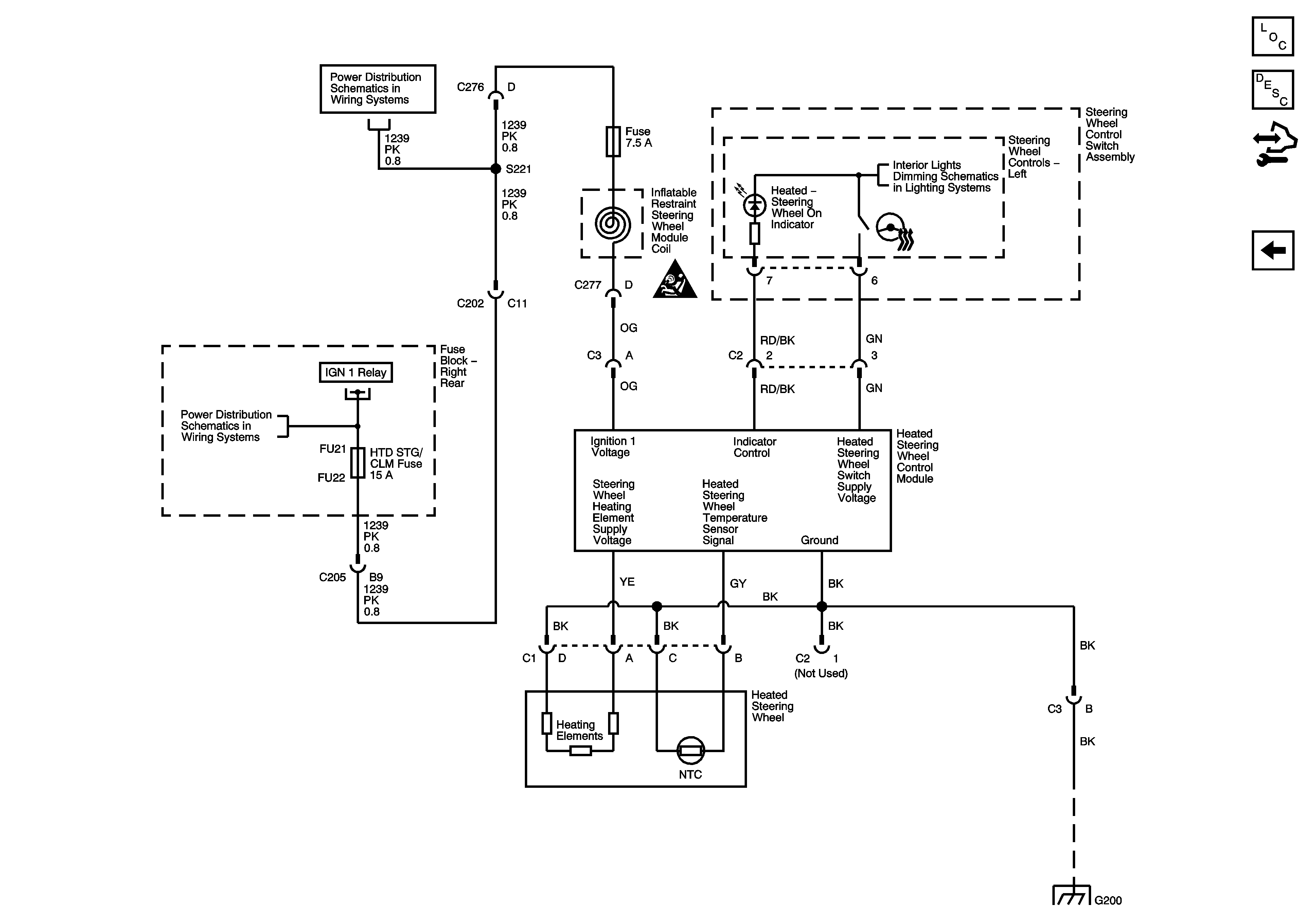
Heated Steering Wheel Schematics
Heated Steering Wheel (w/ KA1)
Master Electrical Component List
Steering Wheel and Column Description and Operation
Control Module References
Steering Wheel Control Switch Assembly
Column/Ignition Lock Schematics
Fuse Block - Right Rear Bussing
Steering Wheel and Column Schematic Icons
G200 (2 of 2)