GM Service Manual Online
For 1990-2009 cars only
Makes
🢒
Cadillac
🢒
2006
🢒
STS
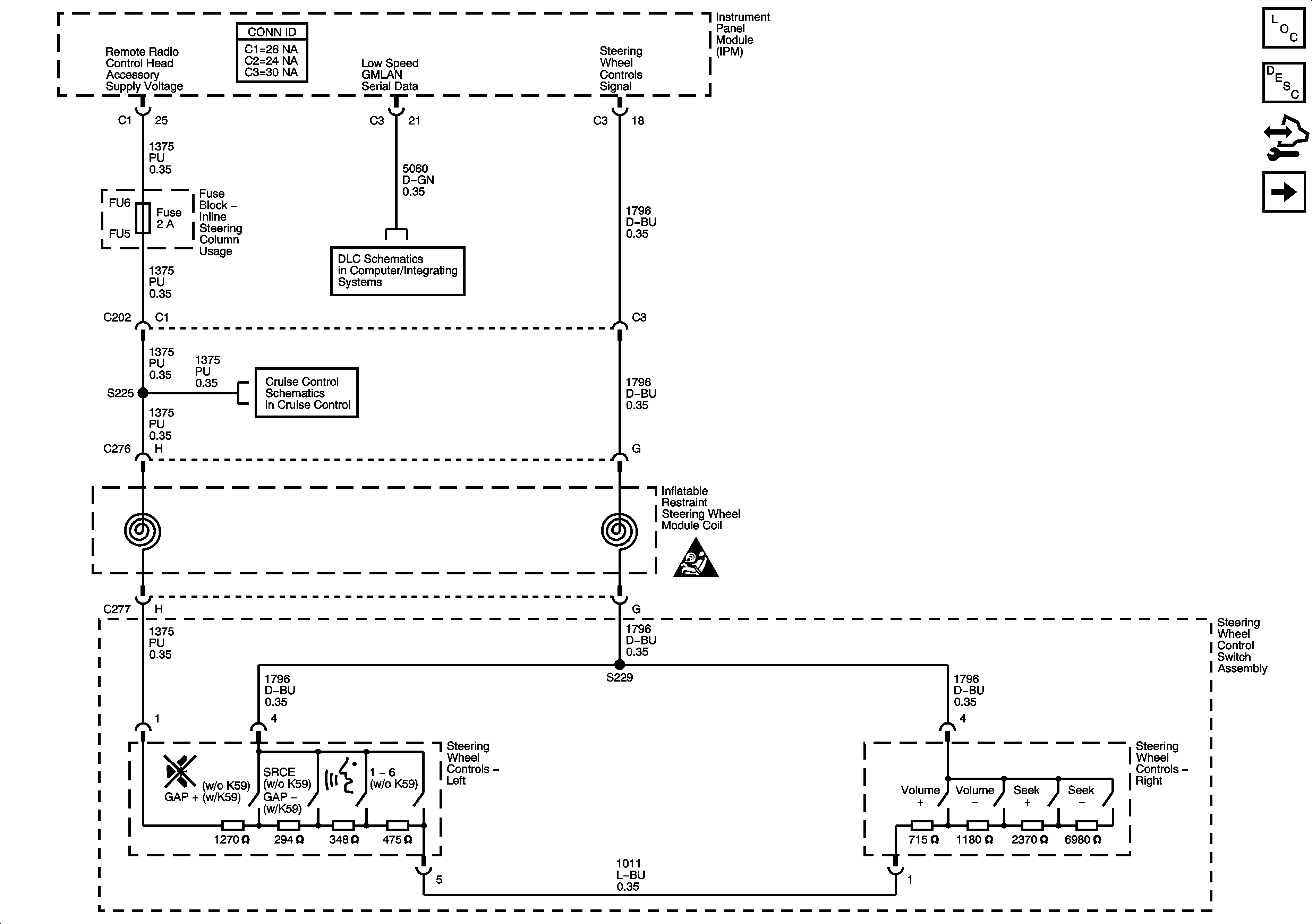
🢒 Steering Wheel Control Switch Assembly
Steering Wheel Control Switch Assembly
Steering Wheel Control Switch Assembly
Master Electrical Component List
Radio/Audio System Description and Operation
Control Module References
Heated Steering Wheel Schematics
GMLAN Low Speed (2 of 2)
Cruise Control Switch
Steering Wheel and Column Schematic Icons