GM Service Manual Online
For 1990-2009 cars only
Makes
🢒
Cadillac
🢒
2007
🢒
STS
🢒
Diagnostic Navigation
🢒
Vehicle Diagnostic Information
🢒 Immobilizer Schematics
Figure
1:
Master Electrical Component List
Immobilizer Description and Operation
Control Module References
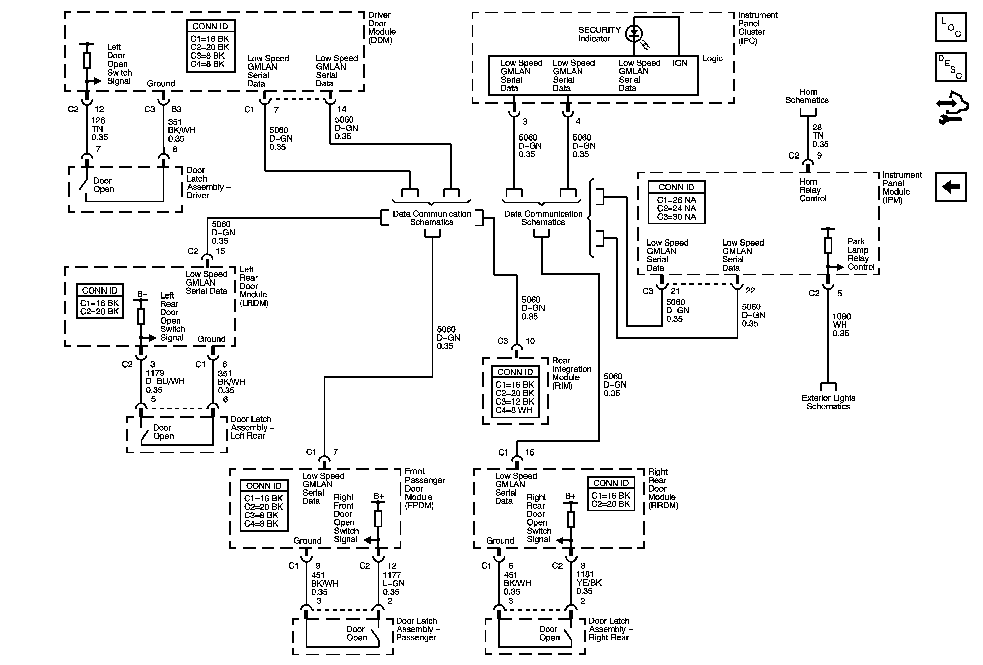
Door Modules and Horn
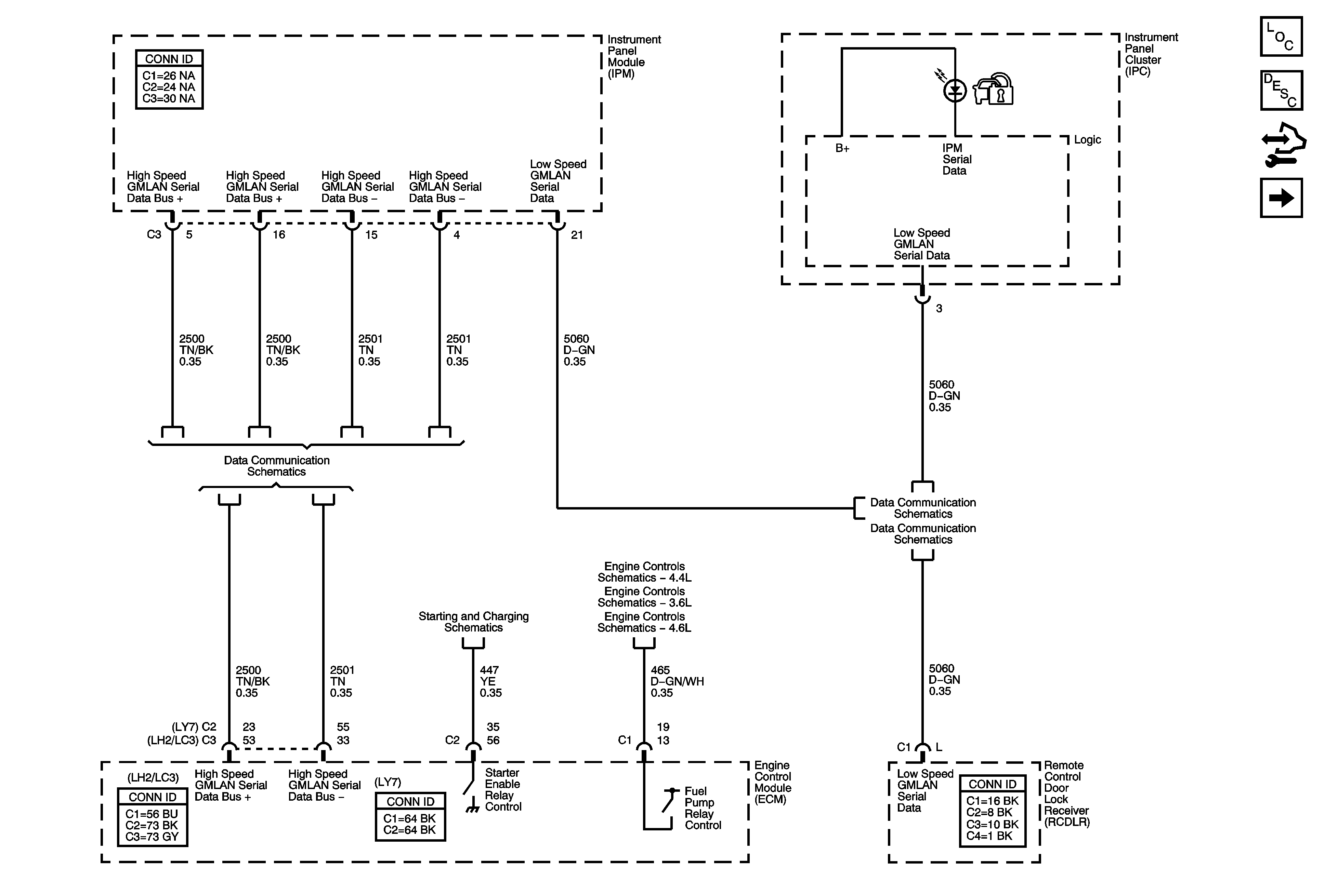
GM LAN - High Speed, Domestic w/ UE1
Starting System - LY7
Fuel Controls - Injectors and Pump
Fuel Controls - Fuel Pump and Injectors
Fuel Controls - Injector and Pump
GM LAN - Low Speed 2 of 2
GM LAN - Low Speed 1 of 2
Figure
2:
Door Modules and Horn
Master Electrical Component List
Immobilizer Description and Operation
Control Module References
Vehicle Theft Deterrent (VTD) System
GM LAN - Low Speed 1 of 2
GM LAN - Low Speed 2 of 2
07 STS Horn Schematics
Park Lamp Relay, Switch and Instrument Cluster - Domestic