GM Service Manual Online
For 1990-2009 cars only
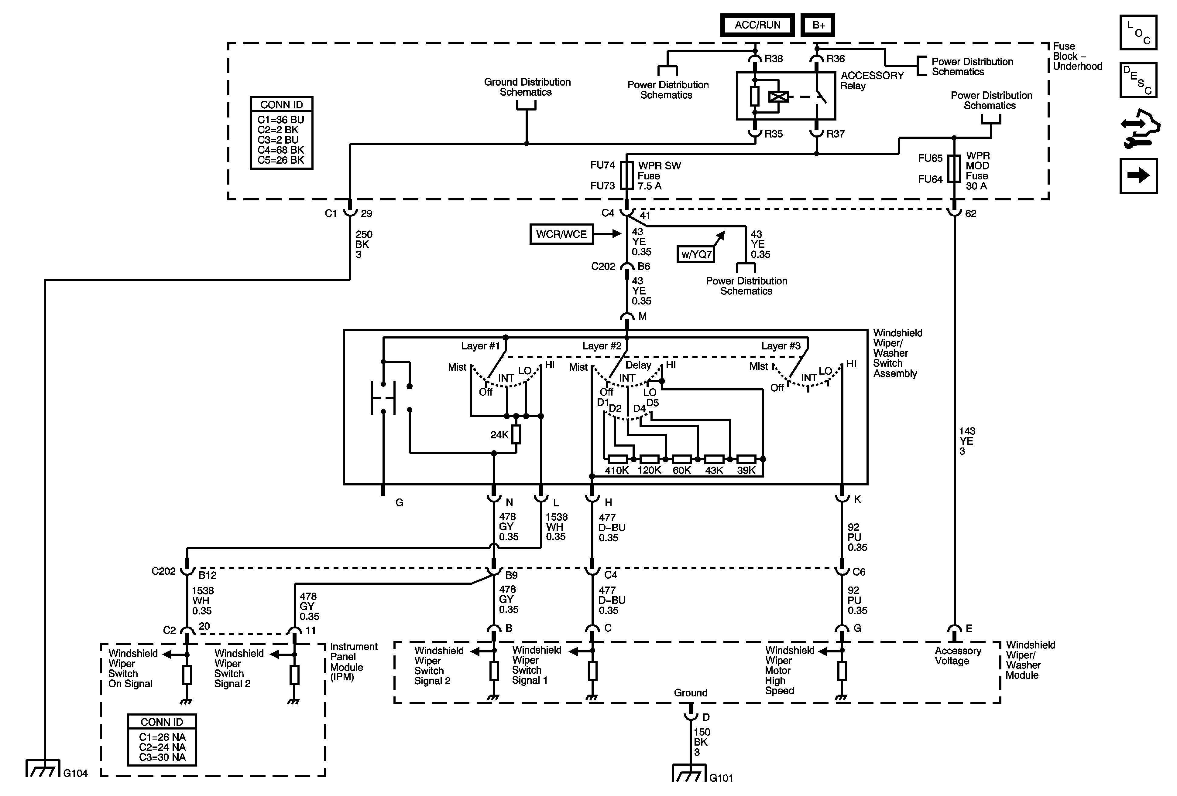
Figure 1:

Power, Grounds and Wiper Switch


Object Number: 1822848  Size: FS
Master Electrical Component List
Wiper/Washer System Description and Operation (STS)
Control Module References
Rain Sensor (CEI), Windshield Washer Pump and Headlamp Washer Pump w/ TT6/TT7/TT8
G104 (1 of 2)
Power Modes
Fuse Block Underhood Wiring Bussing
Fuse Block - Underhood Fuses/Relays: IPM/ALDL, Auto Headlamp Dimming, CCP, ECM/TCM, WPR MOD, WPR SW/VICS and Rain Sensor/HDLP Wash Fuses; ACC Relay
Traffic Information Receiver Module (VICS) - Japan Only
G104 (1 of 2)
G101
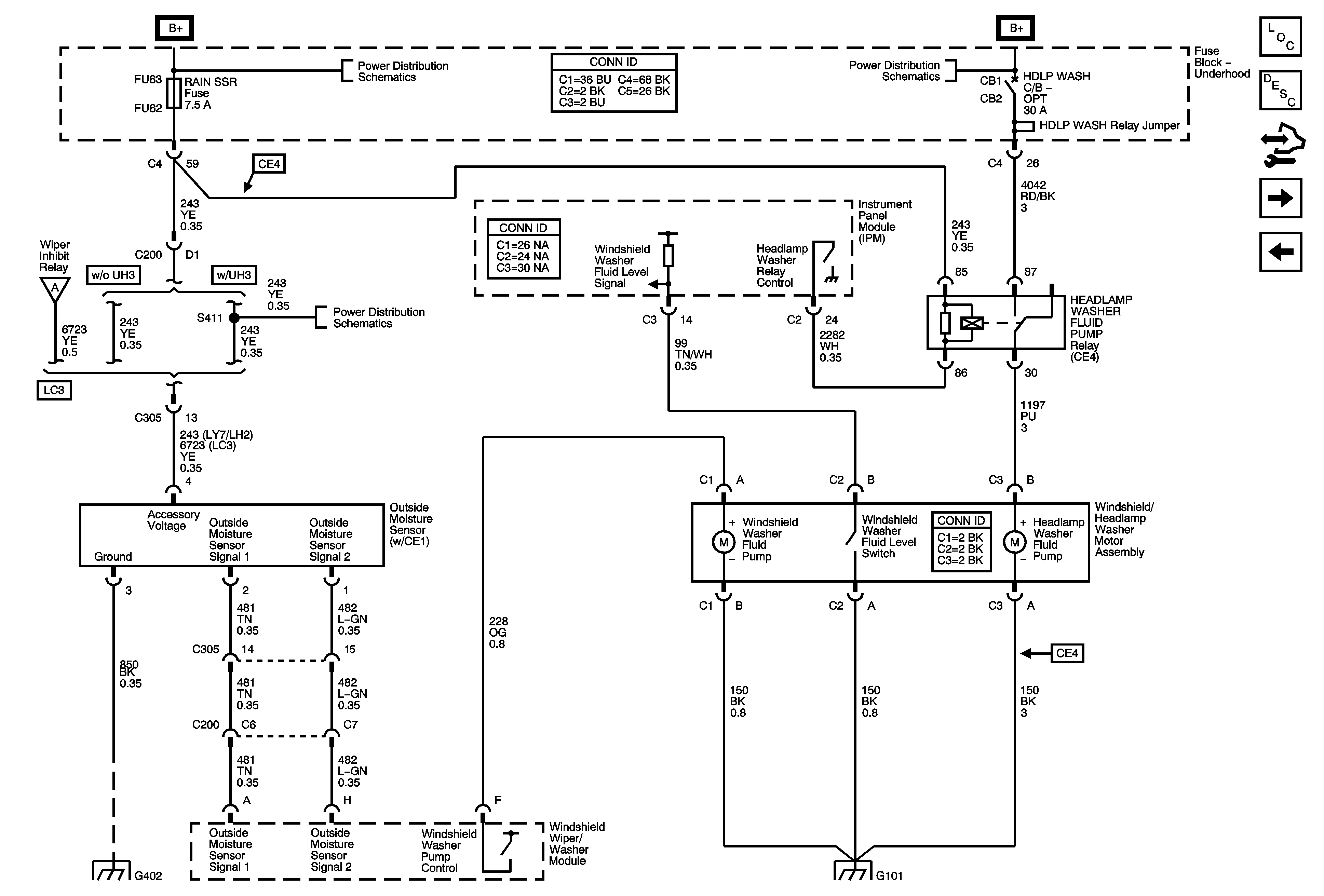
Figure 2:

Rain Sensor (CE1), Windshield Washer Pump and Headlamp Washer Pump W/TT6/TT7/TT8


Object Number: 1822854  Size: FS
Master Electrical Component List
Headlamp Washer System Description and Operation
Control Module References
Wiper Inhibit System (Export, STS-V)
Power, Grounds and Wiper Switch
Wiper Inhibit System (Export, STS-V)
Fuse Block Underhood Wiring Bussing
Japan
G402 (1 of 2)
Fuse Block Underhood Wiring Bussing
G101
Figure 3:

Wiper Inhibit System (Export, STS-V)


Object Number: 1822862  Size: FS
Master Electrical Component List
Wiper/Washer System Description and Operation (STS)
Control Module References
Heated Washer Nozzle w/ XA7
Rain Sensor (CEI), Windshield Washer Pump and Headlamp Washer Pump w/ TT6/TT7/TT8
Fuse Block Underhood Wiring Bussing
G104 (1 of 2)
Fuse Block Underhood Wiring Bussing
Fuse Block - Underhood Fuses/Relays: IPM/ALDL, Auto Headlamp Dimming, CCP, ECM/TCM, WPR MOD, WPR SW/VICS and Rain Sensor/HDLP Wash Fuses; ACC Relay
Fuse Block - Underhood Fuses/Relays: IPM/ALDL, Auto Headlamp Dimming, CCP, ECM/TCM, WPR MOD, WPR SW/VICS and Rain Sensor/HDLP Wash Fuses; ACC Relay
G104 (1 of 2)
G104 (1 of 2)
G402 (2 of 2)
G101
Figure 4:

Heated Washer Nozzles w/XA7


Object Number: 1822860  Size: FS
Master Electrical Component List
Wiper/Washer System Description and Operation (STS)
Control Module References
Wiper Inhibit System (Export, STS-V)
Fuse Block Underhood Wiring Bussing
Fuse Block Underhood Wiring Bussing
G104 (1 of 2)
Fuse Block - Underhood: Starter, RUN/CRANK Relays; Starter, Starter Relay, CCP, TCM/IPM/ECM, MAF, ABS and Washer Nozzle/ACC Fuses
G104 (1 of 2)
G101