GM Service Manual Online
For 1990-2009 cars only
Makes
🢒
Cadillac
🢒
2007
🢒
STS
🢒
Power and Signal Distribution
🢒
Wiring Systems and Power Management
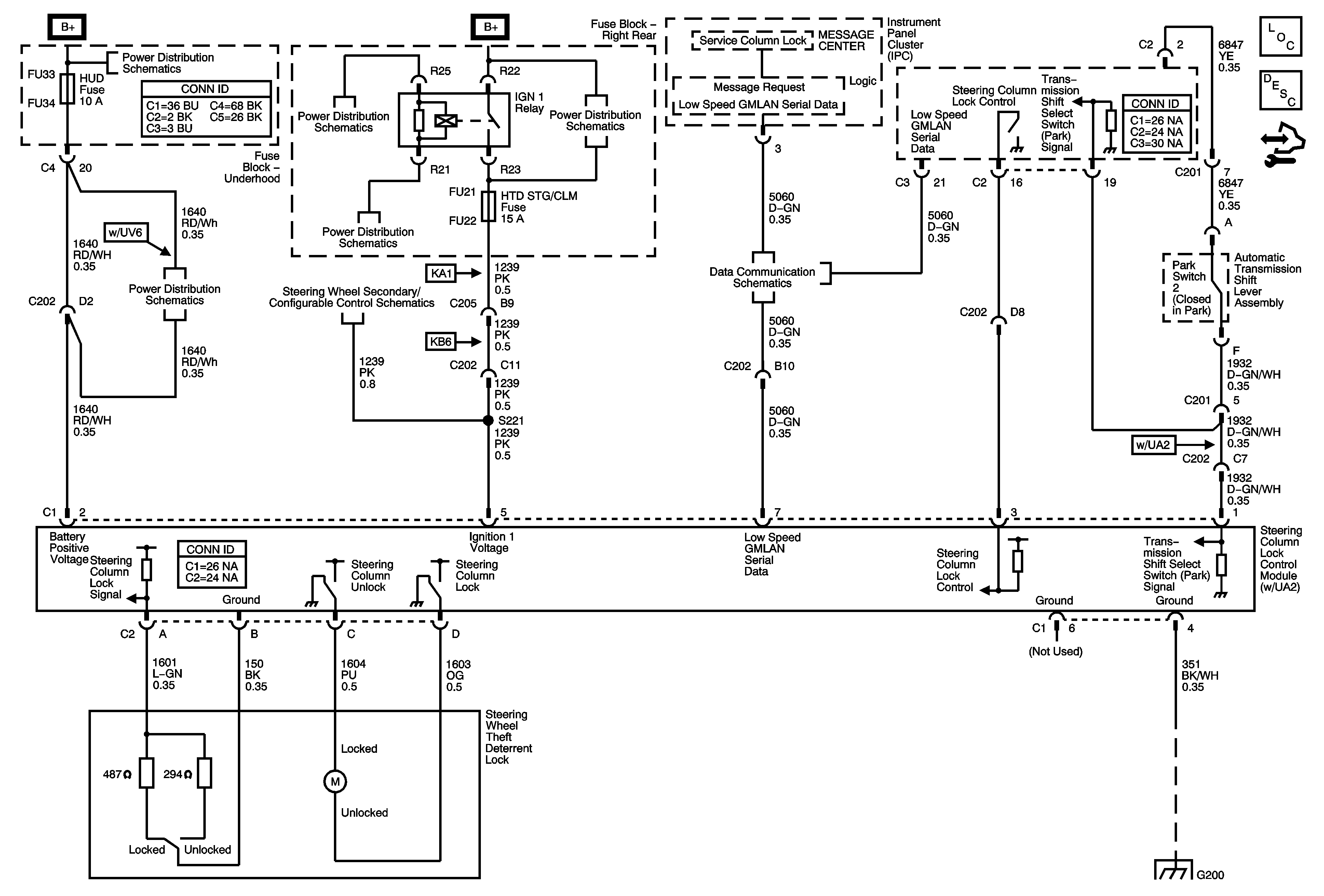
🢒 Ignition Lock Schematics
Master Electrical Component List
Power Mode Description and Operation
Control Module References
Fuse Block Underhood Wiring Bussing
G401 (2 of 2)
Ignition Mode Switch
Heated Steering Wheel (NR7/N31)
Fuse Block - Underhood: HUD, Front Blower, Comp Clutch, Fog Lamp, Horn Fuses, Hdlp Asher Circuit Breaker, Main Relay
Fuse Block - Right Rear - Lt Turn Signal, RIM 1, Rear Fog Lamp, Ft Pass Door Module, Htd Stg Clm, IGN 1, RIM 2 and Airbag Fuses, Rear Fog Lamp and Ign 1 Relays
GM LAN - Low Speed 2 of 2
G200 (2 of 2)