GM Service Manual Online
For 1990-2009 cars only
Makes
🢒
Cadillac
🢒
2007
🢒
STS
🢒
Seats
🢒
Power Seats
🢒 Passenger Seat Schematics
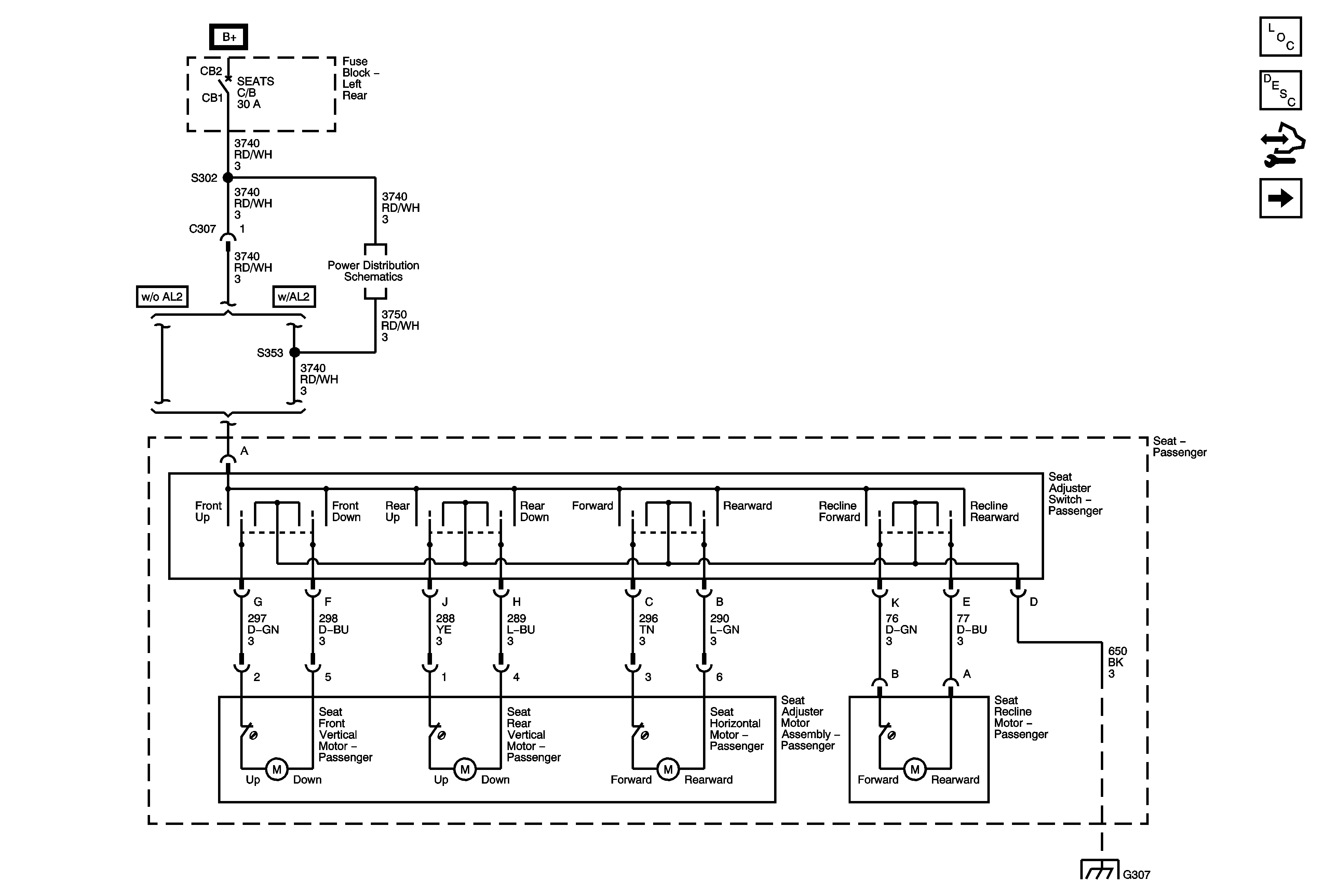
Figure
1:
Power Seat
Master Electrical Component List
Power Seats System Description and Operation (Without Memory A45)
Control Module References
Lumbar Switch and Motors
Fuse Block - Left Rear: Seats Circuit Breaker
G307 (LHD)
Figure
2:
Lumbar Switch and Motors
Master Electrical Component List
Power Seats System Description and Operation (Without Memory A45)
Control Module References
Power Seat
Fuse Block - Left Rear: Seats Circuit Breaker
G307 (LHD)