GM Service Manual Online
For 1990-2009 cars only
Makes
🢒
Cadillac
🢒
2007
🢒
STS
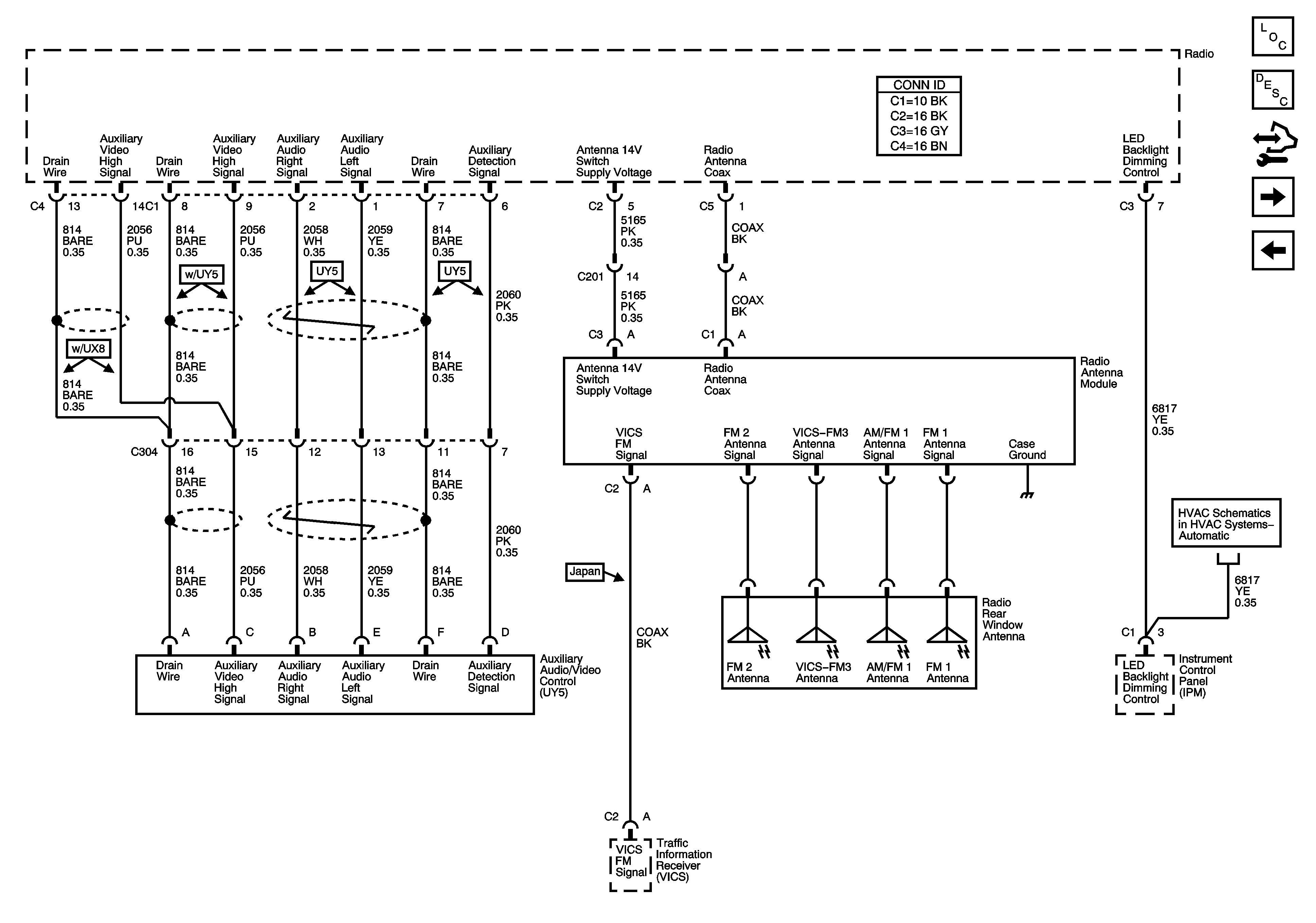
🢒 Radio and VICS Antennas, Audio/Video Adapter
Radio and VICS Antennas, Audio/Video Adapter
Radio and VICS Antennas, Audio/Video Adapter
Master Electrical Component List
Navigation System Description and Operation
Control Module References
TV Tuner Assembly - Export
Traffic Information Receiver (VICS) Module - Japan
Air Quality Sensor, Rear Mode Motor