GM Service Manual Online
For 1990-2009 cars only
Makes
🢒
Cadillac
🢒
2007
🢒
STS
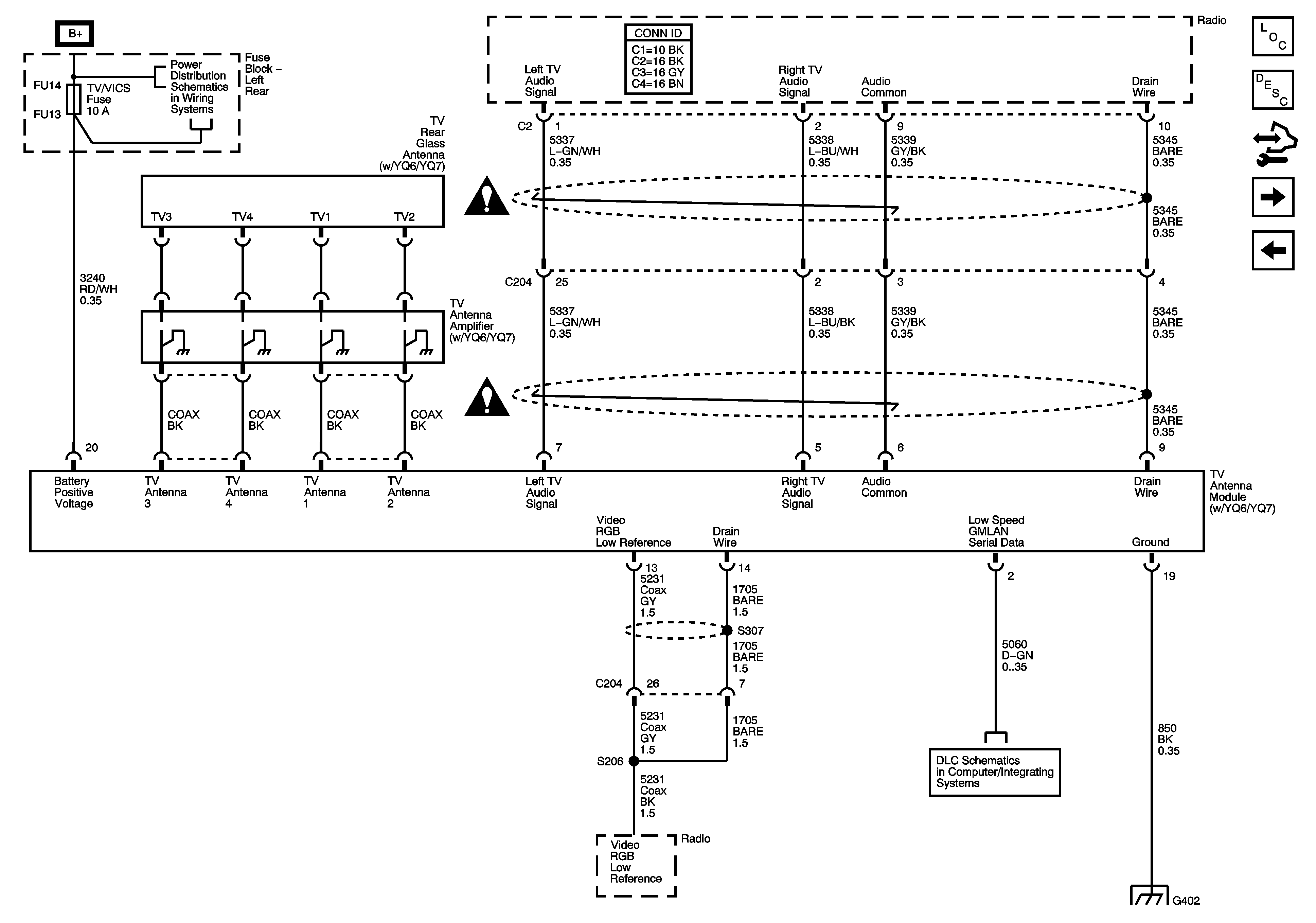
🢒 TV Tuner Assembly - Export
TV Tuner Assembly - Export
TV Tuner Assembly - Export
Master Electrical Component List
Navigation System Description and Operation
Control Module References
Microphone, VSS and GPS Antenna
Radio and VICS Antennas, Audio/Video Adapter
Fuse Block Left Rear: TV/VICS, ELC SOL, ESC Module, Driver Door Module, Rear Door Module, Theft/Shifter and AMP Fuses
Navigation System Schematic Icons
Navigation System Schematic Icons
GMLAN Low Speed (1 of 2)
G402 (2 of 2)