GM Service Manual Online
For 1990-2009 cars only
Makes
🢒
Cadillac
🢒
2007
🢒
STS
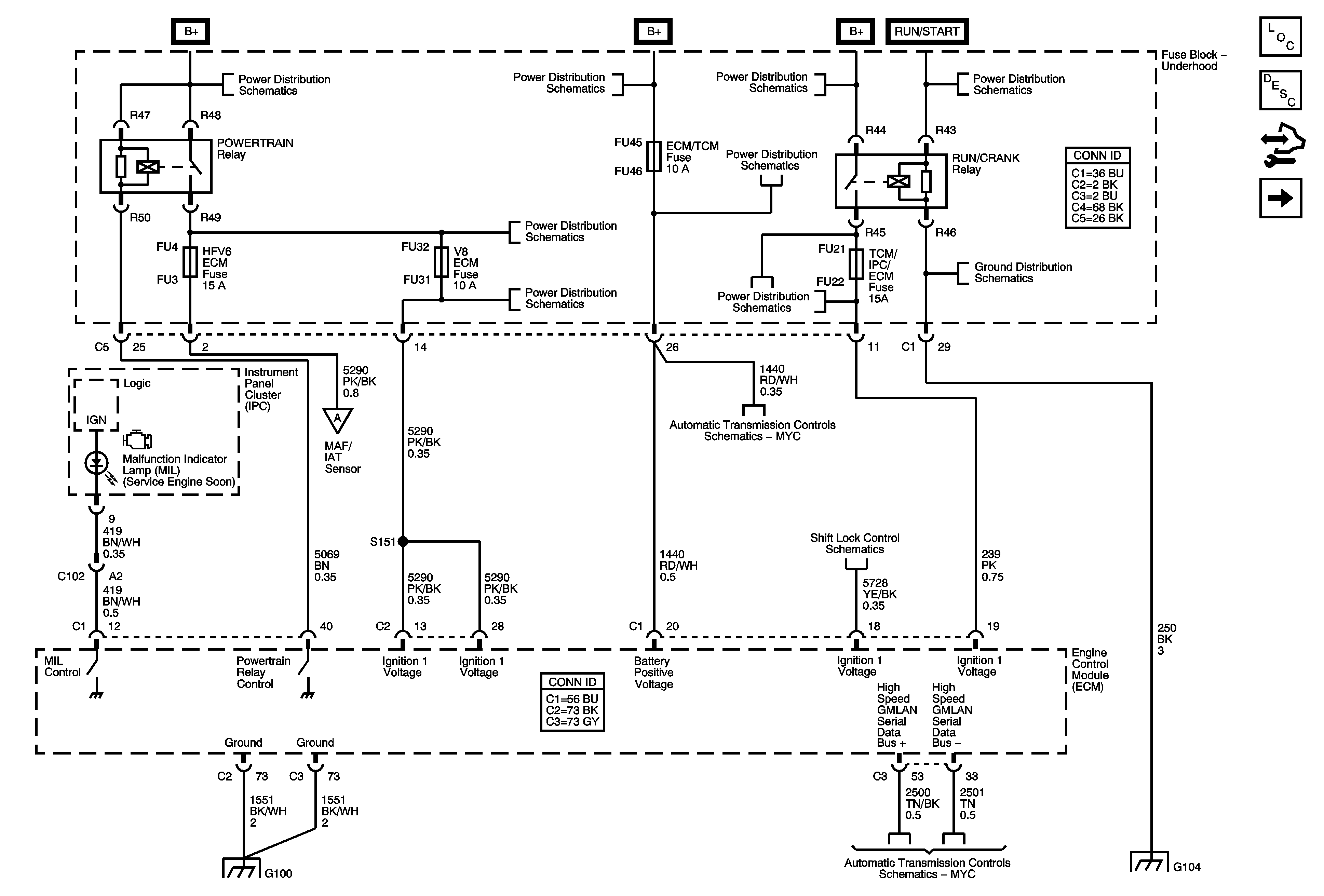
🢒 ECM. Power, Ground, Serial Data, and MIL
ECM. Power, Ground, Serial Data, and MIL
ECM Power, Ground, Serial Data, and MIL
Master Electrical Component List
Engine Control Module Description
Control Module References
Engine Data Sensors - 5-Volt and Low Reference
Fuse Block Underhood Wiring Bussing
Fuse Block Underhood Wiring Bussing
Fuse Block Underhood Wiring Bussing
Fuse Block - Right Rear - Lt Turn Signal, RIM 1, Rear Fog Lamp, Ft Pass Door Module, Htd Stg Clm, IGN 1, RIM 2 and Airbag Fuses, Rear Fog Lamp and Ign 1 Relays
Fuse Block - Underhood Fuses/Relays: IPM/ALDL, Auto Headlamp Dimming, CCP, ECM/TCM, WPR MOD, WPR SW/VICS and Rain Sensor/HDLP Wash Fuses; ACC Relay
Fuse Block Underhood Wiring Bussing
Fuse Block - Underhood: Main, Low Speed, Hi Speed, and S/P Fan Relays, V8 ECM, PRE O2/CAM, HFV6 ECM, Low Speed Fan, Hi Speed Fan Fuses
Fuse Block - Underhood: Starter, RUN/CRANK Relays; Starter, Starter Relay, CCP, TCM/IPM/ECM, MAF, ABS and Washer Nozzle/ACC Fuses
G104 (1 of 2)
Engine Data Sensors - Pressure, Temperature, MAF, VSS
Power, Grounds, ECM, IPM
Automatic Transmission Shift Lock Control Schematics
G100 (LH2/LC3)
ECM, EBCM
G104 (1 of 2)