GM Service Manual Online
For 1990-2009 cars only
Makes
🢒
Cadillac
🢒
2007
🢒
STS
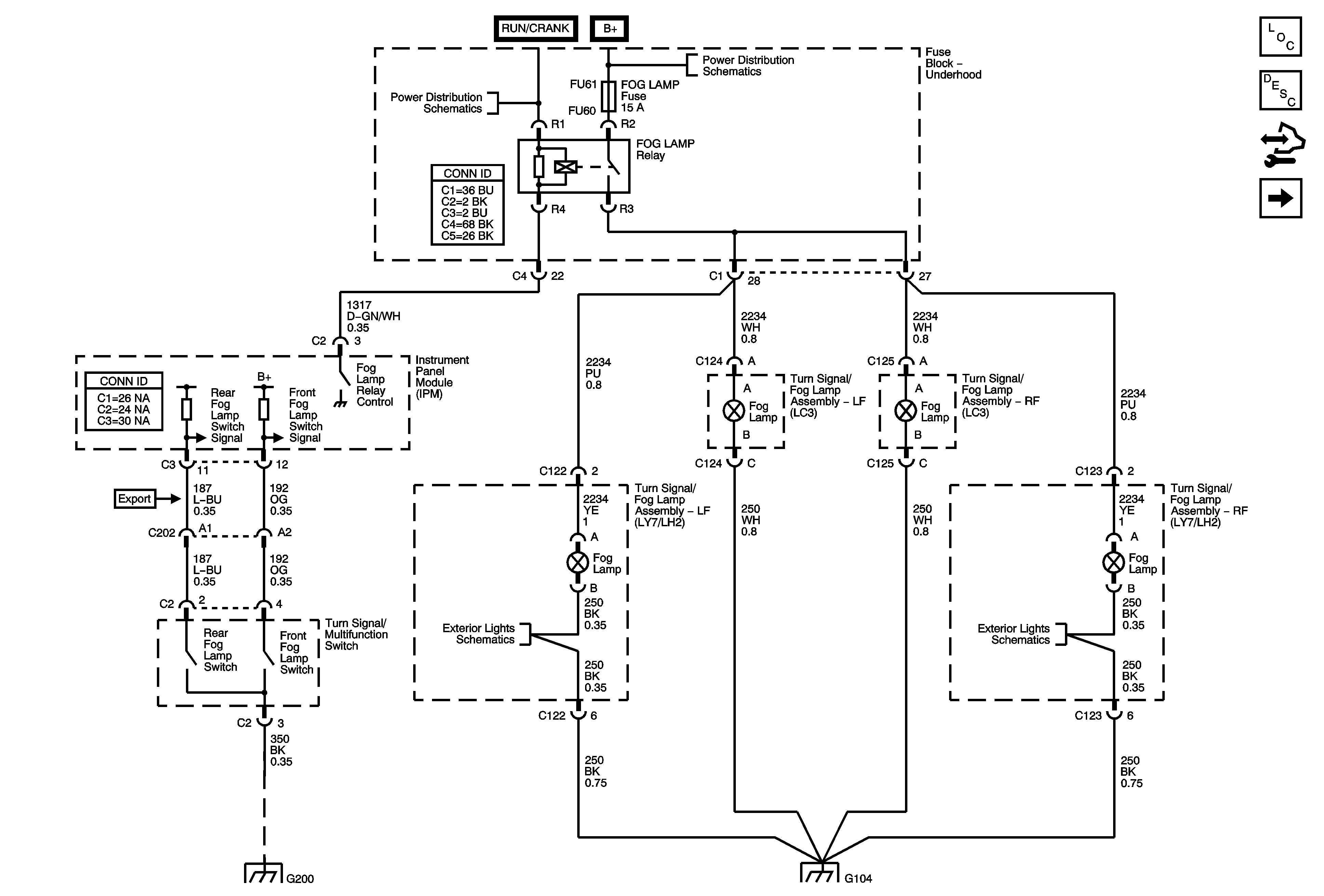
🢒 Front Fog Lamps
Front Fog Lamps
Front Fog Lamps
Master Electrical Component List
Exterior Lighting Systems Description and Operation
Control Module References
Rear Fog Lamps - Export
Fuse Block - Right Rear - Lt Turn Signal, RIM 1, Rear Fog Lamp, Ft Pass Door Module, Htd Stg Clm, IGN 1, RIM 2 and Airbag Fuses, Rear Fog Lamp and Ign 1 Relays
Fuse Block Underhood Wiring Bussing
Front Turn Signal and Repeater Lamps, Hazard Switch - Domestic and Export
G200 (2 of 2)
G104 (1 of 2)
Front Turn Signal and Repeater Lamps, Hazard Switch - Domestic and Export