GM Service Manual Online
For 1990-2009 cars only
Makes
🢒
Cadillac
🢒
2007
🢒
STS
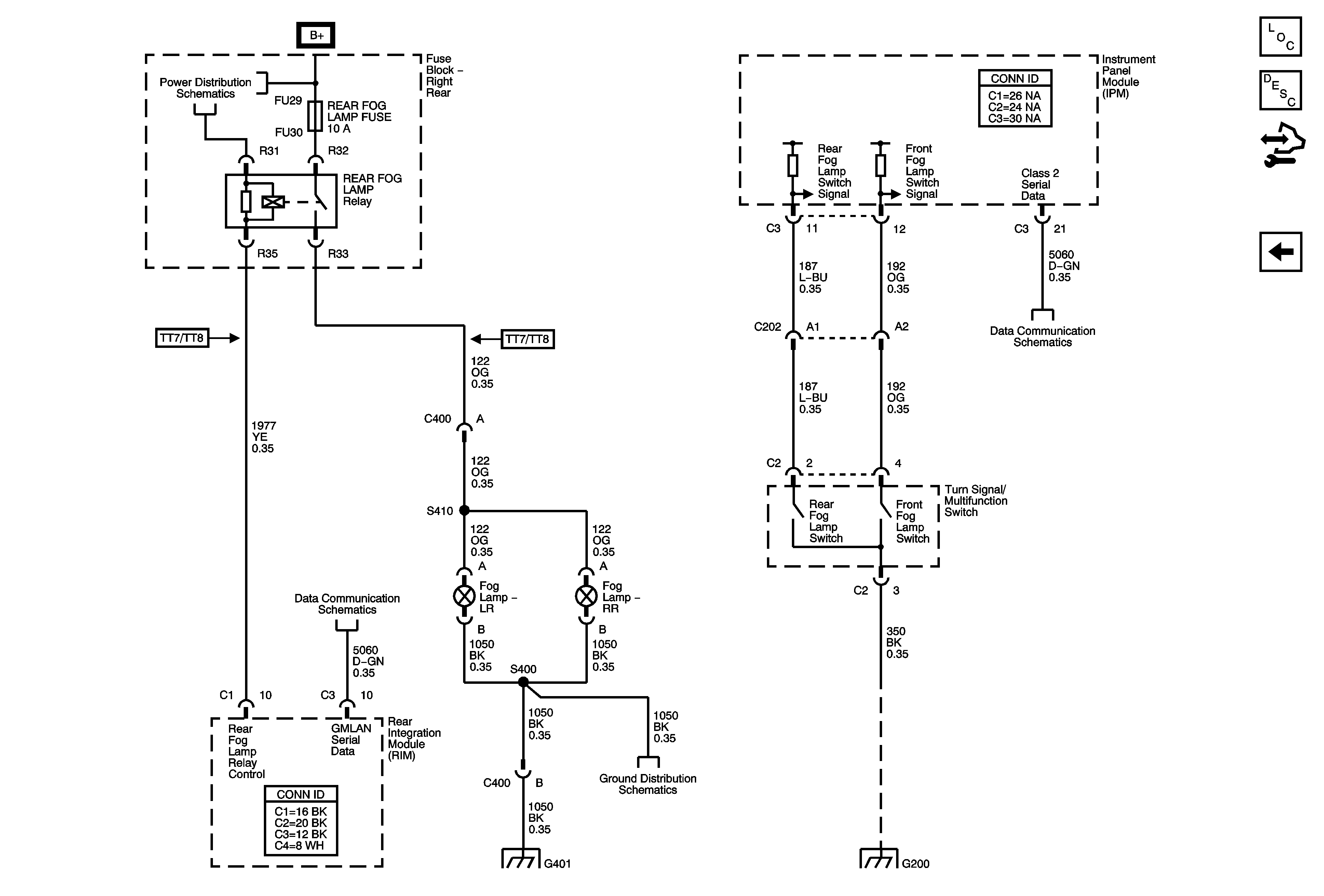
🢒 Rear Fog Lamps - Export
Rear Fog Lamps - Export
Rear Fog Lamps - Export
Master Electrical Component List
Exterior Lighting Systems Description and Operation
Control Module References
Front Fog Lamps
Fuse Block - Right Rear - Lt Turn Signal, RIM 1, Rear Fog Lamp, Ft Pass Door Module, Htd Stg Clm, IGN 1, RIM 2 and Airbag Fuses, Rear Fog Lamp and Ign 1 Relays
GM LAN - Low Speed 1 of 2
G401 (2 of 2)
G401 (2 of 2)
G200 (2 of 2)
GM LAN - Low Speed 2 of 2