GM Service Manual Online
For 1990-2009 cars only
Makes
🢒
Cadillac
🢒
2007
🢒
STS
🢒 Courtesy Lamps
Courtesy Lamps
Courtesy Lamps
Master Electrical Component List
Exterior Lighting Systems Description and Operation
Control Module References
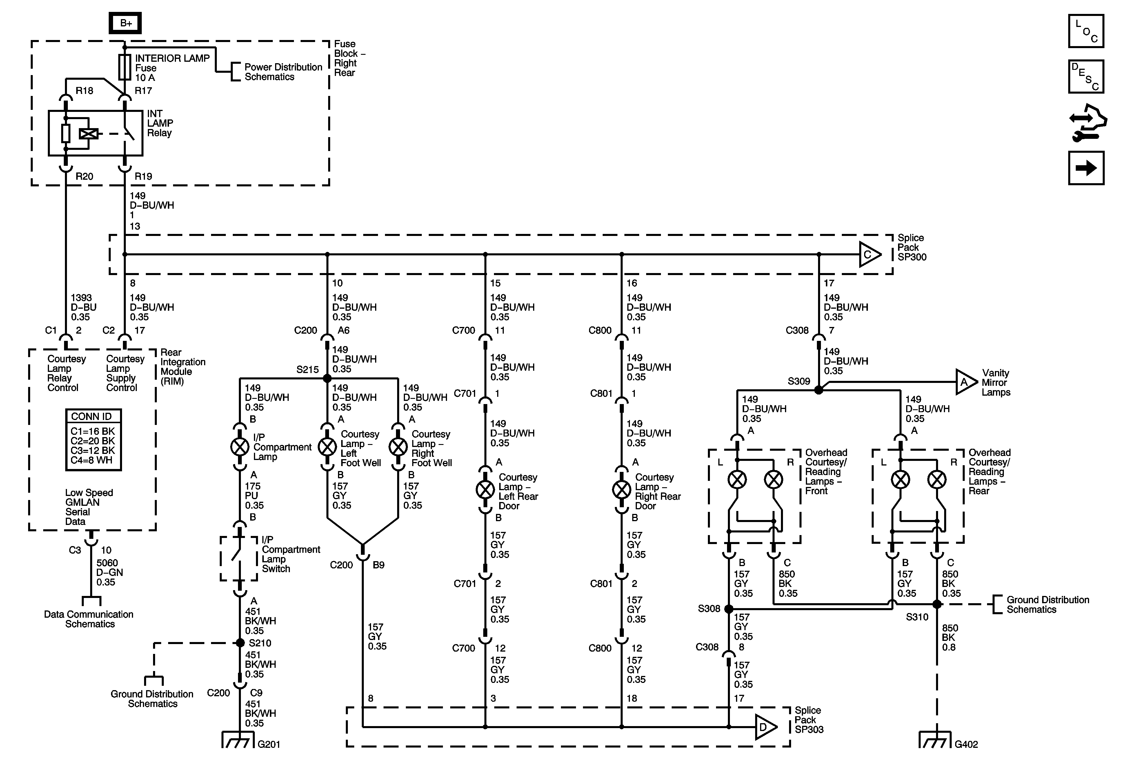
Vanity Mirror and Rear Compartment Lamps
Fuse Block - Right Rear Bussing
GM LAN - Low Speed 1 of 2
G201 (2 of 2)
G201 (2 of 2)
Vanity Mirror and Rear Compartment Lamps
Vanity Mirror and Rear Compartment Lamps
G402 (1 of 2)
Vanity Mirror and Rear Compartment Lamps
G402 (1 of 2)