GM Service Manual Online
For 1990-2009 cars only
Makes
🢒
Cadillac
🢒
2007
🢒
STS
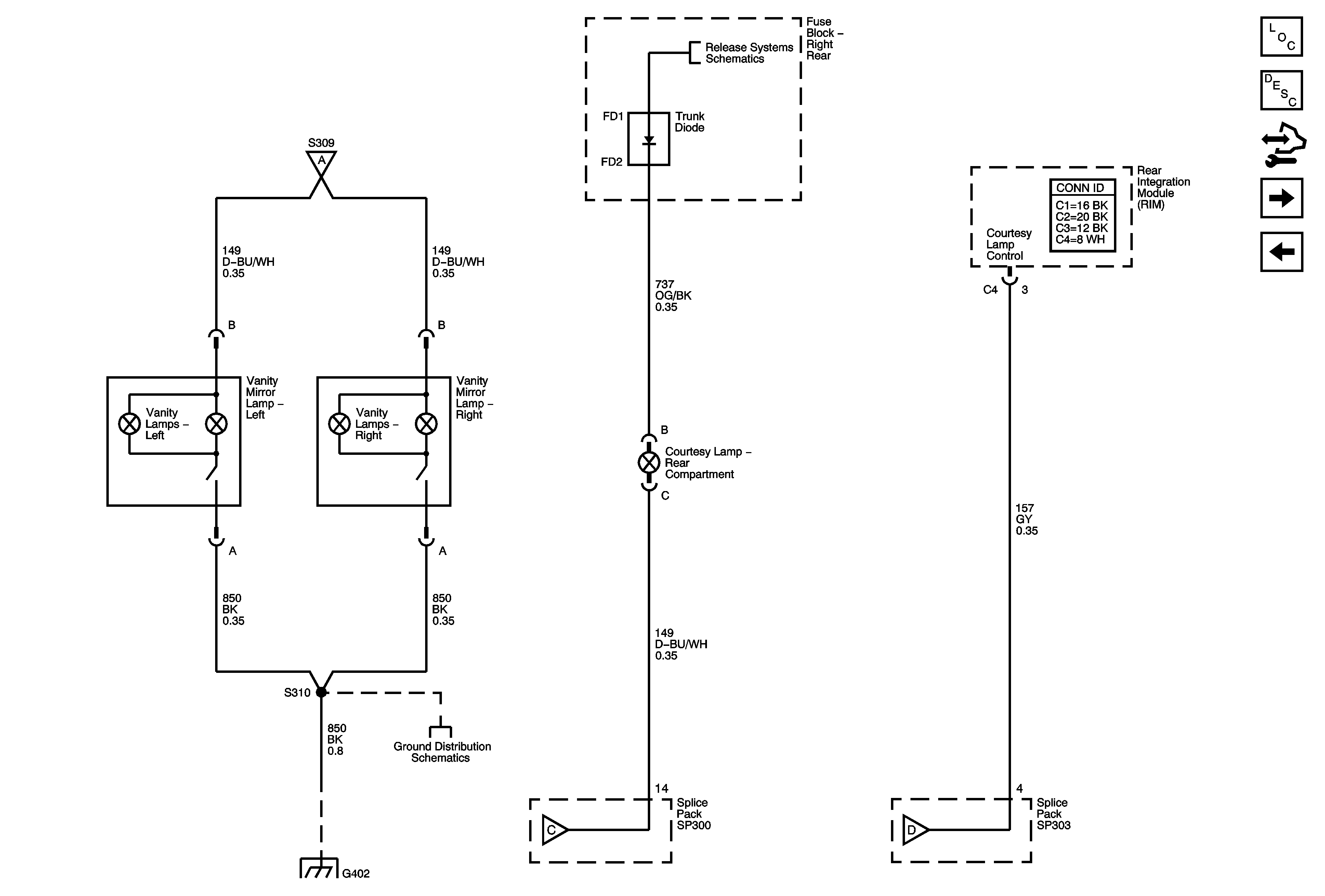
🢒 Vanity Mirror and Rear Compartment Lamps
Vanity Mirror and Rear Compartment Lamps
Vanity Mirror and Rear Compartment Lamps
Master Electrical Component List
Exterior Lighting Systems Description and Operation
Control Module References
Front Door Puddle Lamps, DIC/Dimmer Switch
Courtesy Lamps
Courtesy Lamps
Release System Schematics
G402 (1 of 2)
Courtesy Lamps
Courtesy Lamps