GM Service Manual Online
For 1990-2009 cars only
Makes
🢒
Cadillac
🢒
2007
🢒
STS
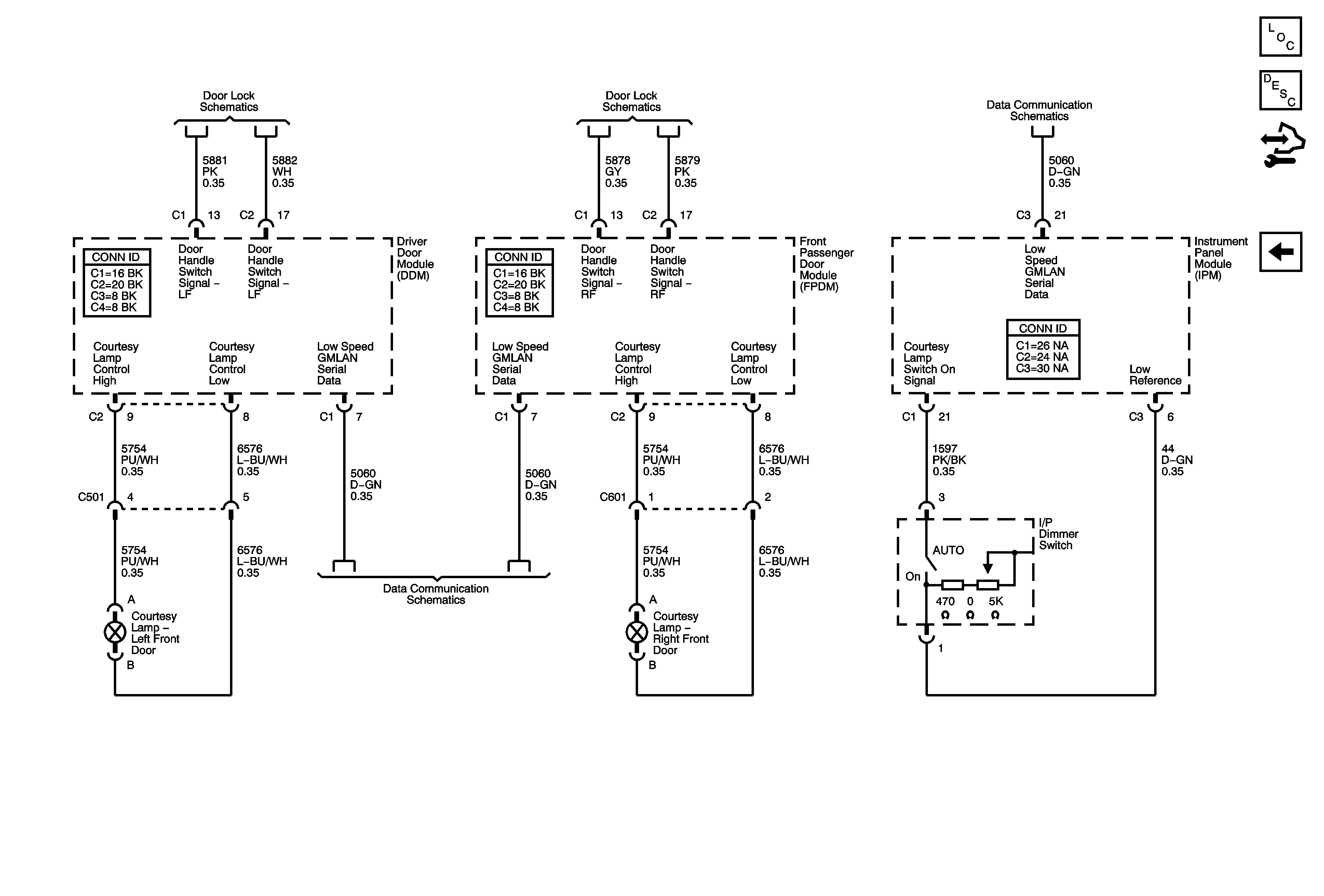
🢒 Front Door Puddle Lamps, DIC/Dimmer Switch
Front Door Puddle Lamps, DIC/Dimmer Switch
Front Door Puddle Lamps, DIC/Dimmer Switch
Master Electrical Component List
Exterior Lighting Systems Description and Operation
Control Module References
Vanity Mirror and Rear Compartment Lamps
Left Front Door Handle Assembly, Door Status Indicator - Driver
Right Front Door Handle Assembly, Door Status Indicator - Passenger
GM LAN - Low Speed 2 of 2
GM LAN - Low Speed 1 of 2