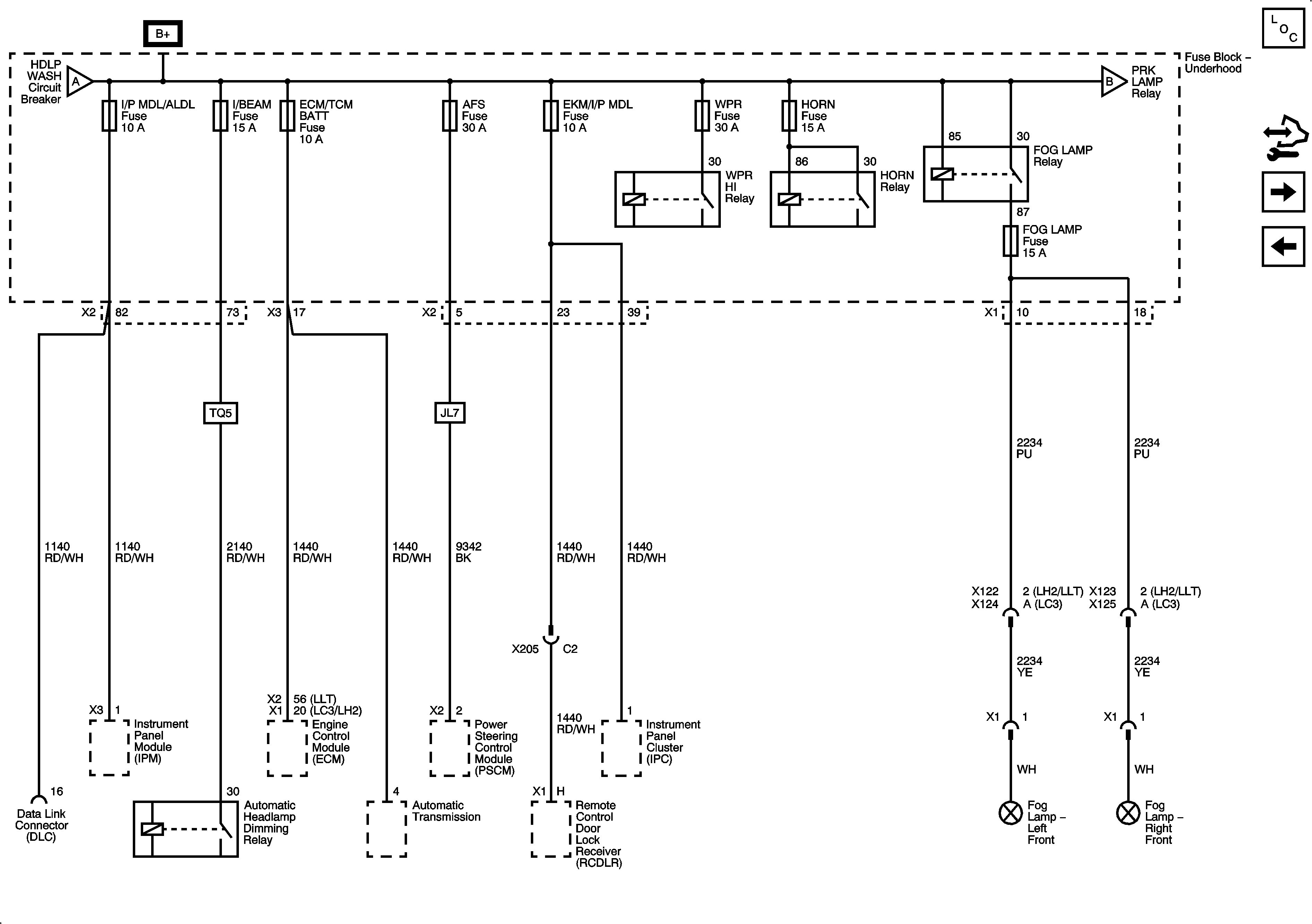
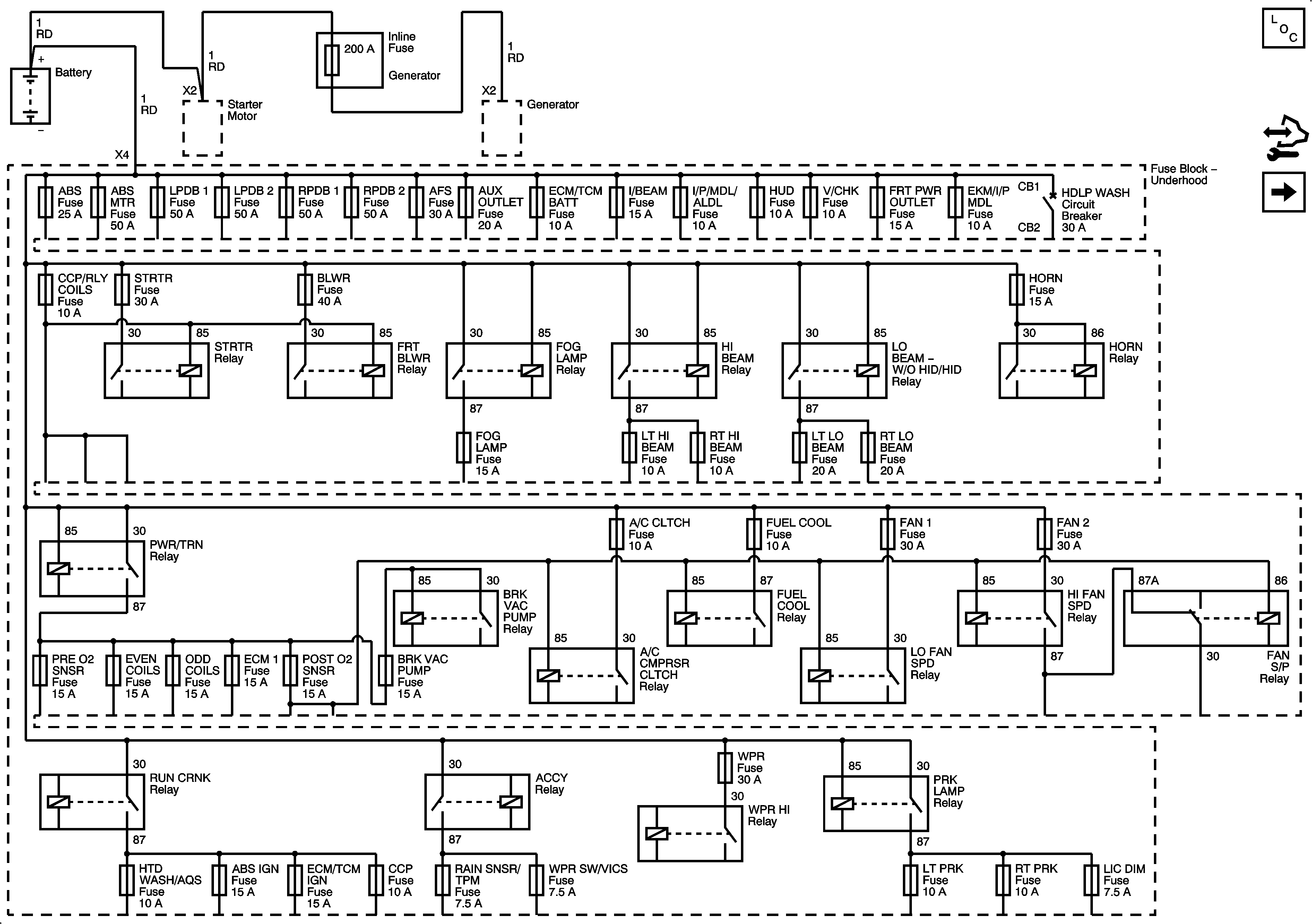
| Figure 1: |
Fuse Block - Underhood Bussing
|
| Figure 2: |
Fuse Block - Left Rear Bussing
|
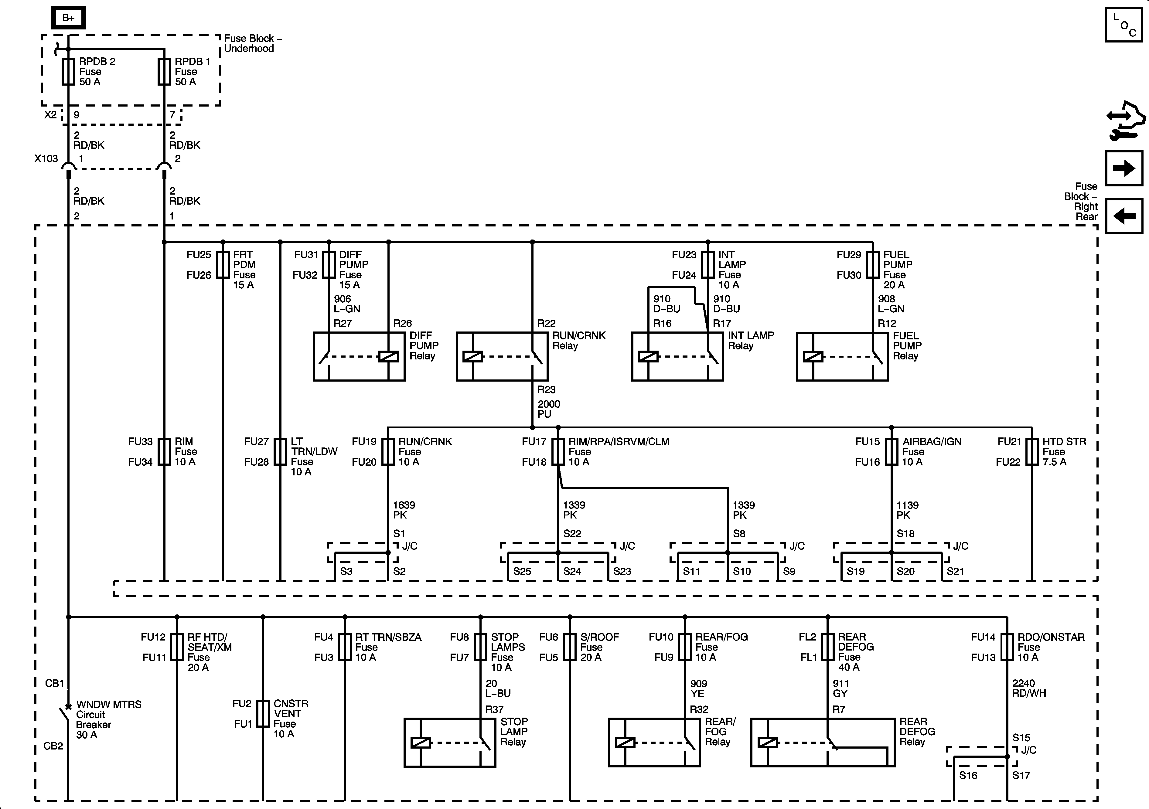
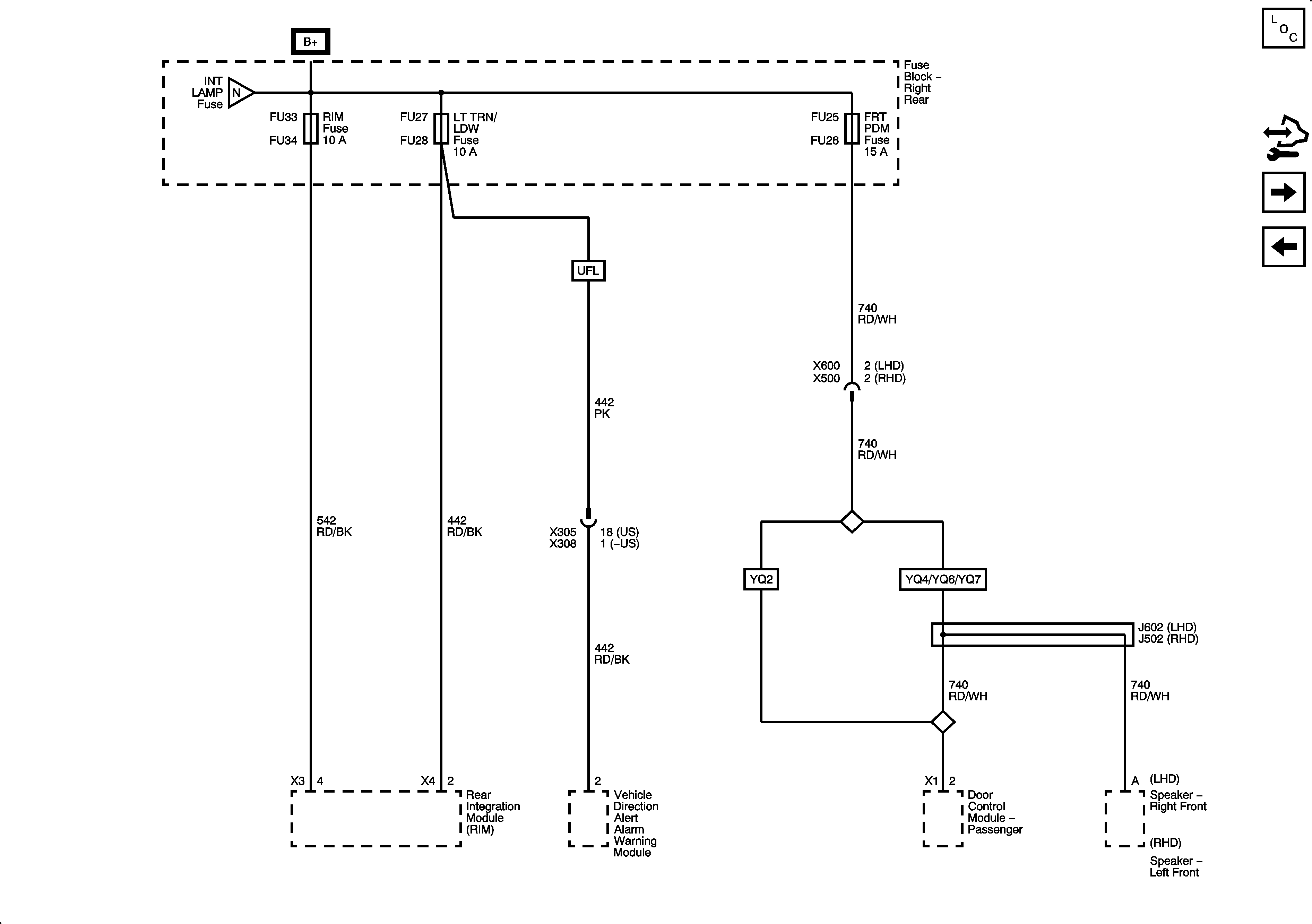
| Figure 3: |
Fuse Block - Right Rear Bussing
|
| Figure 4: |
ABS, ABS MTR, AUX OUTLET, FRT PWR OUTLET, HUD, and V/CHK Fuses, HDLP WASH Circuit Breaker
|
| Figure 5: |
AFS, ECM/TCM BATT, EKM/I/P, FOG LAMP, HORN, I/BEAM, I/P MDL/ALDL, and WPR Fuses
|
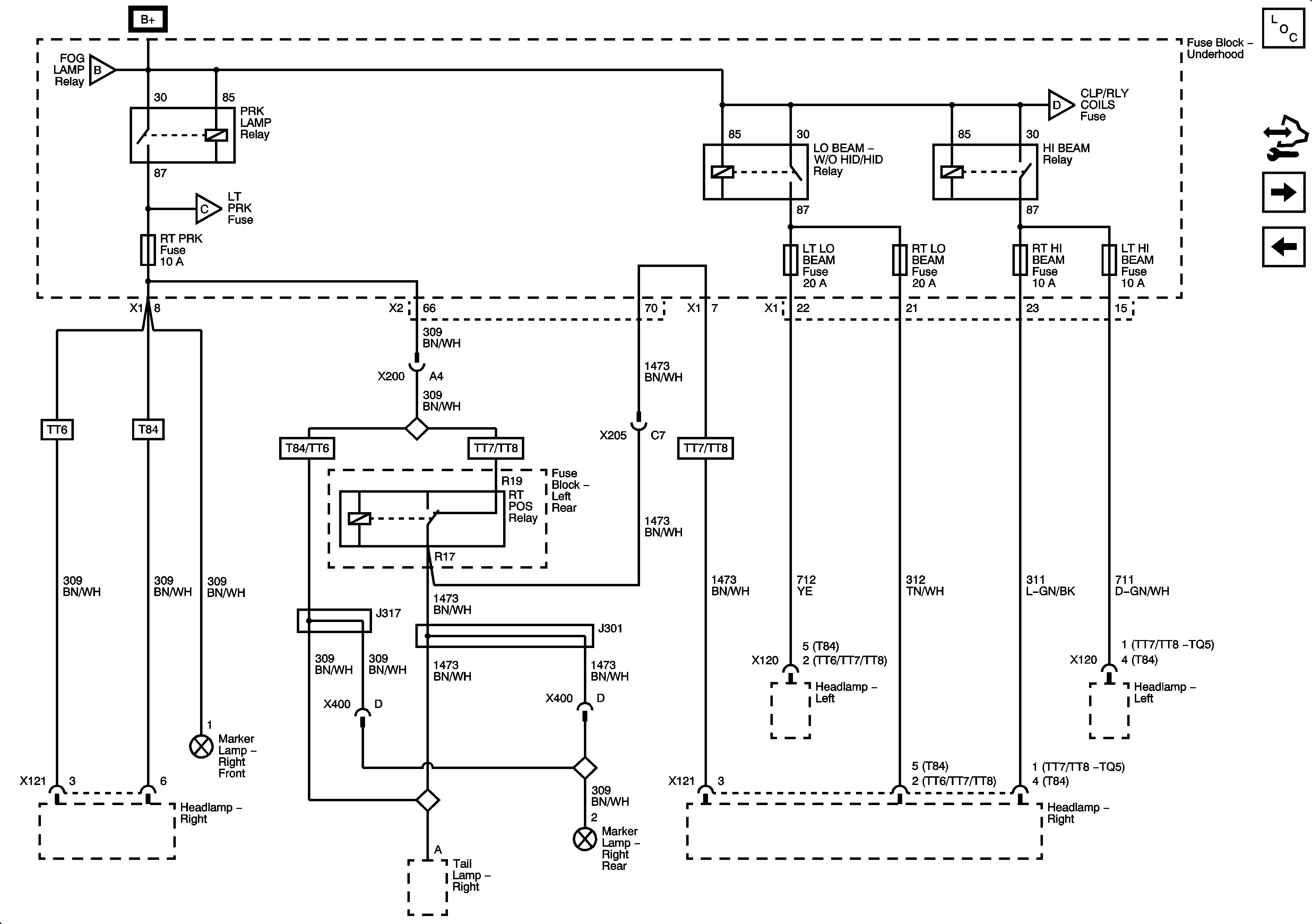
| Figure 6: |
LT HI BEAM, LT LO BEAM, RT HI BEAM, RT LO BEAM, and RT PRK Fuses
|
| Figure 7: |
LIC DIM and LT PRK Fuses
|
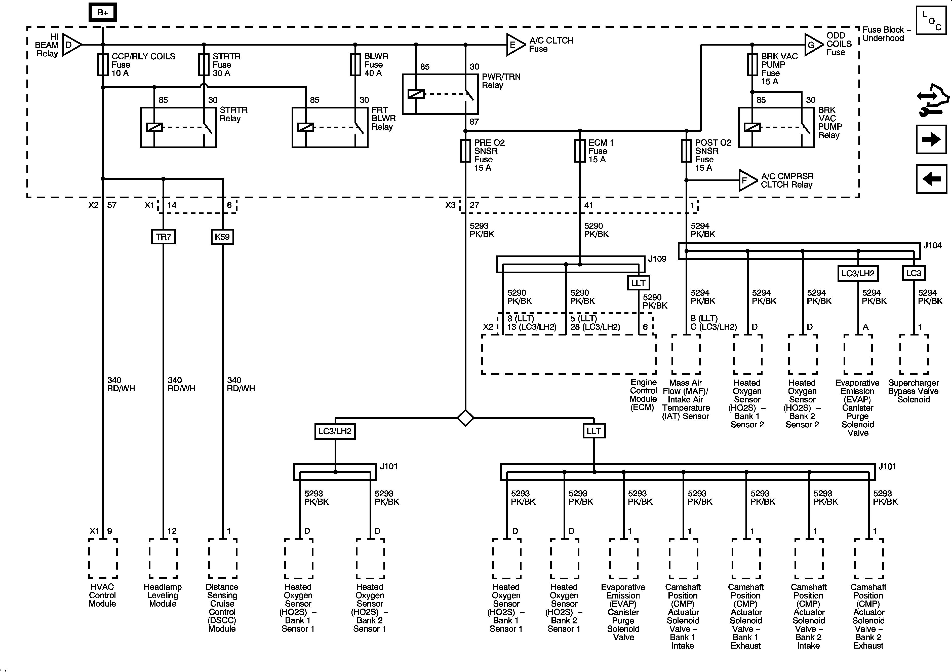
| Figure 8: |
BLWR, BRK VAC PUMP, CCP/RLY/COILS, ECM 1, POST O2, PRE O2, and STRTR Fuses
|
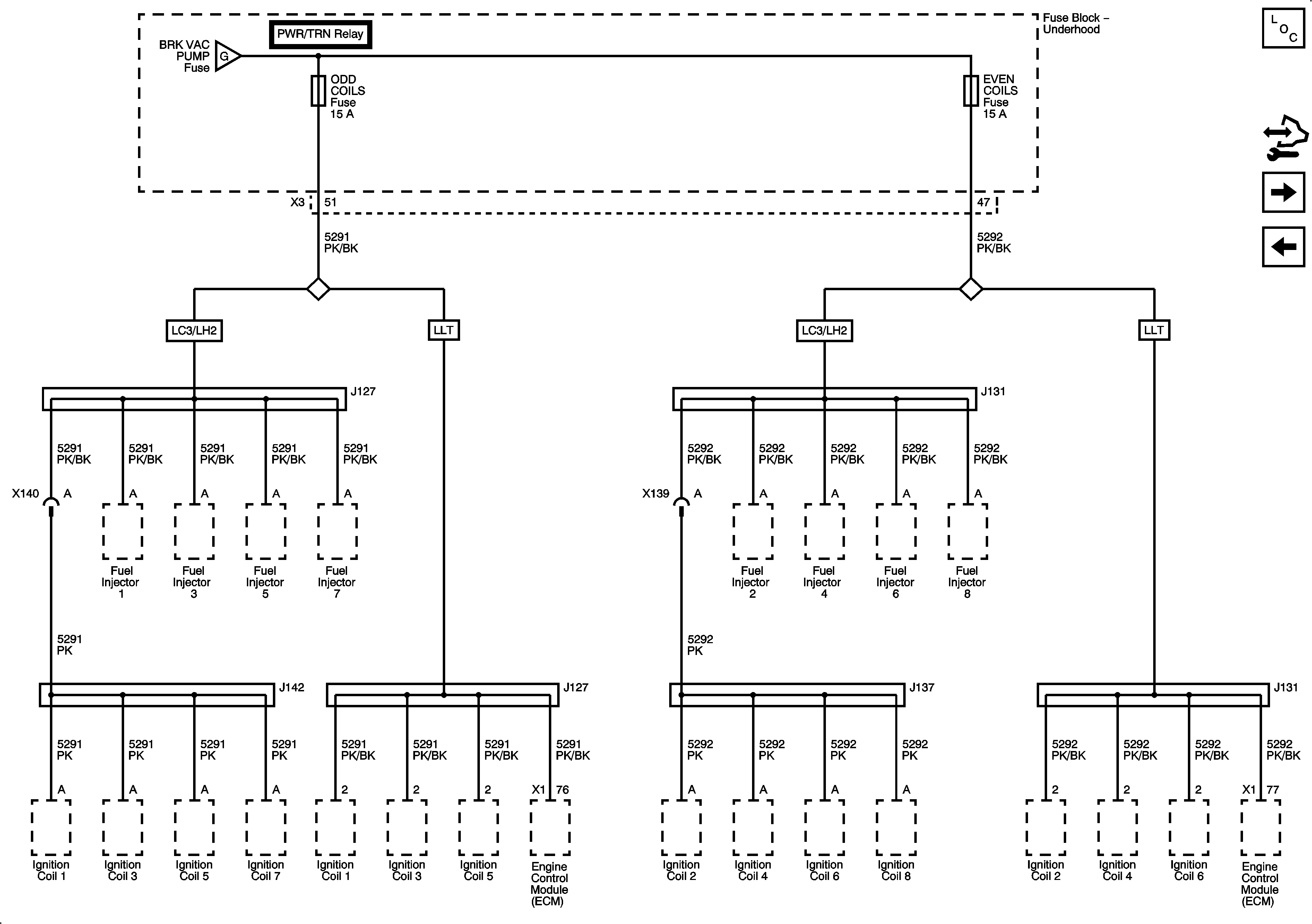
| Figure 9: |
EVEN COILS and ODD COILS Fuses
|
| Figure 10: |
A/C CLTCH, FAN 1, FAN 2, FUEL COOL, RAIN SNSR/TPM, and WPR SW/VICS Fuses
|
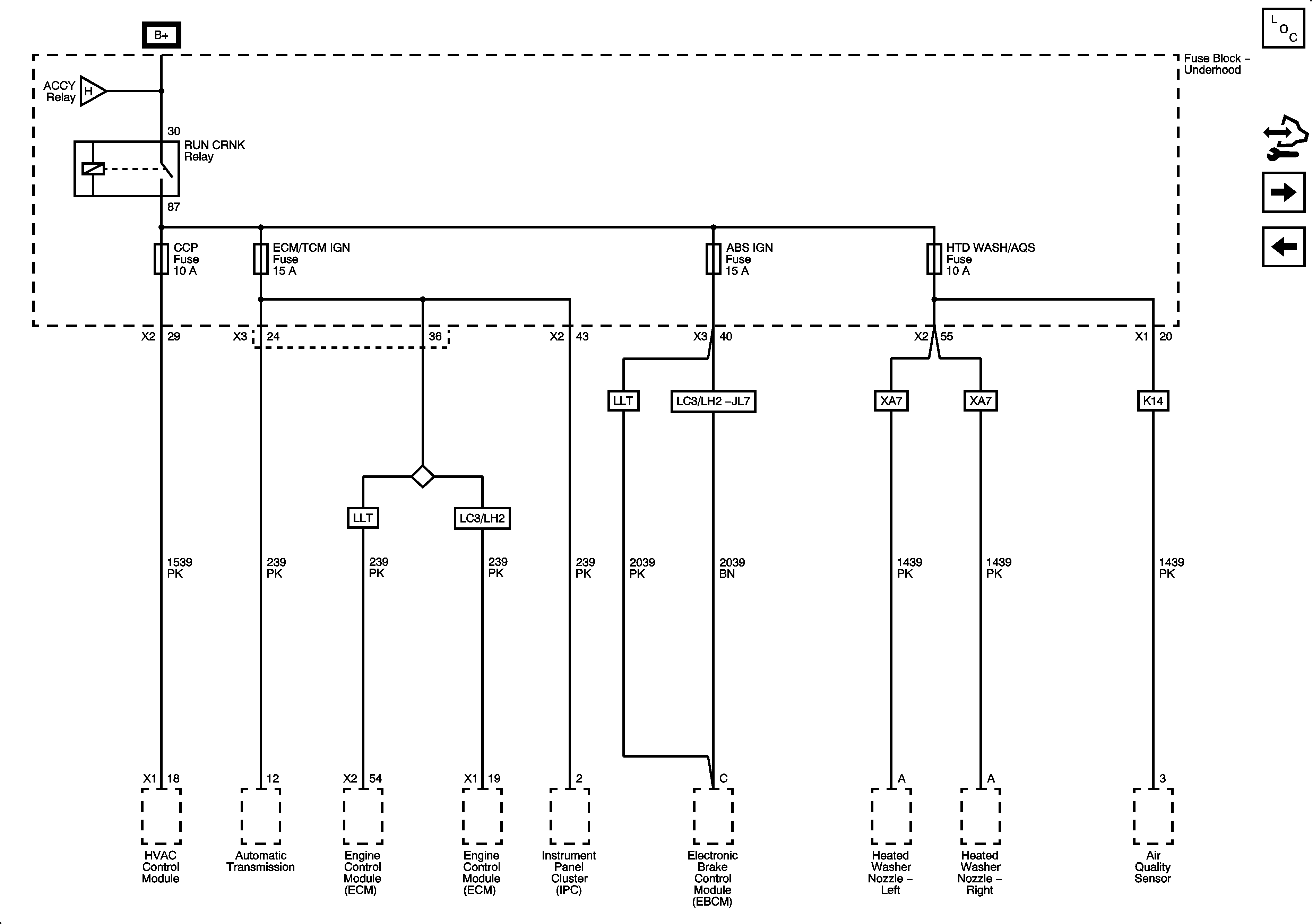
| Figure 11: |
ABS IGN, CCP, ECM/TCM, and HTD WASH/AQS Fuses
|
| Figure 12: |
AMP, DDM, ELC EXH, INCLR PUMP, MRTD MDL, REAR DR MDL, THEFT SHFT, and TV/VICS/AFS/SCM Fuses
|
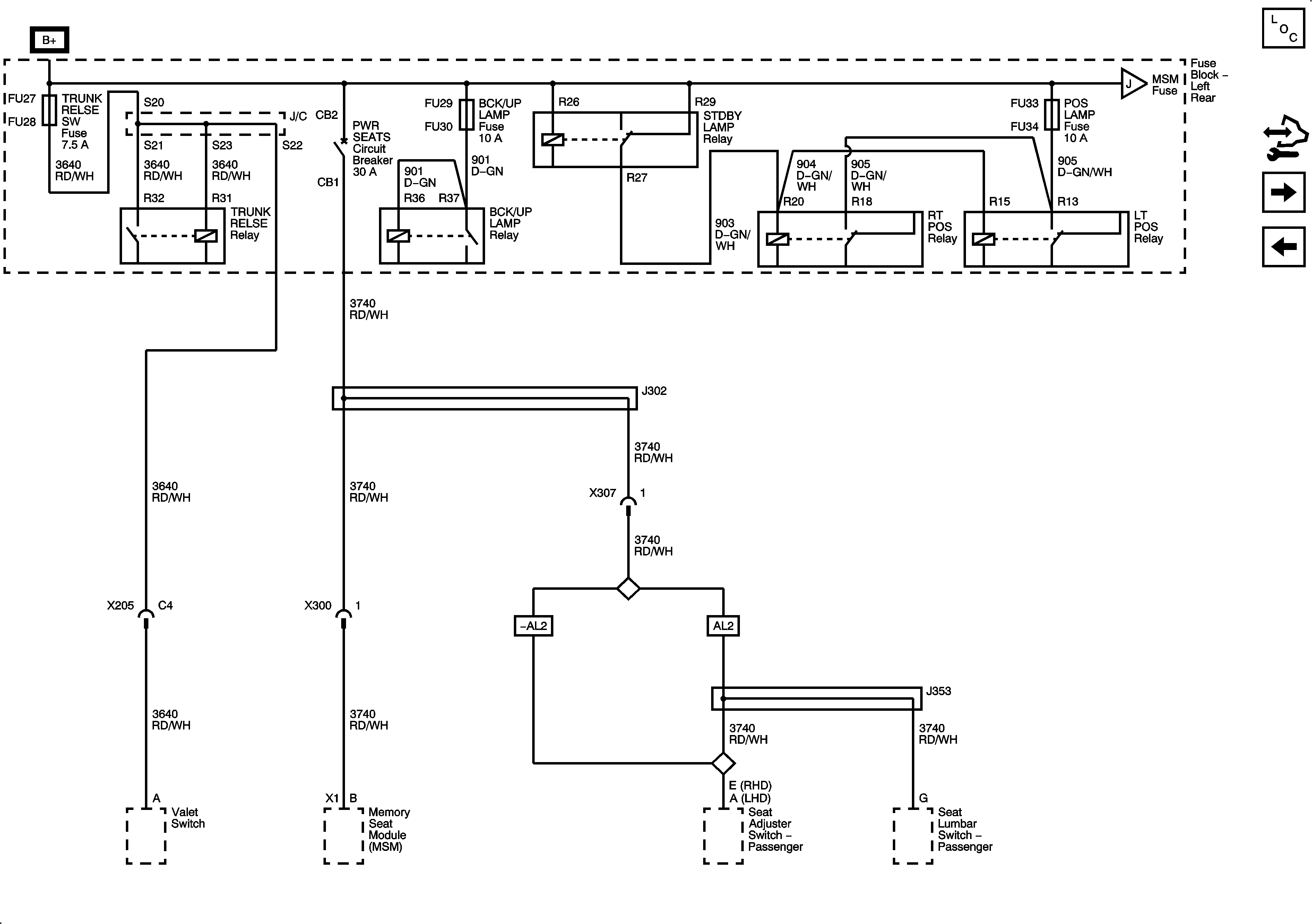
| Figure 13: |
BCK/UP LAMP, POS LAMPS, and TRUNK RELSE Fuses, PWR SEATS Circuit Breaker
|
| Figure 14: |
AIRBAG/BATT, MSM, and REAR SHLF SPKR Fuses
|
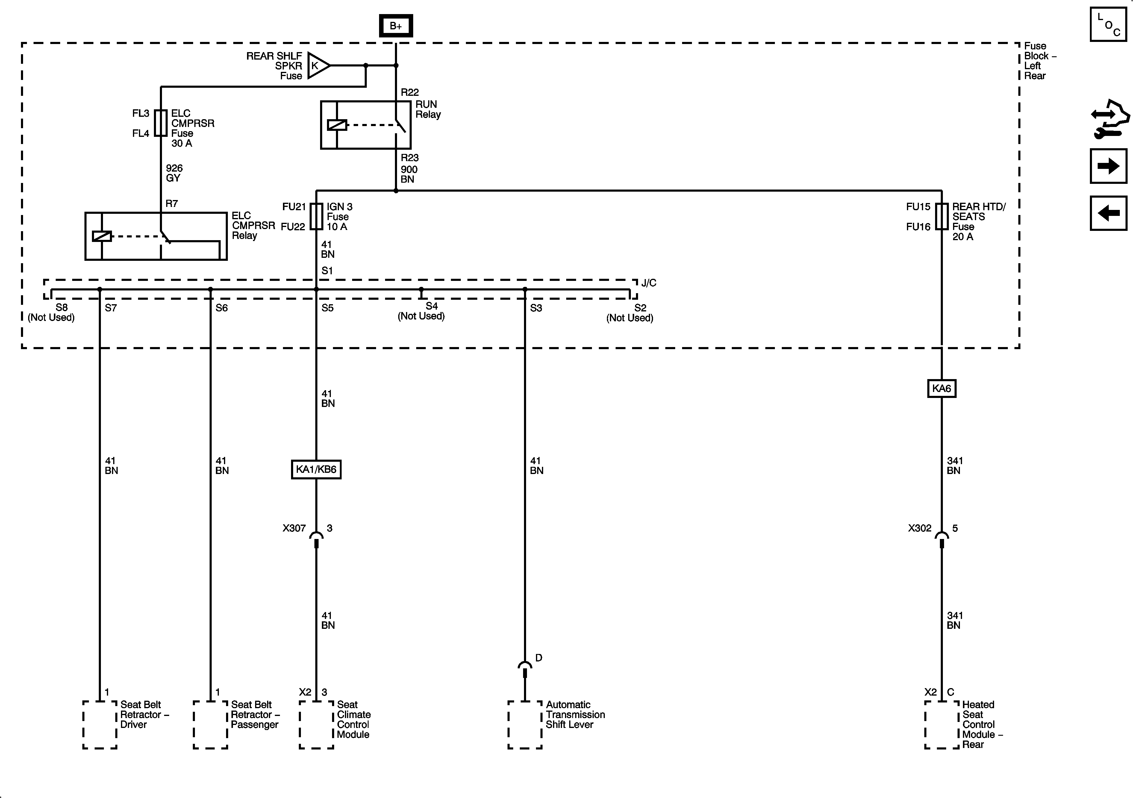
| Figure 15: |
ELC CMPRSR, IGN 3, and REAR HTD/SEATS Fuses
|
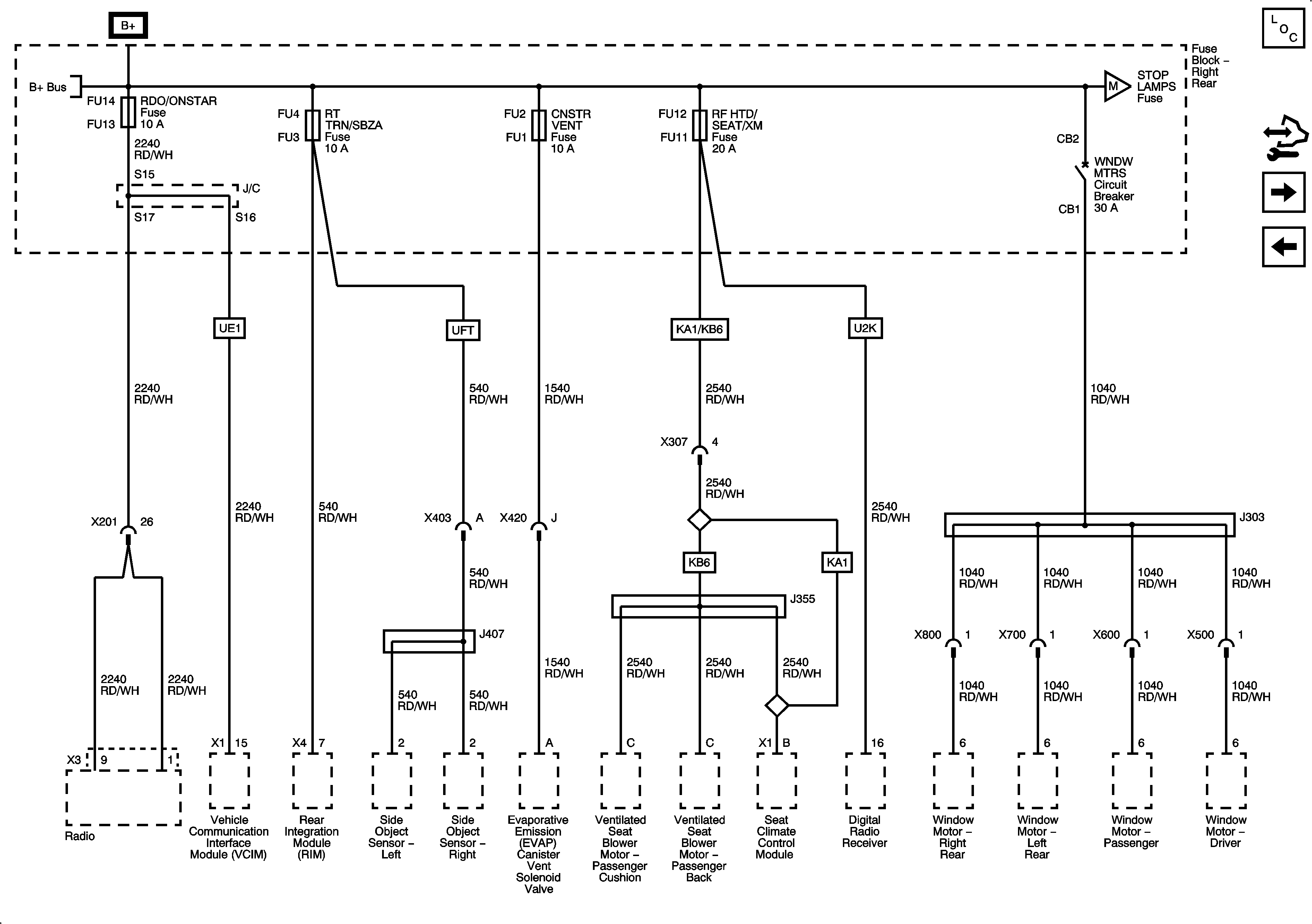
| Figure 16: |
CNSTR VENT, RDO/ONSTAR, RF HTD/SEAT/XM, and RT TRN/SBZA Fuses, WNDW MTRS Circuit Breaker
|
| Figure 17: |
REAR DEFOG, REAR/FOG, S/ROOF. And STOP LAMPS Fuses
|
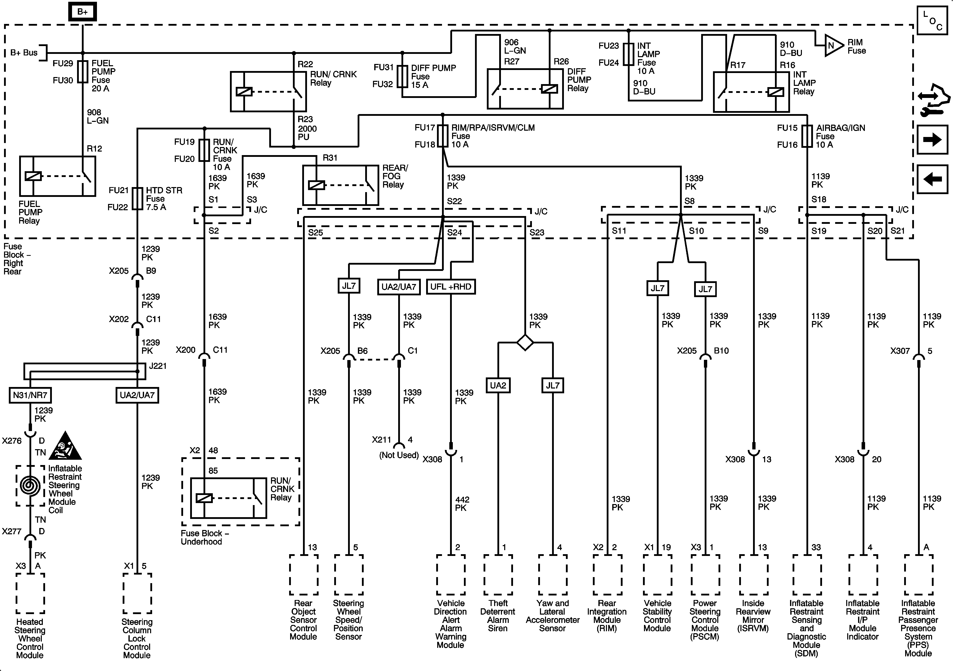
| Figure 18: |
AIRBAG/IGN, DIFF PUMP, FUEL PUMP, HTD STR, INT LAMP, RIM/RPA/ISRVM/CLM, and RUN/CRNK Fuses
|
| Figure 19: |
FRT PDM, LT TRN/LDW, and RIM Fuses
|
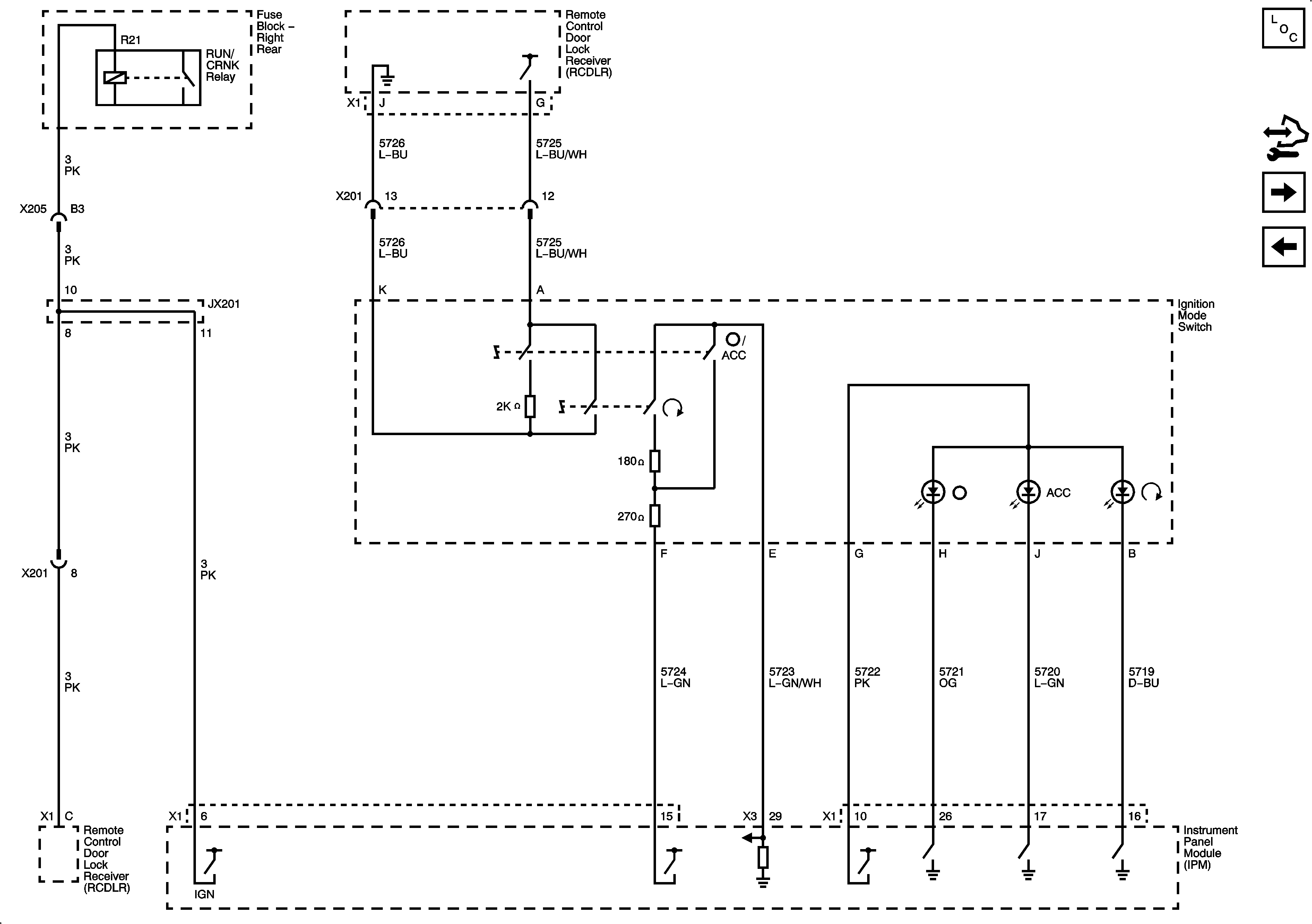
| Figure 20: |
Ignition Mode Switch
|