GM Service Manual Online
For 1990-2009 cars only
Makes
🢒
Cadillac
🢒
1998
🢒
Seville
🢒
Body and Accessories
🢒
Stationary Windows
🢒 Automatic Day-Night Mirrors Schematics
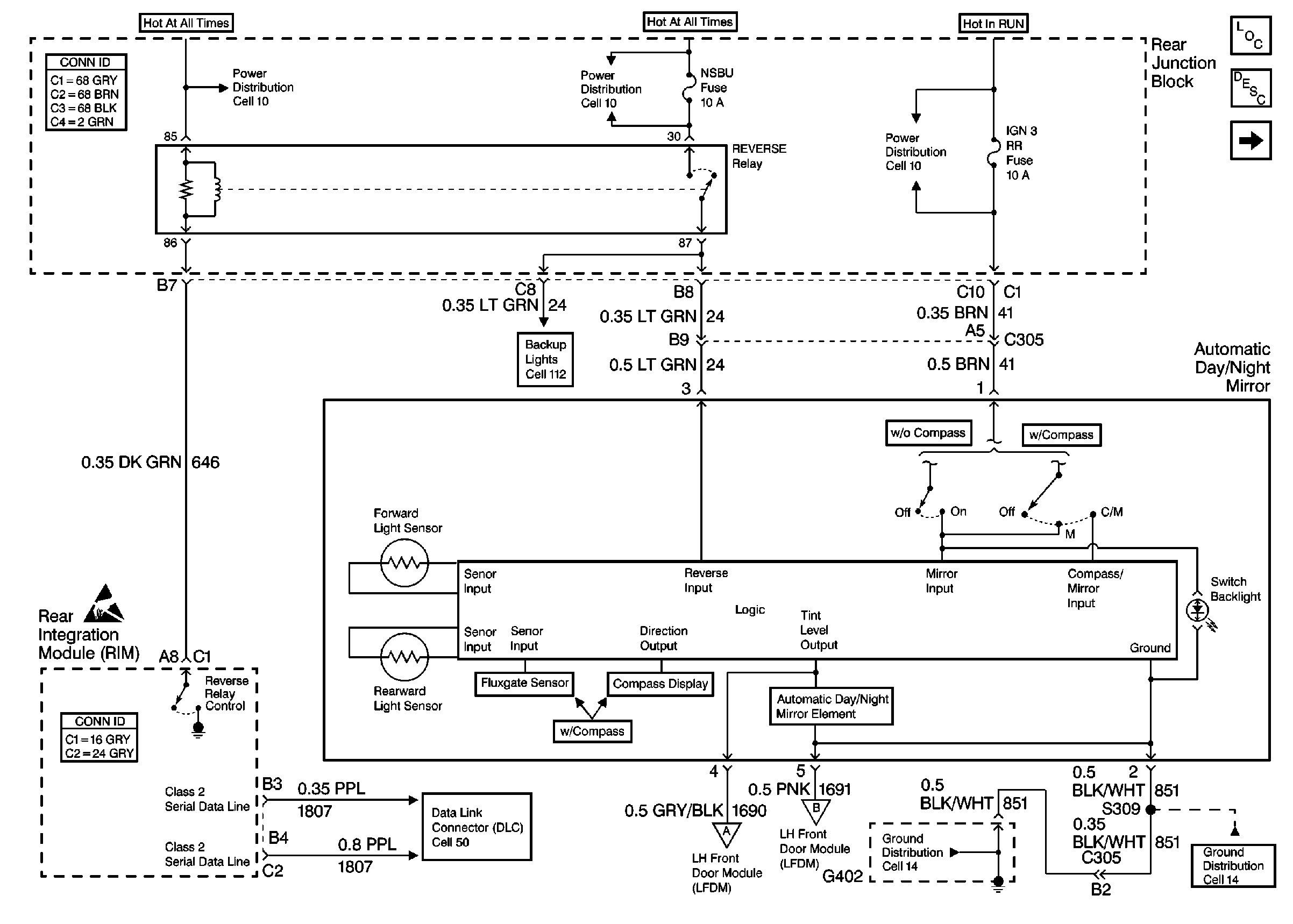
Figure
1:
Cell 148: Inside Mirror
Stationary Windows Components
Automatic Day-Night Mirrors Circuit Description
Cell 148: LH Outside Mirror
ESD Notice
Cell 10: NSBU, F/PMP, CVRTD, and BODY Fuses
Cell 10: NSBU, F/PMP, CVRTD, and BODY Fuses
Cell 10: IGN 3 RR Fuse
Cell 14: G402 (1 of 2)
Cell 14: G402 (1 of 2)
Cell 112
Cell 50: Class Serial Data Line (1 of 2)
Cell 148: LH Outside Mirror
Cell 14: G402 (1 of 2)
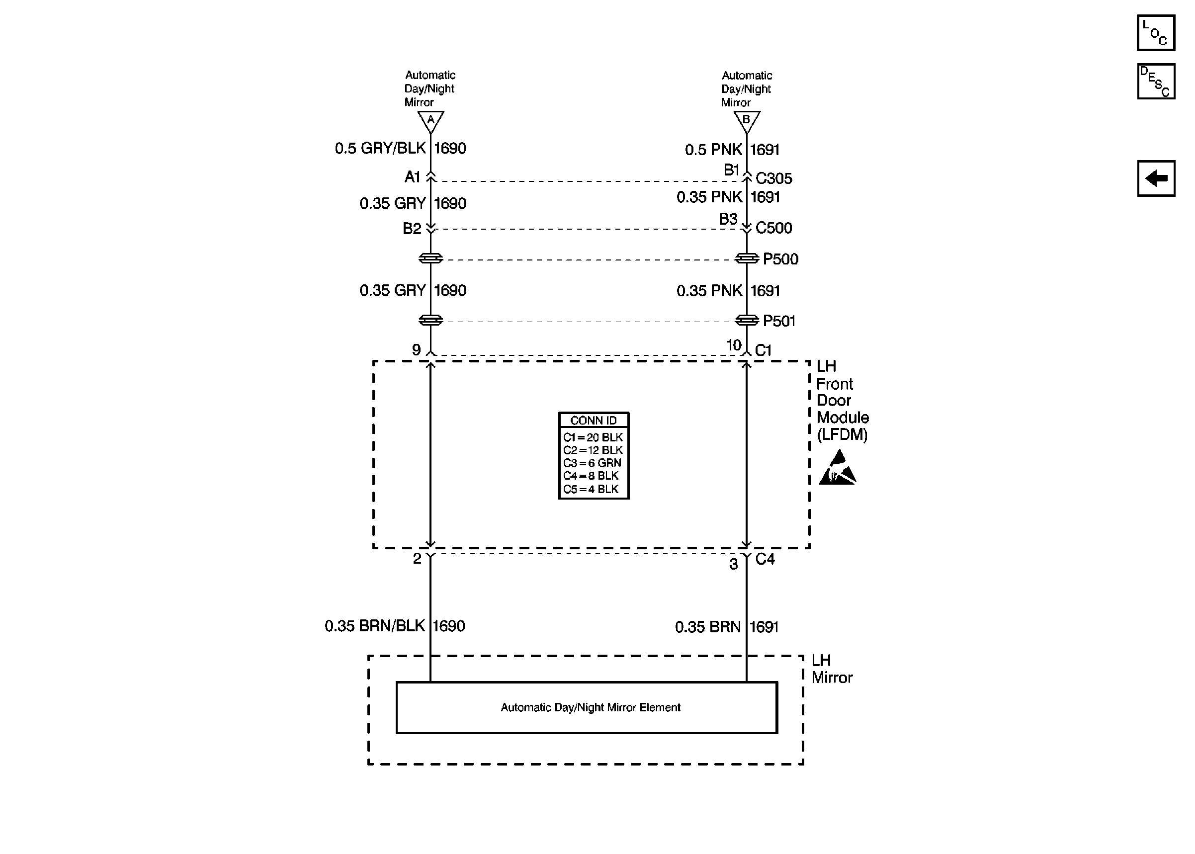
Figure
2:
Cell 148: LH Outside Mirror
Stationary Windows Components
Automatic Day-Night Mirrors Circuit Description
Cell 148: Inside Mirror
ESD Notice
Cell 148: Inside Mirror
Cell 148: Inside Mirror