GM Service Manual Online
For 1990-2009 cars only
Makes
🢒
Cadillac
🢒
1998
🢒
Seville
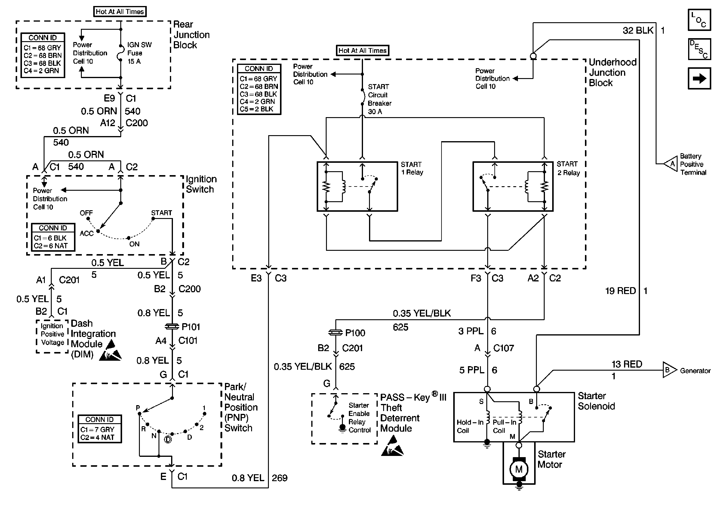
🢒 Cell 30: Starter Solenoid Controls
Cell 30: Starter Solenoid Controls
Cell 30: Starter Solenoid Controls
Engine Electrical Components
Starting System Circuit Description
Cell 30: Generator Controls and Battery
Handling ESD Sensitive Parts Notice
Engine Electrical Schematic References
Engine Electrical Schematic References
Powertrain Control Module Connector End Views
Engine Electrical Schematic References
Engine Electrical Schematic References