GM Service Manual Online
For 1990-2009 cars only

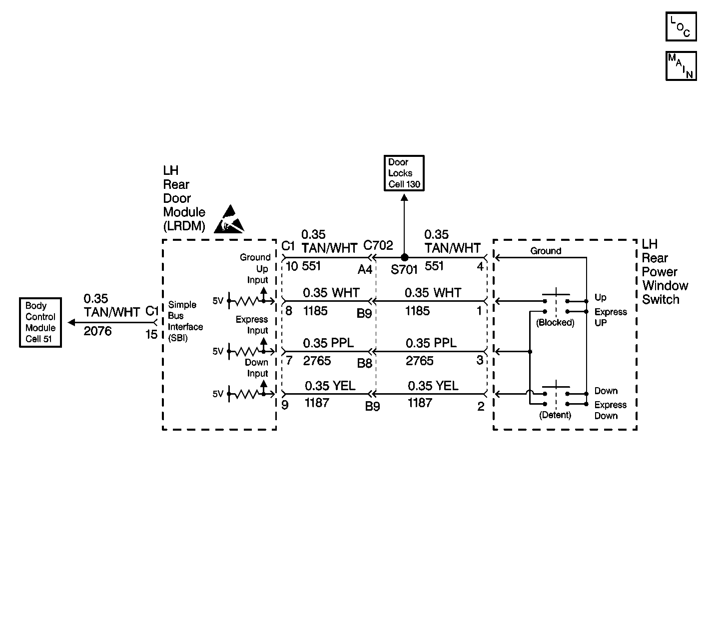
Object Number: 130664  Size: LF
Power Door Systems Components
Cell 120 - LH Power Windows
Cell 120 - LH Power Windows
Cell 55: SBI
Handling ESD Sensitive Parts Notice

Circuit Description

The circuit for the LH Rear Power Window consists of the following:

    • LH Rear Power Window Switch
    • LH Rear Door Module (LRDM)
    • Simple Bus Interface (SBI)
    • LH Front Door Module (LFDM)

The LH Rear Power Window Switch provides input to the LH Rear Door Module. The LRDM contains a software program to sample the window switch and to report all switch activity in the form of SBI messages to the LFDM. The actual diagnostic software program for DTC B2205 is contained in the LFDM and the diagnostic is run no less than once every 300 milliseconds. Problems involving the LFDM or the SBI may set other DTC and will affect the operation of the power door locks and outside rearview mirrors.

Conditions for Setting the DTC

If the LFDM detects that the SBI messages from the LRDM show that the LH Rear Window Switch has been in the DOWN position for 15 continuous seconds, this DTC will be set current. This diagnostic will not run if either DTC B1982 (Battery Voltage High) or B1983 (Battery Voltage Low) are current.

Action Taken When the DTC Sets

This DTC is dynamic, and as such, is current only while the problem is present. While this DTC is current, the LRDM will ignore any actuation of the LH Rear Power Window Switch.

Conditions for Clearing the DTC

    • This DTC will set from current to history when the window DOWN input cycles off or the power mode changes from OFF to RUN.
    •  The history DTC will clear after 50 ignition cycles.
    • The scan tool or the vehicle "On Board Diagnostic System" can be used to clear the history DTC.

Diagnostic Aids

    • A history DTC is evidence of a intermittent problem.
    • If DTC B2205 is current, cycle the ignition switch from OFF to RUN. If this DTC is still current, perform the following diagnostic.

Test Description

The numbers below refer to the step numbers on the diagnostic table:

  1. Perform the Power Door Diagnostic System Check prior to continuing the diagnosis of this DTC.

  2. This step tests the LH rear power window switch for an internal short.

  3. This repair procedure requires power window switch replacement.

  4. This step tests CKT 1187 for a short to ground.

  5. This repair procedure requires the repair CKT 1187 for a short to ground.

Step

Action

Value(s)

Yes

No

1

Was the Power Door System Diagnostic System Check performed?

--

Go to Step 6 Step 2

Go to Diagnostic System Check - Power Door Systems

2

  1. Disconnect the LH rear power window switch.
  2. Install a scan tool.
  3. Select driver door module input data for the LH rear power window switch.

Does the scan tool indicate DOWN?

--

Go to Step 4

Go to Step 3

3

Replace the LH rear power window switch. Refer to Rear Side Door Window Switch Replacement .

Did you complete the repair?

--

Go to Step 7

--

4

  1. Turn OFF the ignition switch.
  2. Disconnect the LRDM connector C1
  3. Using a DMM, measure the resistance between the LH rear power window switch harness connector C1 terminal 2 and ground.

Is the resistance within the specified range?

0-5 ohms

Go to Step 5

Go to Step 6

5

Repair the short to ground in CKT 1187.

Refer to Wiring Repairs in Wiring Systems.

Did you complete the repair?

--

Go to Step 7

--

6

Replace the LH rear door module (LRDM). Refer to Door Control Module Replacement .

Did you complete the replacement?

--

Go to Step 7

--

7

  1. Turn OFF the ignition switch.
  2. Reconnect or reinstall any connectors or components that were disconnected or removed.
  3. Turn ON the ignition switch.
  4. Clear any DTCs. Refer to Diagnostic Trouble Code (DTC) Clearing .

Are all DTCs cleared?

--

Go to Diagnostic System Check - Power Door Systems .

--