GM Service Manual Online
For 1990-2009 cars only

Go to

Cell 133: VTD PASS-Key System


Object Number: 130727  Size: FS
Theft Deterrent System Components
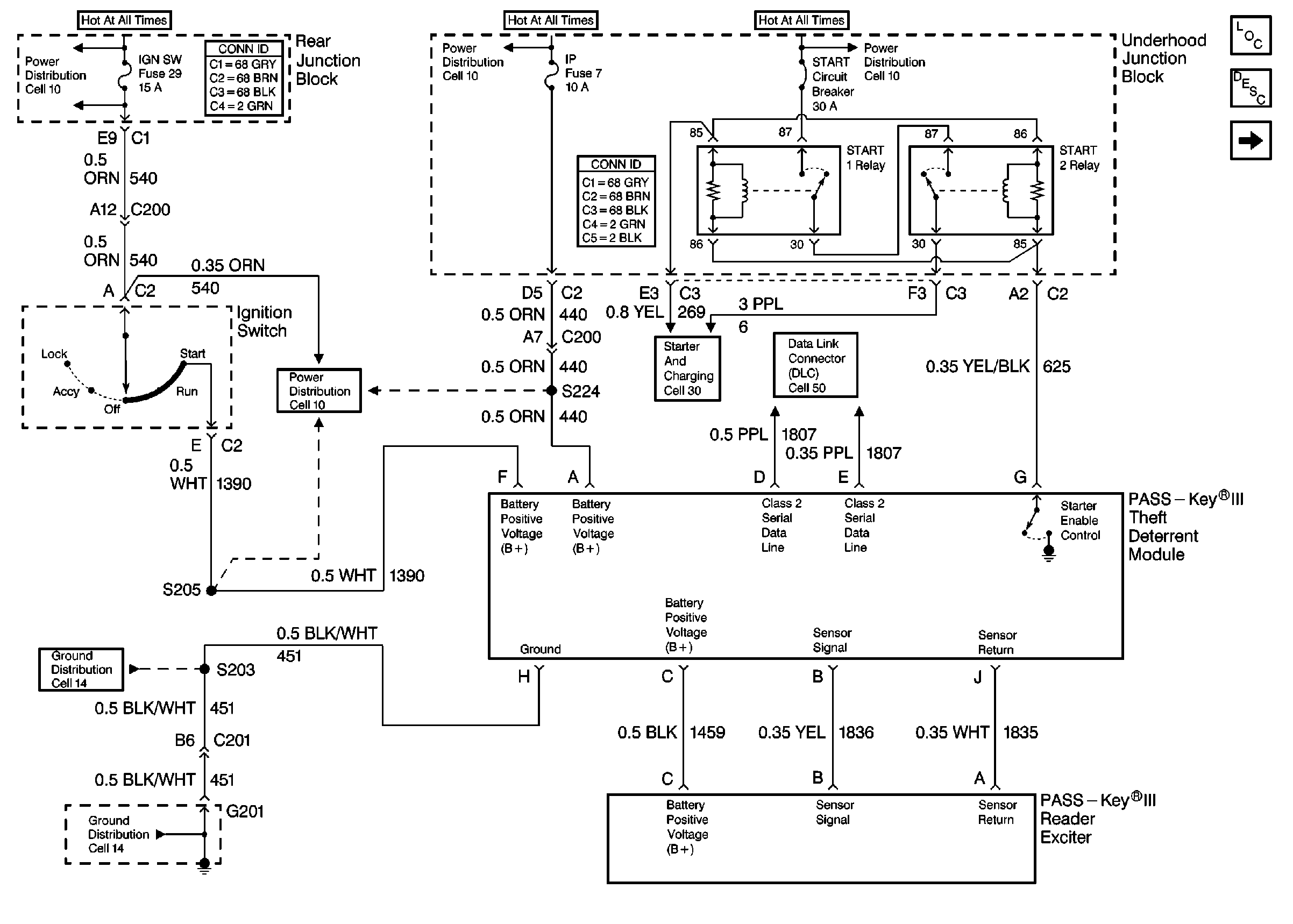
Vehicle Theft Deterrent (VTD)Circuit Description
Cell 133: CTD Door Switch Inputs
Cell 10: Battery - Rear Fuse(Junction) Block
Cell 10: PCM BATT, EXPORT BRK, IP, ABS SOL, and ABS MOT Fuses
Cell 10: START Circuit Breaker and ACC, WSW Fuses
Power Distribution Schematics
Cell 14: G401 (3 of 3)
Cell 30: Starter Solenoid Controls
Cell 50: Class Serial Data Line (2 of 2)
Cell 14: G201 (1 of 2)

Circuit Description

The PASS-Key® III Theft Deterrent (VTD) Module supplies the PASS-Key® III reader exciter battery voltage at terminal C, CKT 1459 (BLK). The VTD module monitors this input to determine if it is within a valid operating range.

Conditions for Setting the DTC

The ignition switch is in ON, the PASS-Key® III Theft Deterrent (VTD) Module has read the key code and has detected that CKT 1459 (BLK) is shorted to battery for approximately 1 seconds or more.

Action Taken When the DTC Sets

    • Stores a DTC B2948 in the VTD module memory.
    • No driver warning message will be displayed for this DTC.

Conditions for Clearing the DTC

    • The PASS-Key® III Theft Deterrent (VTD) Module detects that CKT 1459 (BLK) is no longer shorted to battery for approximately 1 seconds or more.
    • Use the On-Boards clearing DTCs feature. Refer to OBSD Procedure.
    • Use a scan tool.

Diagnostic Aids

Check circuit 1459 (BLK) for a short to battery.

Test Description

The numbers below refer to the step numbers on the diagnostic table:

  1. Perform the Theft Deterrent System Diagnostic System Check before continuing with the diagnosis of this DTC.

  2. Determines whether the malfunction is in the VTD module.

  3. Determines whether the malfunction is in the circuit or the PASS-Key® III reader exciter.

  4. Clear all DTCs after the repair procedure is complete.

DTC B2948

Step

Action

Value(s)

Yes

No

1

Was the Theft Deterrent System Diagnostic System Check performed?

--

Go to Step 2

Go to Diagnostic System Check - Theft Deterrent

2

  1. Turn OFF the ignition.
  2. Disconnect the VTD module connector.
  3. Connect a DMM between the connector terminal C, CKT 1459 and ground.
  4. Turn ON the ignition.

Is the voltage within the specified range?

10-15 V

Go to Step 3

Go to Step 4

3

  1. Turn OFF the ignition.
  2. Disconnect the PASS-Key® III reader exciter.
  3. Turn ON the ignition.

Is the voltage within the specified range?

10-15 V

Go to Step 5

Go to Step 6

4

Replace the PASS-Key® III Theft Deterrent (VTD) Module. Refer to Theft Deterrent Module Replacement .

Refer to PASSLOCK Reprogramming Auto Learn .

Is the replacement complete?

--

Go to Step 7

--

5

Repair the short to battery in circuit 1459 (BLK). Refer to Wiring Repairs in Wiring Systems.

Is the repair complete?

--

Go to Step 7

--

6

Replace the PASS-Key® III reader exciter. Refer to PASS-Key Reader/Exciter Replacement .

Is the replacement complete?

--

Go to Step 7

--

7

  1. Turn OFF the ignition.
  2. Reconnect or install any connectors or components that were disconnected or removed.
  3. Turn ON the ignition.
  4. Clear any DTCs. Refer to Clearing DTCs .

Are all DTCs cleared?

--

Go to Diagnostic System Check - Theft Deterrent

--