GM Service Manual Online
For 1990-2009 cars only
Figure 1:

Cell 44: PWR, GND, BPMV Pump Motor and Solenoids


Object Number: 361989  Size: FS
ABS Components
ABS Description
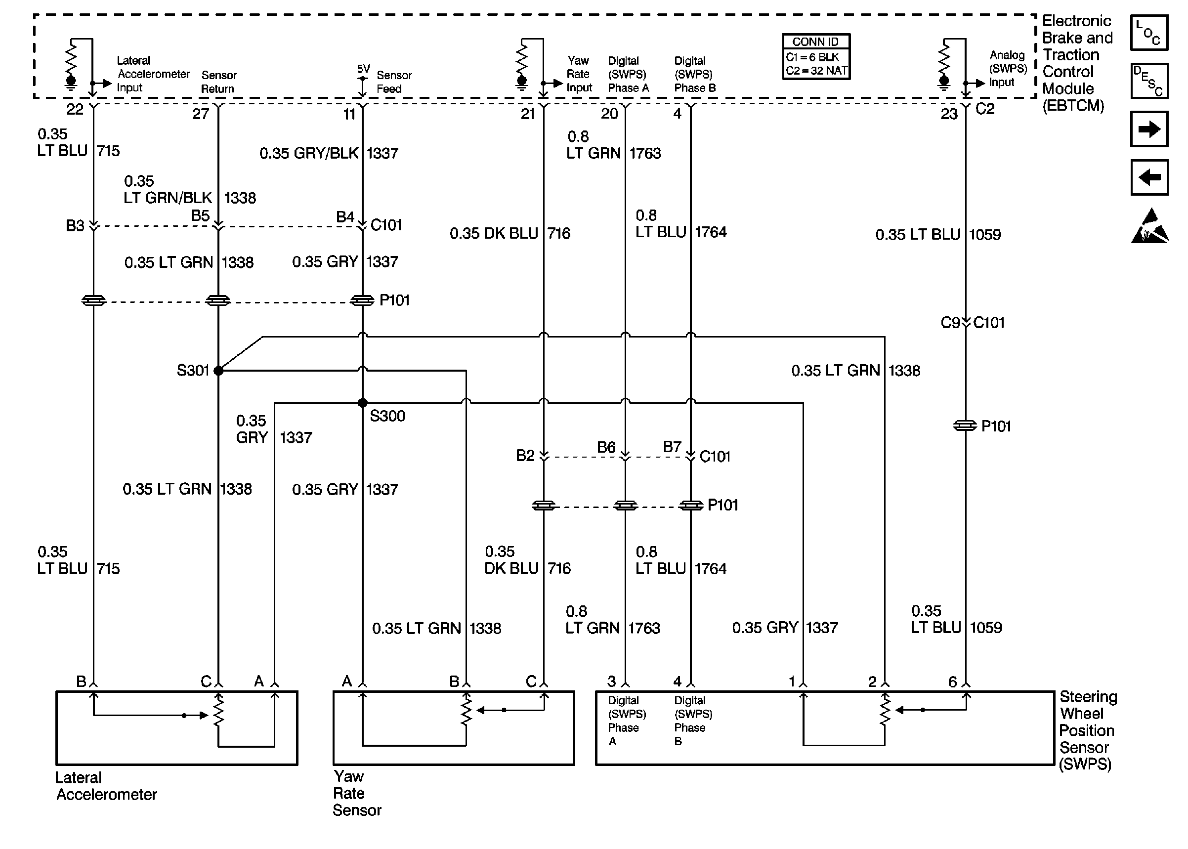
Cell 44: Lateral Accelerometer, Yaw Rate, and Steering Wheel Position Sensors
Handling ESD Sensitive Parts Notice
Cell 10: Power to Underhood Fuse Block
Cell 10: IGN 3 Relay and HVAC, ABS Fuses
Cell 14: G100
Figure 2:

Cell 44: Lateral Accelerometer, Yaw Rate, and Steering Wheel Position Sensors


Object Number: 106299  Size: FS
ABS Components
ABS Description
Cell 44: Wheel Speed Sensors
Cell 44: PWR, GND, BPMV Pump Motor and Solenoids
Handling ESD Sensitive Parts Notice
Figure 3:

Cell 44: Wheel Speed Sensors


Object Number: 106316  Size: FS
ABS Components
ABS Description
Cell 44: Brake Pad Wear Sensors
Cell 44: Lateral Accelerometer, Yaw Rate, and Steering Wheel Position Sensors
Handling ESD Sensitive Parts Notice
Figure 4:

Cell 44: Brake Pad Wear Senors


Object Number: 106327  Size: FS
ABS Components
ABS Description
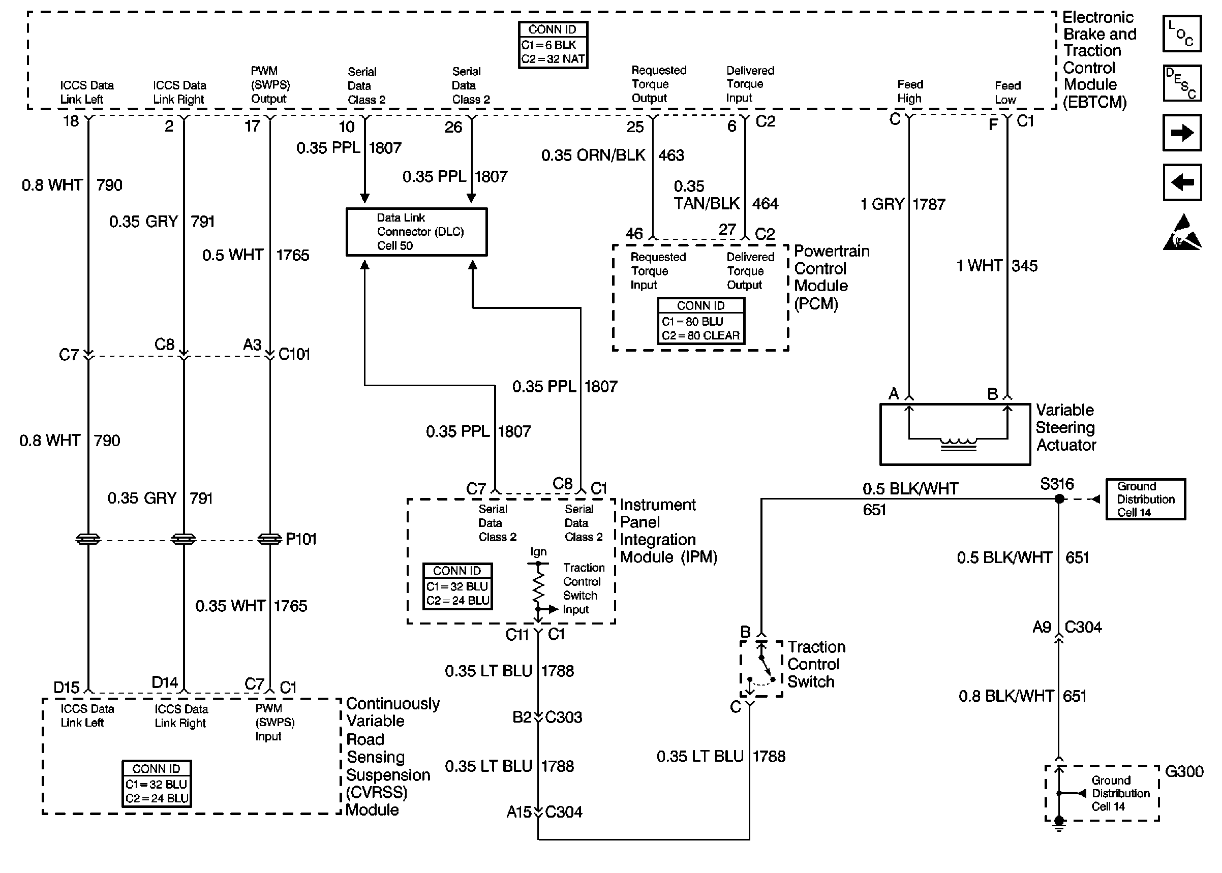
Cell 44: CVRSS, IPM, PCM, MSVA, Class 2 and Traction Control Switch
Cell 44: Wheel Speed Sensors
Handling ESD Sensitive Parts Notice
Cell 14: G402 (1 of 2)
Figure 5:

Cell 44: CVRSS, IPM, PCM, MSVA, Class 2 and Traction Control Switch


Object Number: 384257  Size: FS
ABS Components
ABS Description
Cell 44: Stoplamp/BTSI Switch and ANTILOCK Indicator
Cell 44: Brake Pad Wear Sensors
Handling ESD Sensitive Parts Notice
Cell 14: G300
Cell 14: G300
Cell 50: Class 2 Serial Data Line (LH Drive)
Figure 6:

Cell 44: Stoplamp/BTSI Switch and ANTILOCK Indicator


Object Number: 361988  Size: FS
ABS Components
ABS Description
Cell 44: CVRSS, IPM, PCM, MSVA, Class 2 and Traction Control Switch
Handling ESD Sensitive Parts Notice
Handling ESD Sensitive Parts Notice
Cell 10: Battery
Cell 34: Cruise Control Module Inputs and Outputs
Cell 110: Stop Lamps
Cell 110: Stop Lamps