GM Service Manual Online
For 1990-2009 cars only
Figure 1:

Cell 47: SDM Power and Ground, Driver/Pass SIR and Class 2


Object Number: 361882  Size: FS
SIR Components
SIR System Operation
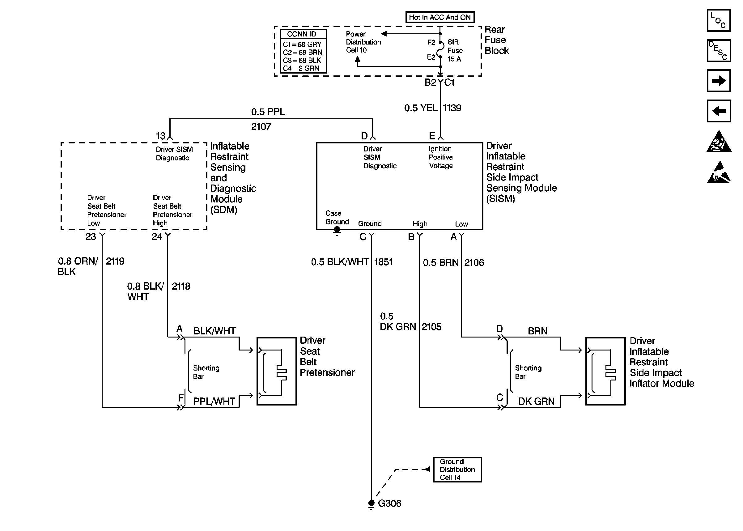
Cell 47: Driver SISM, Driver SIR, Driver Pretensioner
SIR Handling Caution
Handling ESD Sensitive Parts Notice
Cell 10: IGN 1 Relay and SIR, VENT SOL, IGN1 Fuses
Cell 14: G306
Data Link Connector Schematics
Audible Warnings Schematics 98
Figure 2:

Cell 47: Driver SISM, Driver SIR, Driver Pretensioner


Object Number: 361885  Size: FS
SIR Components
SIR System Operation
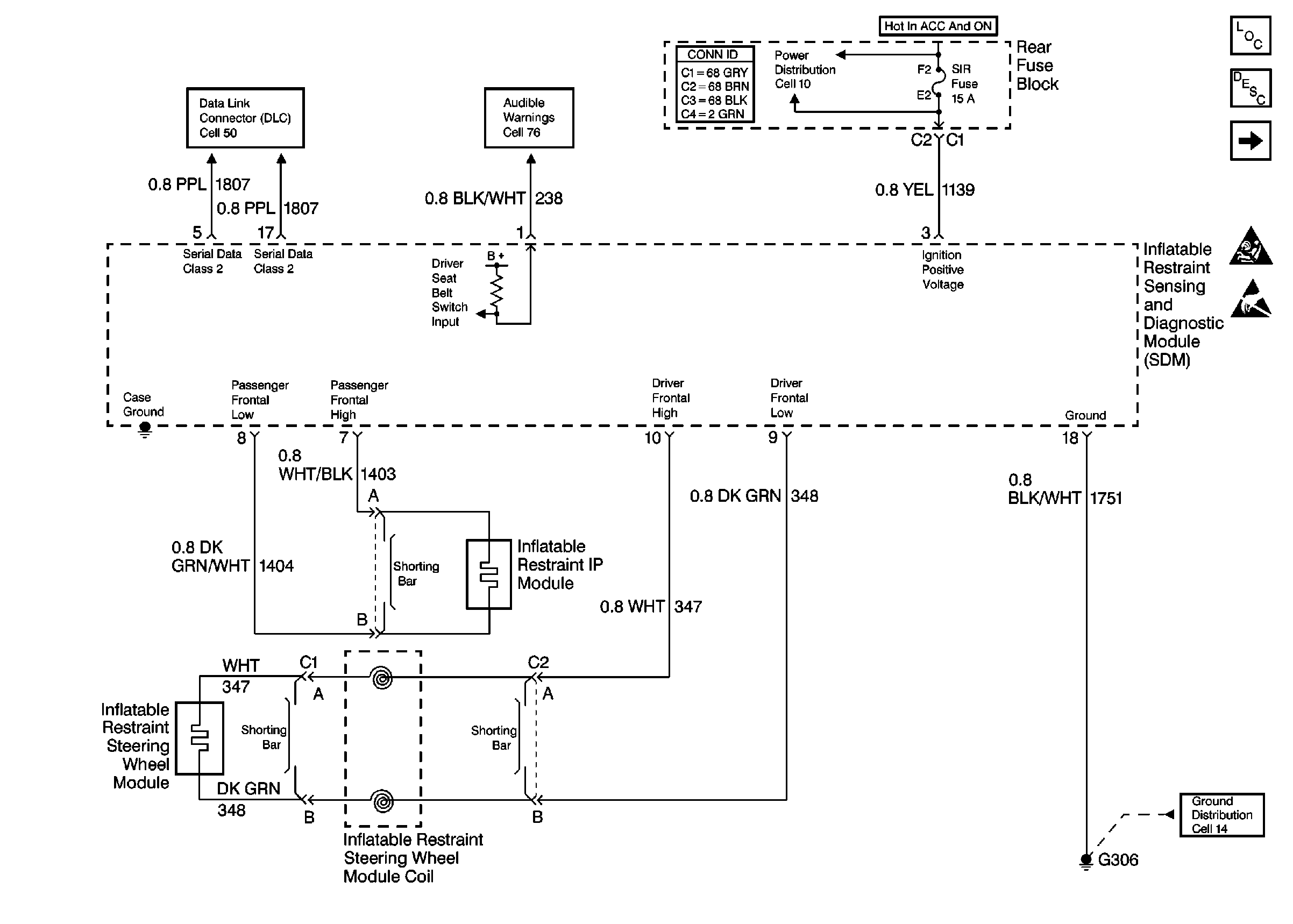
Cell 47: Passenger SISM, Passenger SIR, Passenger Pretensioner
Cell 47: SDM Power and Ground, Driver/Pass SIR and Class 2
SIR Handling Caution
Handling ESD Sensitive Parts Notice
Cell 10: IGN 1 Relay and SIR, VENT SOL, IGN1 Fuses
Cell 14: G306
SIR Schematic Icons
Figure 3:

Cell 47: Passenger SISM, Passenger SIR, Passenger Pretensioner


Object Number: 361888  Size: FS
SIR Components
SIR System Operation
Cell 47: Driver SISM, Driver SIR, Driver Pretensioner
SIR Handling Caution
Handling ESD Sensitive Parts Notice
Cell 10: IGN 1 Relay and SIR, VENT SOL, IGN1 Fuses
Cell 14: G306