GM Service Manual Online
For 1990-2009 cars only

Exterior Lights Schematics Domestic

Figure 1:

Cell 110: Headlamp Switch, PRK LP Relay


Object Number: 394840  Size: FS
Lighting Systems Components
Exterior Lights Circuit Description
Cell 110: Hazard Switch Assembly
Handling ESD Sensitive Parts Notice
Handling ESD Sensitive Parts Notice
Cell 10: LP PK L Fuse
Cell 14: G200 (1 of 2)
Cell 14: G200 (1 of 2)
Cell 100: Low Beam Headlamps
Cell 110: RH Exterior Lamps
Cell 110: LH Exterior Lamps
Cell 110: License, Underhood, and Cornering Lamps
Power and Grounding Connector End Views
Body Control System Connector End Views
Figure 2:

Cell 110: Hazard Switch Assembly


Object Number: 394846  Size: FS
Lighting Systems Components
Exterior Lights Circuit Description
Cell 110: Stop Lamps
Cell 110: Headlamp Switch, PRK LP Relay
Handling ESD Sensitive Parts Notice
Cell 10: MEM T/T PWWR T/T and TSIG/HAZ Fuses
Cell 10: IGN 1 Relay and SIR, VENT SOL, IGN1 Fuses
Cell 14: G201 (2 of 3)
Cell 14: G201 (2 of 3)
Cell 110: LH Exterior Lamps
Cell 110: RH Exterior Lamps
Cell 110: License, Underhood, and Cornering Lamps
Power and Grounding Connector End Views
Body Control System Connector End Views
Figure 3:

Cell 110: Stop Lamps


Object Number: 394849  Size: FS
Lighting Systems Components
Exterior Lights Circuit Description
Cell 110: RH Exterior Lamps
Cell 110: Hazard Switch Assembly
Cell 10: AUX PWR, C/LTR, STOP LP, CIGAR and BLO Fuses
Cell 14: G402 (1 of 2)
Cell 14: G401 (2 of 3)
Cell 110: LH Exterior Lamps
Cell 110: LH Exterior Lamps
Cell 110: RH Exterior Lamps
Cell 110: RH Exterior Lamps
Power and Grounding Connector End Views
Tilt Wheel/Column Connector End Views
Figure 4:

Cell 110: RH Exterior Lamps


Object Number: 394850  Size: FS
Lighting Systems Components
Exterior Lights Circuit Description
Cell 110: LH Exterior Lamps
Cell 110: Stop Lamps
Handling ESD Sensitive Parts Notice
Cell 14: G401 (1 of 3)
Cell 14: G401 (3 of 3)
Cell 14: G402 (1 of 2)
Cell 14: G402 (2 of 2)
Cell 110: Headlamp Switch, PRK LP Relay
Cell 110: Hazard Switch Assembly
Cell 110: Stop Lamps
Power and Grounding Connector End Views
Power and Grounding Connector End Views
Instrument Panel, Gages, and Console Connector End Views
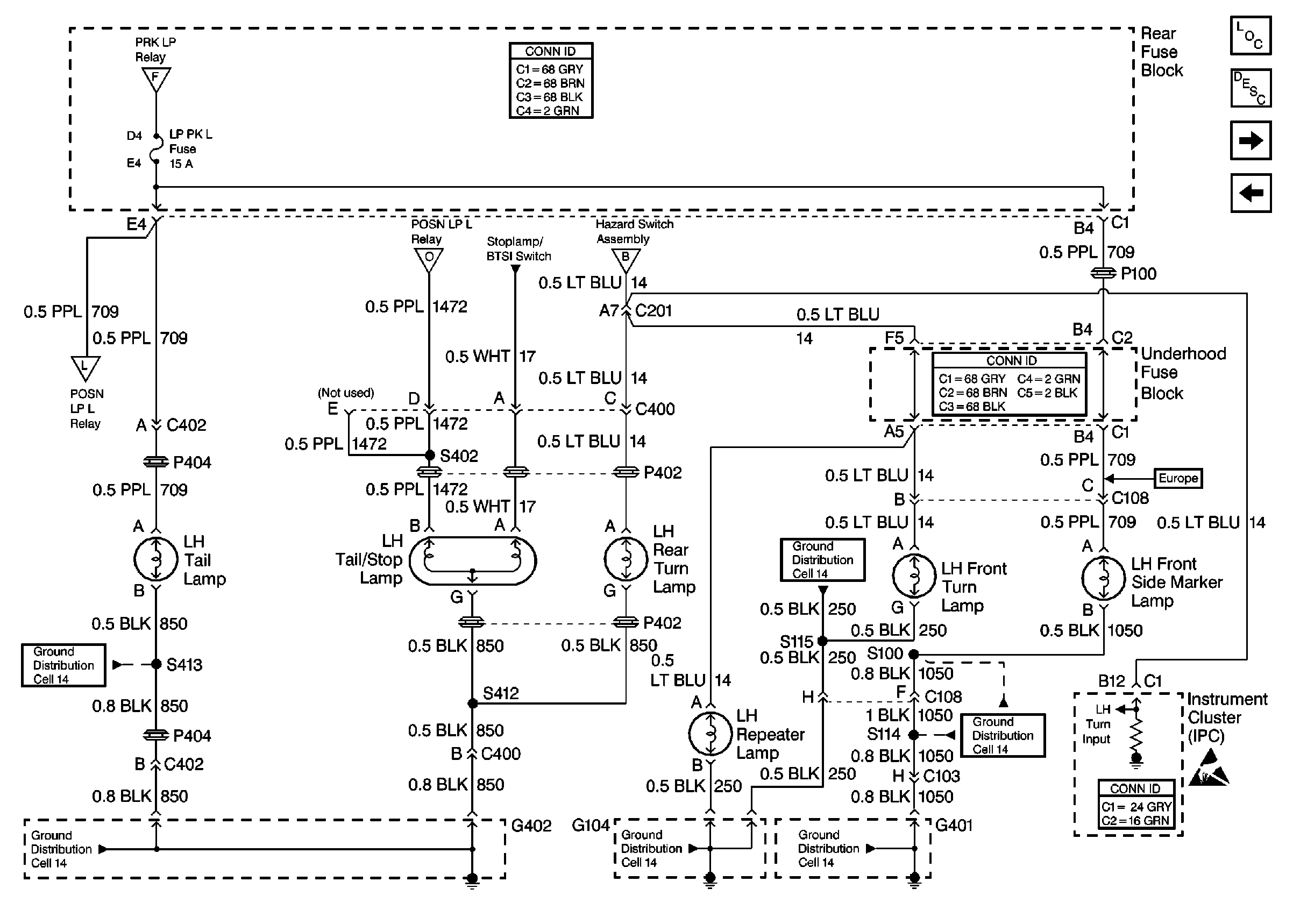
Figure 5:

Cell 110: LH Exterior Lamps


Object Number: 394852  Size: FS
Lighting Systems Components
Exterior Lights Circuit Description
Cell 110: License, Underhood, and Cornering Lamps
Cell 110: RH Exterior Lamps
Handling ESD Sensitive Parts Notice
Cell 14: G401 (3 of 3)
Cell 14: G401 (3 of 3)
Cell 14: G402 (1 of 2)
Cell 14: G402 (2 of 2)
Cell 110: Hazard Switch Assembly
Cell 110: Stop Lamps
Cell 110: RH Exterior Lamps
Power and Grounding Connector End Views
Power and Grounding Connector End Views
Instrument Panel, Gages, and Console Connector End Views
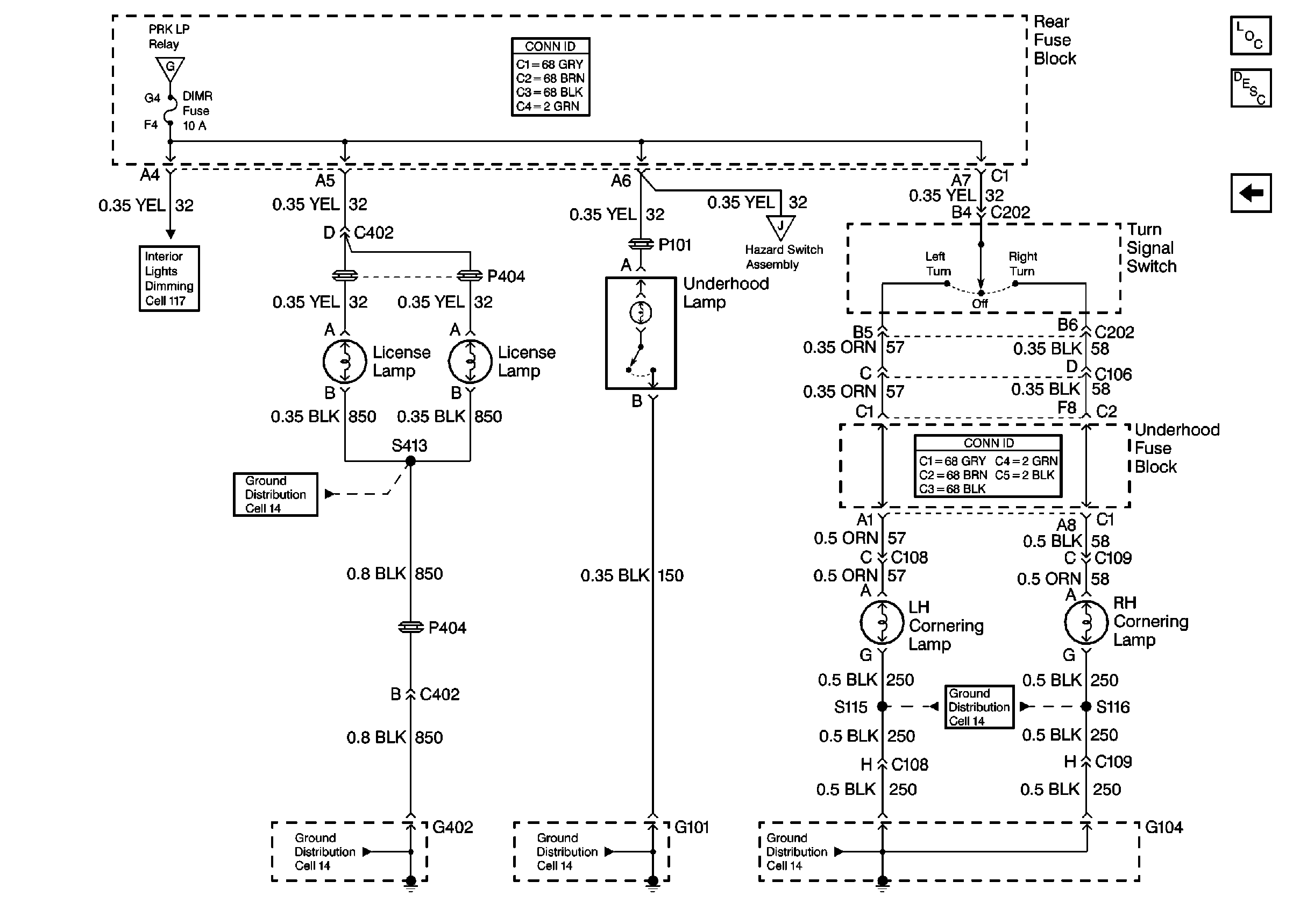
Figure 6:

Cell 110: License, Underhood, and Cornering Lamps


Object Number: 394855  Size: FS
Lighting Systems Components
Exterior Lights Circuit Description
Cell 110: LH Exterior Lamps
Cell 14: G101 and G105
Cell 14: G401 (3 of 3)
Cell 14: G401 (3 of 3)
Cell 14: G402 (1 of 2)
Cell 14: G402 (2 of 2)
Cell 117: Dimming Control, IP Dimmer Switch
Cell 110: RH Exterior Lamps
Cell 110: Hazard Switch Assembly
Power and Grounding Connector End Views
Power and Grounding Connector End Views

Exterior Lights Schematics Export

Figure 1:

Cell 110: Headlamp Switch, PRK LP Relay


Object Number: 394841  Size: FS
Lighting Systems Components
Exterior Lights Circuit Description
Cell 110: Hazard Switch Assembly
Handling ESD Sensitive Parts Notice
Handling ESD Sensitive Parts Notice
Cell 10: LP PK L Fuse
Cell 14: G200 (1 of 2)
Cell 14: G200 (1 of 2)
Cell 100: Low Beam Headlamps
Cell 100: DRL, Low Beam Headlamps
Cell 110: RH Exterior Lamps
Cell 110: LH Exterior Lamps
Cell 110: License, Underhood, and Cornering Lamps
Cell 110: Position Lamps
Cell 110: Position Lamps
Body Control System Connector End Views
Power and Grounding Connector End Views
Figure 2:

Cell 110: Hazard Switch Assembly


Object Number: 394846  Size: FS
Lighting Systems Components
Exterior Lights Circuit Description
Cell 110: Stop Lamps
Cell 110: Headlamp Switch, PRK LP Relay
Handling ESD Sensitive Parts Notice
Cell 10: MEM T/T PWWR T/T and TSIG/HAZ Fuses
Cell 10: IGN 1 Relay and SIR, VENT SOL, IGN1 Fuses
Cell 14: G201 (2 of 3)
Cell 14: G201 (2 of 3)
Cell 110: LH Exterior Lamps
Cell 110: RH Exterior Lamps
Cell 110: License, Underhood, and Cornering Lamps
Body Control System Connector End Views
Power and Grounding Connector End Views
Figure 3:

Cell 110: Stop Lamps


Object Number: 394849  Size: FS
Lighting Systems Components
Exterior Lights Circuit Description
Cell 110: RH Exterior Lamps
Cell 110: Hazard Switch Assembly
Cell 10: AUX PWR, C/LTR, STOP LP, CIGAR and BLO Fuses
Cell 14: G402 (1 of 2)
Cell 14: G401 (2 of 3)
Cell 110: LH Exterior Lamps
Cell 110: LH Exterior Lamps
Cell 110: RH Exterior Lamps
Cell 110: RH Exterior Lamps
Power and Grounding Connector End Views
Tilt Wheel/Column Connector End Views
Figure 4:

Cell 110: RH Exterior Lamps


Object Number: 394851  Size: FS
Lighting Systems Components
Exterior Lights Circuit Description
Cell 110: LH Exterior Lamps
Cell 110: Stop Lamps
Handling ESD Sensitive Parts Notice
Cell 14: G104
Cell 14: G401 (1 of 3)
Cell 14: G401 (3 of 3)
Cell 14: G401 (3 of 3)
Cell 14: G402 (1 of 2)
Cell 14: G402 (2 of 2)
Cell 110: Headlamp Switch, PRK LP Relay
Cell 110: Hazard Switch Assembly
Cell 110: Stop Lamps
Cell 110: Position Lamps
Cell 110: Position Lamps
Power and Grounding Connector End Views
Power and Grounding Connector End Views
Instrument Panel, Gages, and Console Connector End Views
Figure 5:

Cell 110: LH Exterior Lamps


Object Number: 394853  Size: FS
Lighting Systems Components
Exterior Lights Circuit Description
Cell 110: Position Lamps
Cell 110: RH Exterior Lamps
Handling ESD Sensitive Parts Notice
Cell 14: G104
Cell 14: G401 (3 of 3)
Cell 14: G401 (3 of 3)
Cell 14: G402 (1 of 2)
Cell 14: G402 (2 of 2)
Cell 110: Hazard Switch Assembly
Cell 110: Stop Lamps
Cell 110: RH Exterior Lamps
Cell 110: Position Lamps
Cell 110: Position Lamps
Power and Grounding Connector End Views
Power and Grounding Connector End Views
Instrument Panel, Gages, and Console Connector End Views
Figure 6:

Cell 110: Position Lamps


Object Number: 394854  Size: FS
Lighting Systems Components
Exterior Lights Circuit Description
Cell 110: License, Underhood, and Cornering Lamps
Cell 110: LH Exterior Lamps
Handling ESD Sensitive Parts Notice
Cell 10: RAP and EXPORT LGT Fuses
Cell 10: RAP and EXPORT LGT Fuses
Cell 14: G401 (3 of 3)
Cell 14: G401 (3 of 3)
Cell 110: Headlamp Switch, PRK LP Relay
Cell 110: Headlamp Switch, PRK LP Relay
Cell 110: LH Exterior Lamps
Cell 110: RH Exterior Lamps
Cell 110: RH Exterior Lamps
Cell 110: LH Exterior Lamps
Power and Grounding Connector End Views
Body Control System Connector End Views
Figure 7:

Cell 110: License, Underhood, and Cornering Lamps


Object Number: 394855  Size: FS
Lighting Systems Components
Exterior Lights Circuit Description
Cell 110: Position Lamps
Cell 14: G101 and G105
Cell 14: G104
Cell 14: G104
Cell 14: G402 (1 of 2)
Cell 14: G402 (2 of 2)
Cell 117: Dimming Control, IP Dimmer Switch
Cell 110: RH Exterior Lamps
Cell 110: Hazard Switch Assembly
Power and Grounding Connector End Views
Power and Grounding Connector End Views