GM Service Manual Online
For 1990-2009 cars only
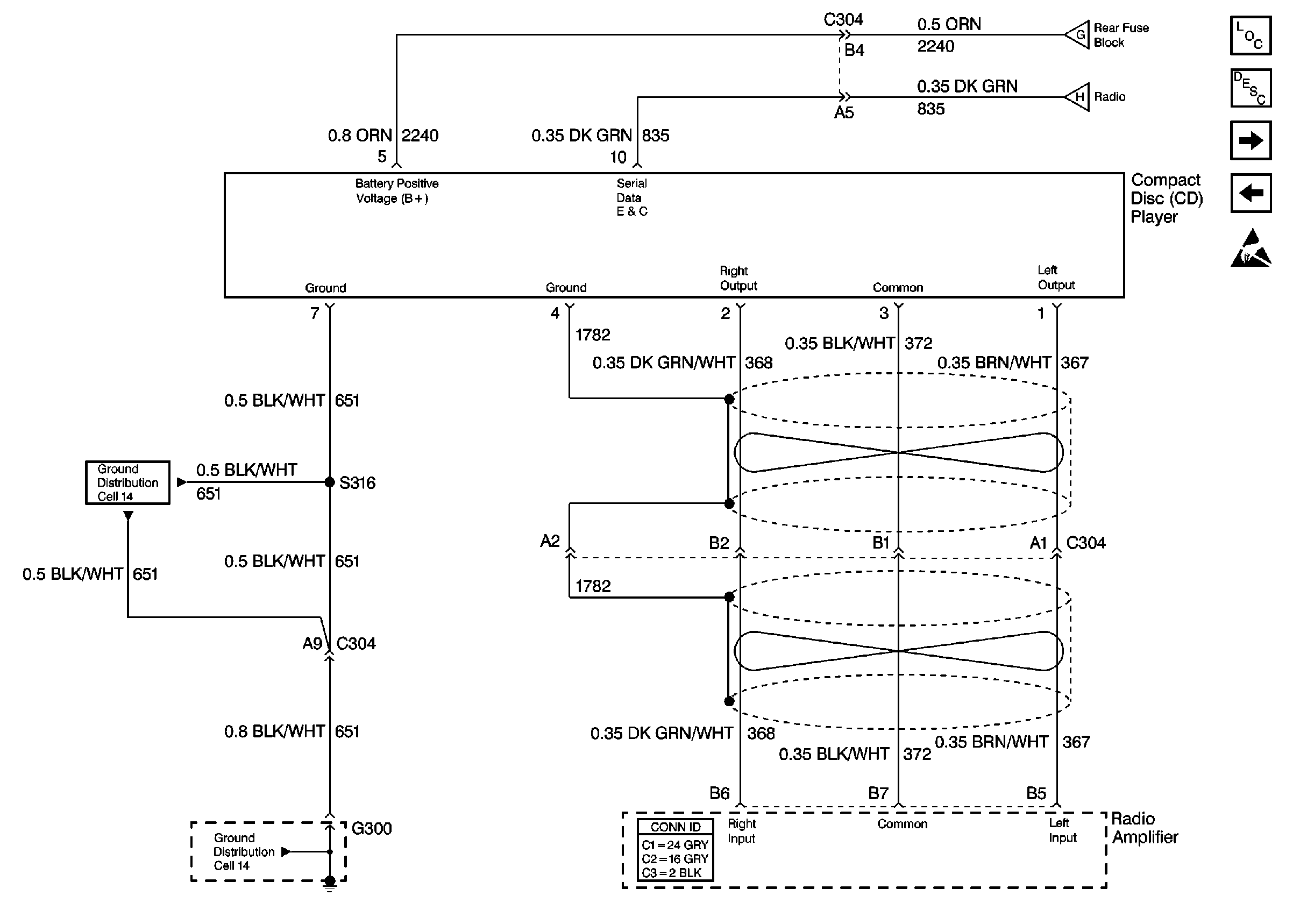
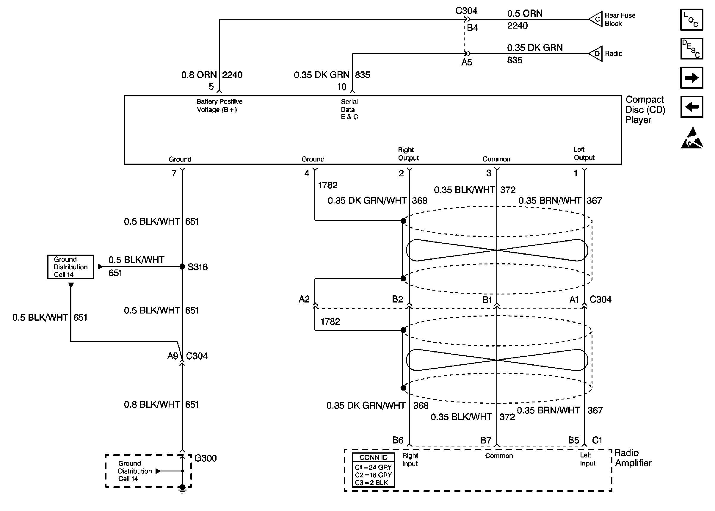
Figure 1:

Cell 150: Power and Ground (w/UX8)


Object Number: 385846  Size: FS
Entertainment Components
Radio/Audio System Circuit Description
Cell 150: Compact Disc (CD) Player (w/UX8)
Handling ESD Sensitive Parts Notice
Cell 150: Compact Disc (CD) Player (w/UX8)
Cell 10: AUDIO, AUDIO AMP and DIM Fuses
Cell 153: Handset and Radio Amplifier
Cell 50: Class Serial Data Line (1 of 2)
Cell 14: G300
Cell 14: G201 (2 of 3)
Cell 14: G201 (2 of 3)
Cell 117: Instrument Panel Dimming
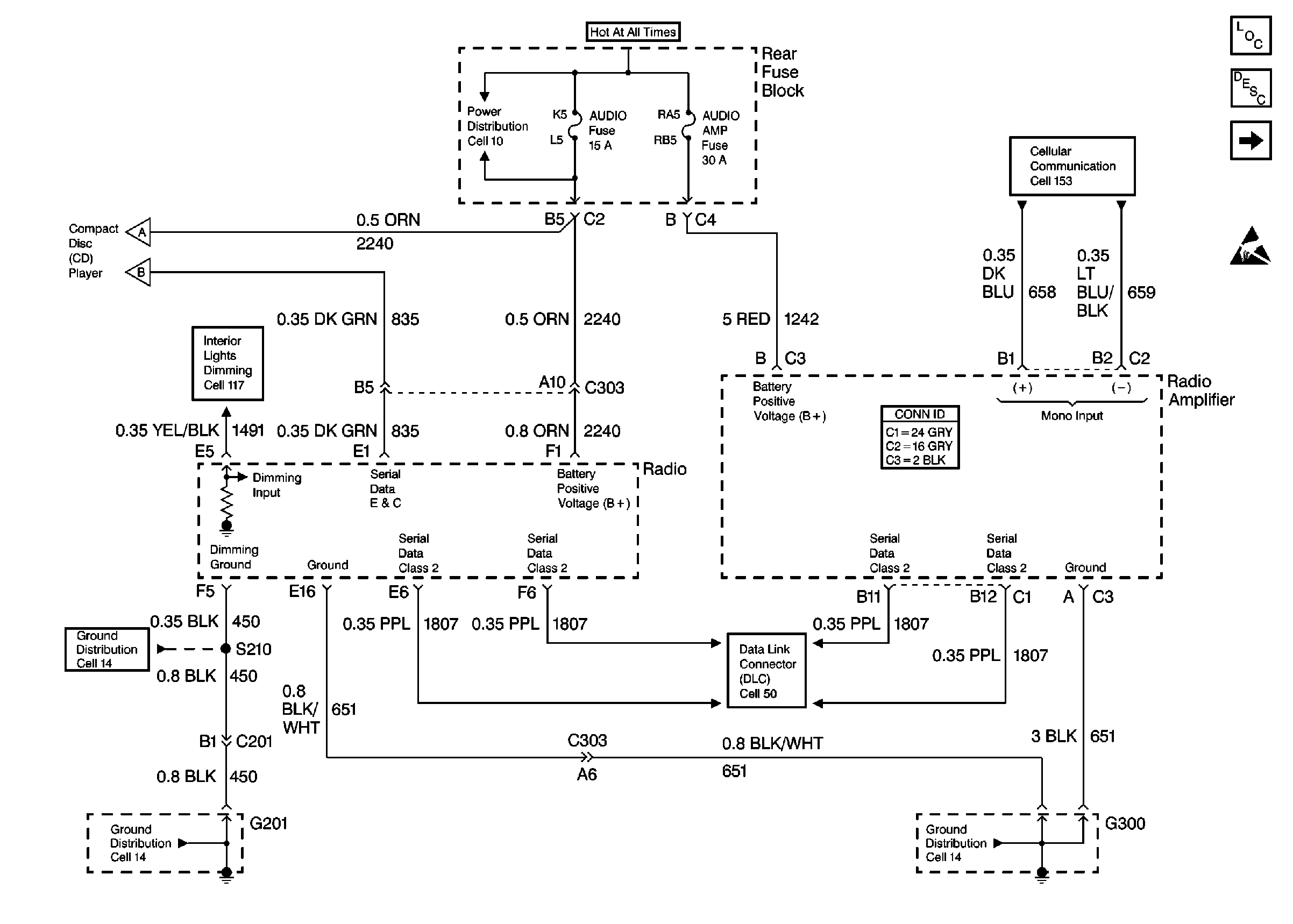
Figure 2:

Cell 150: Compact Disc (CD) Player (w/UX8)


Object Number: 385862  Size: FS
Entertainment Components
Radio/Audio System Circuit Description
Cell 150: Radio Amplifier (w/UX8)
Cell 150: Power and Ground (w/UX8)
Handling ESD Sensitive Parts Notice
Cell 150: Power and Ground (w/UX8)
Cell 150: Power and Ground (w/UX8)
Cell 14: G300
Cell 14: G300
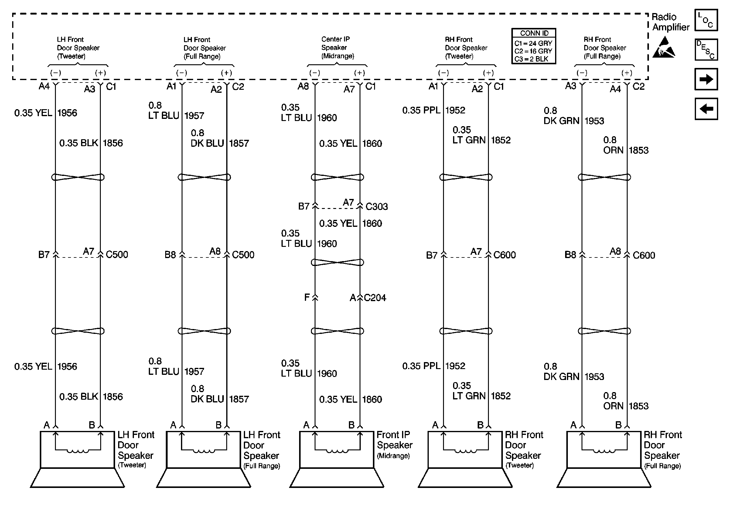
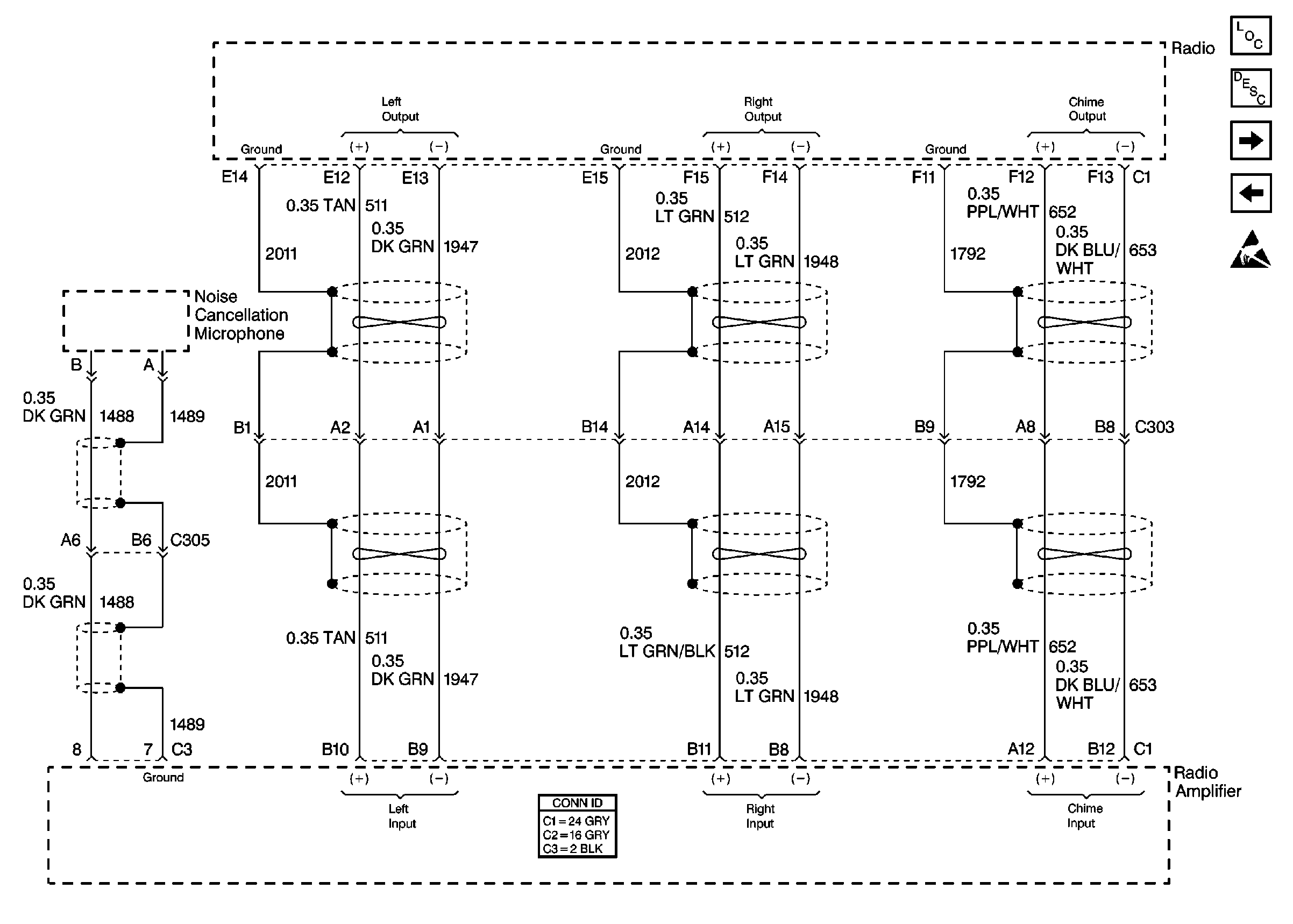
Figure 3:

Cell 150: Radio Amplifier (w/UX8)


Object Number: 385867  Size: FS
Entertainment Components
Radio/Audio System Circuit Description
Cell 150: Front Speakers (w/UX8)
Cell 150: Compact Disc (CD) Player (w/UX8)
Handling ESD Sensitive Parts Notice
Figure 4:

Cell 150: Front Speakers (w/UX8)


Object Number: 385872  Size: FS
Entertainment Components
Radio/Audio System Circuit Description
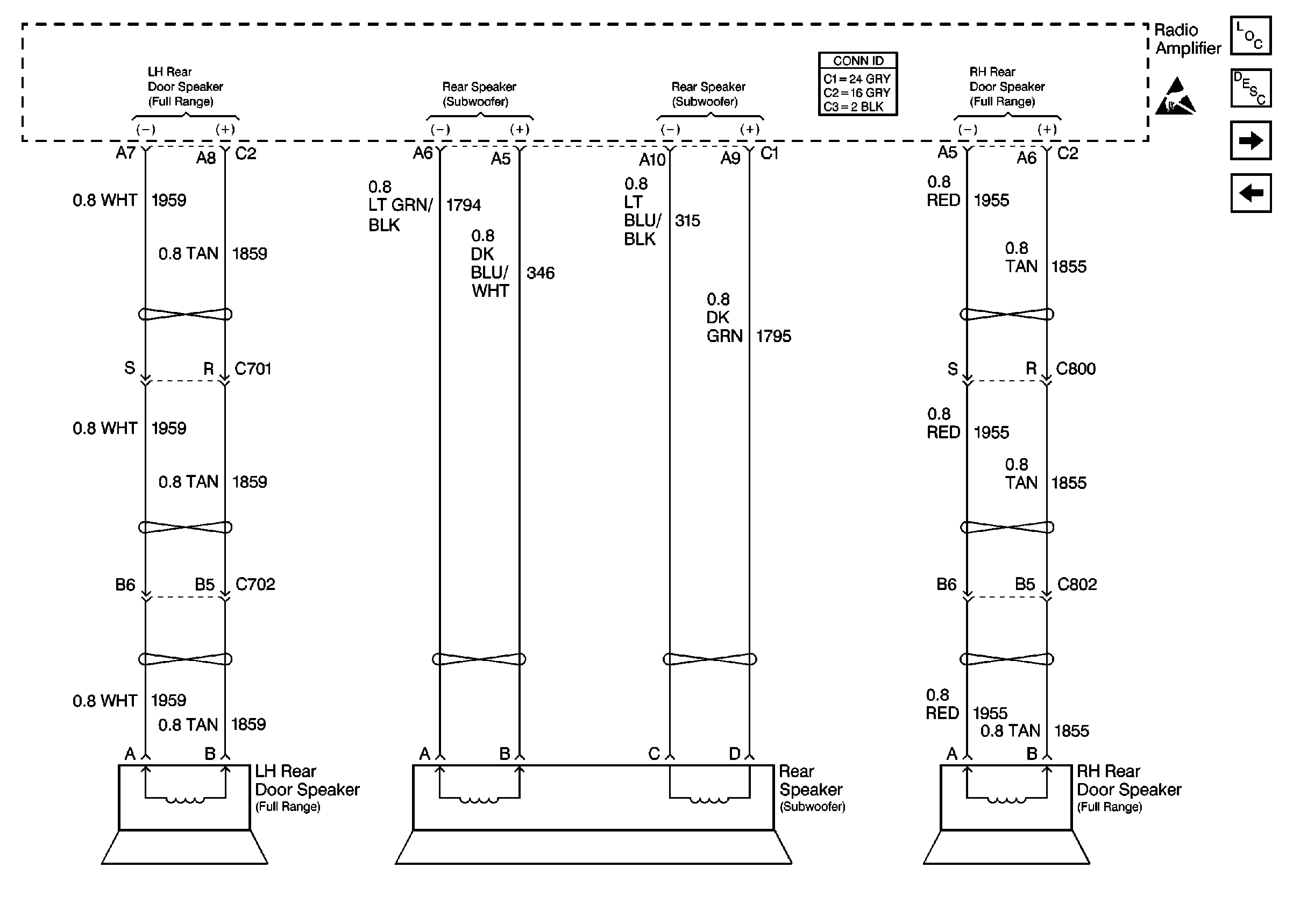
Cell 150: Rear Speakers (w/UX8)
Cell 150: Radio Amplifier (w/UX8)
Handling ESD Sensitive Parts Notice
Figure 5:

Cell 150: Rear Speakers (w/UX8)


Object Number: 385881  Size: FS
Entertainment Components
Radio/Audio System Circuit Description
Cell 150: Power and Ground (w/UX9)
Cell 150: Front Speakers (w/UX8)
Handling ESD Sensitive Parts Notice
Figure 6:

Cell 150: Power and Ground (w/UX9)


Object Number: 385888  Size: FS
Entertainment Components
Radio/Audio System Circuit Description
Cell 150: Compact Disc (CD) Player (w/UX9)
Cell 150: Rear Speakers (w/UX8)
Handling ESD Sensitive Parts Notice
Cell 150: Compact Disc (CD) Player (w/UX9)
Cell 10: AUDIO, AUDIO AMP and DIM Fuses
Cell 153: Handset and Radio Amplifier
Cell 50: Class Serial Data Line (1 of 2)
Cell 14: G300
Cell 14: G201 (2 of 3)
Cell 14: G201 (2 of 3)
Cell 117: Instrument Panel Dimming
Figure 7:

Cell 150: Compact Disc (CD) Player (w/UX9)


Object Number: 385895  Size: FS
Entertainment Components
Radio/Audio System Circuit Description
Cell 150: Radio Amplifier (w/UX9)
Cell 150: Power and Ground (w/UX9)
Handling ESD Sensitive Parts Notice
Cell 150: Power and Ground (w/UX9)
Cell 150: Power and Ground (w/UX9)
Cell 14: G300
Cell 14: G300
Figure 8:

Cell 150: Radio Amplifier (w/UX9)


Object Number: 385867  Size: FS
Entertainment Components
Radio/Audio System Circuit Description
Cell 150: Speakers (w/UX9)
Cell 150: Compact Disc (CD) Player (w/UX9)
Handling ESD Sensitive Parts Notice
Figure 9:

Cell 150: Speakers (w/UX9)


Object Number: 385902  Size: FS
Entertainment Components
Radio/Audio System Circuit Description
Cell 150: Power and Ground (w/UY4)
Cell 150: Radio Amplifier (w/UX9)
Handling ESD Sensitive Parts Notice
Figure 10:

Cell 150: Power and Ground (w/UY4)


Object Number: 385908  Size: FS
Entertainment Components
Radio/Audio System Circuit Description
Cell 150: Compact Disc (CD) Player (w/UY4)
Cell 150: Speakers (w/UX9)
Handling ESD Sensitive Parts Notice
Cell 150: Compact Disc (CD) Player (w/UY4)
Cell 10: AUDIO, AUDIO AMP and DIM Fuses
Cell 153: Handset and Radio Amplifier
Cell 50: Class Serial Data Line (1 of 2)
Cell 14: G300
Cell 14: G201 (2 of 3)
Cell 14: G201 (2 of 3)
Cell 117: Instrument Panel Dimming
Figure 11:

Cell 150: Compact Disc (CD) Player (w/UY4)


Object Number: 385915  Size: FS
Entertainment Components
Radio/Audio System Circuit Description
Cell 150: Radio Amplifier (w/UY4)
Cell 150: Power and Ground (w/UY4)
Handling ESD Sensitive Parts Notice
Cell 150: Power and Ground (w/UY4)
Cell 150: Power and Ground (w/UY4)
Cell 14: G300
Cell 14: G300
Figure 12:

Cell 150: Radio Amplifier (w/UY4)


Object Number: 385923  Size: FS
Entertainment Components
Radio/Audio System Circuit Description
Cell 150: Speakers (w/UY4)
Cell 150: Compact Disc (CD) Player (w/UY4)
Handling ESD Sensitive Parts Notice
Figure 13:

Cell 150: Speakers (w/UY4)


Object Number: 385902  Size: FS
Entertainment Components
Radio/Audio System Circuit Description
Cell 150: Radio Amplifier (w/UY4)
Cell 150:
Handling ESD Sensitive Parts Notice