GM Service Manual Online
For 1990-2009 cars only
Makes
🢒
Cadillac
🢒
1999
🢒
Seville
🢒
Body and Accessories
🢒
Instrument Panel, Gauges, and Console
🢒 Audible Warnings Schematics
Figure
1:
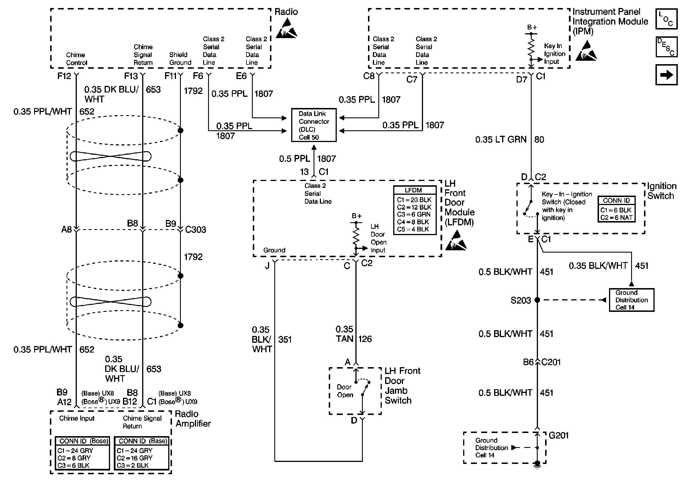
Cell 76: Radio Output, Door and Ignition Switches
Audible Warnings Components
Audible Warnings Description
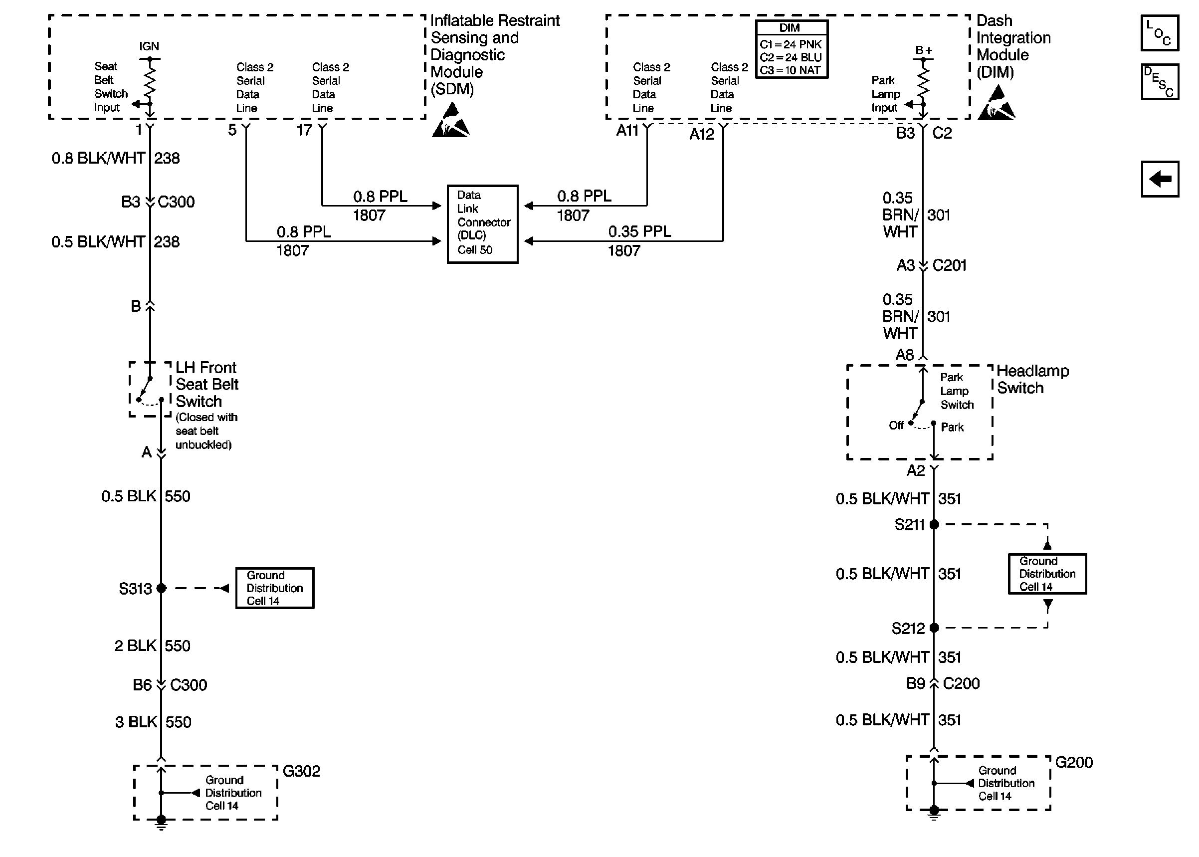
Cell 76: Seat Belt and Headlamp Switches
Handling ESD Sensitive Parts Notice
Handling ESD Sensitive Parts Notice
Handling ESD Sensitive Parts Notice
Ground Distribution Schematics
Ground Distribution Schematics
Data Link Connector Schematics
Figure
2:
Cell 76: Seat Belt and Headlamp Switches
Audible Warnings Components
Audible Warnings Description
Cell 76: Radio Output, Door and Ignition Switches
Handling ESD Sensitive Parts Notice
Handling ESD Sensitive Parts Notice
Ground Distribution Schematics
Ground Distribution Schematics
Ground Distribution Schematics
Ground Distribution Schematics
Data Link Connector Schematics