GM Service Manual Online
For 1990-2009 cars only
Makes
🢒
Cadillac
🢒
1999
🢒
Seville
🢒
Body and Accessories
🢒
Keyless Entry
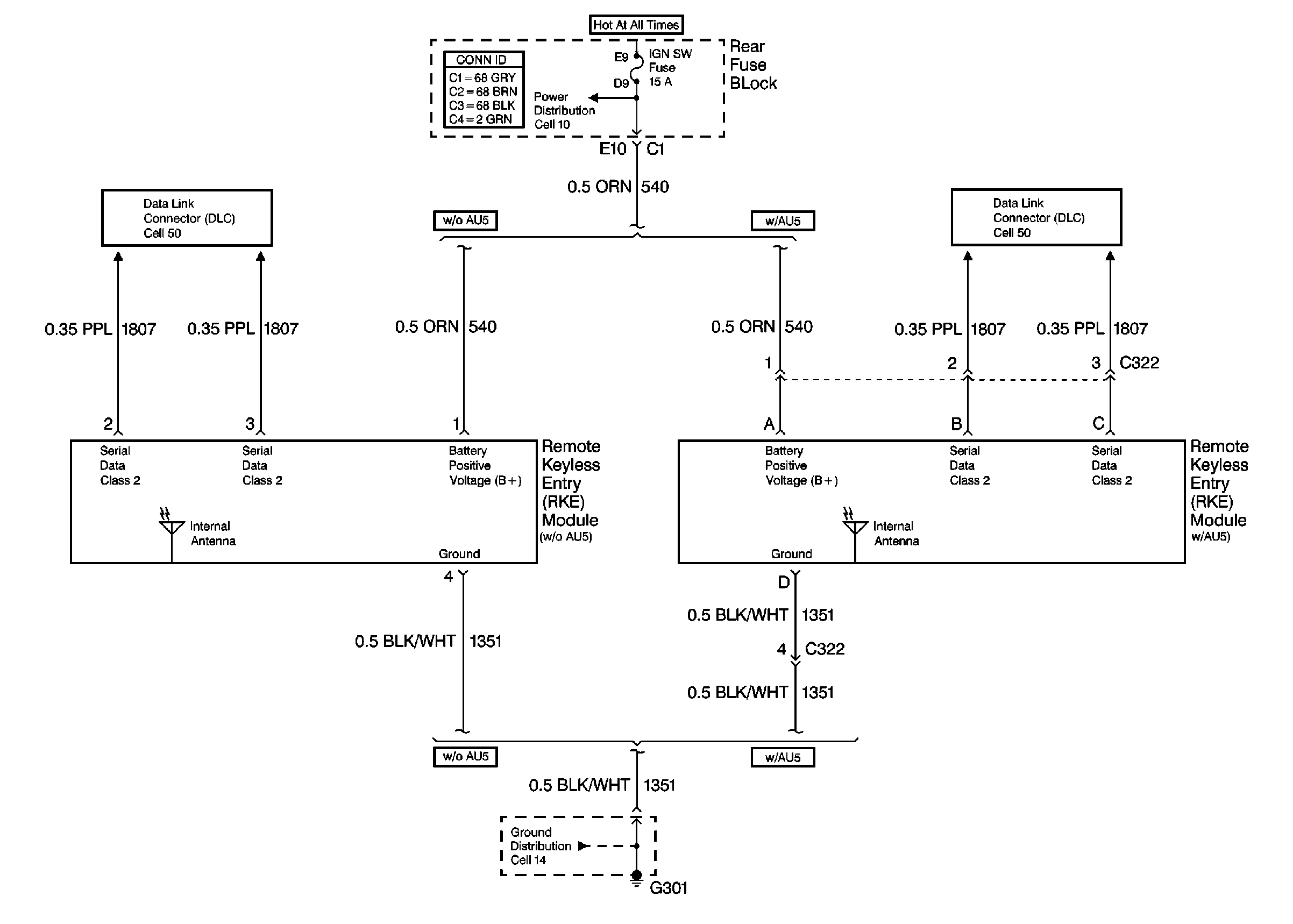
🢒 Keyless Entry Schematics
Cell 132
Keyless Entry Components
Keyless Entry System Circuit Description
Data Link Connector Schematics
Data Link Connector Schematics
Cell 10: IGN, SW, HTDST LR, HTDST RR, and HTDST RF Fuses
Cell 14: G301