GM Service Manual Online
For 1990-2009 cars only
Makes
🢒
Cadillac
🢒
1999
🢒
Seville
🢒
Body and Accessories
🢒
Roof
🢒 Sunroof Schematics
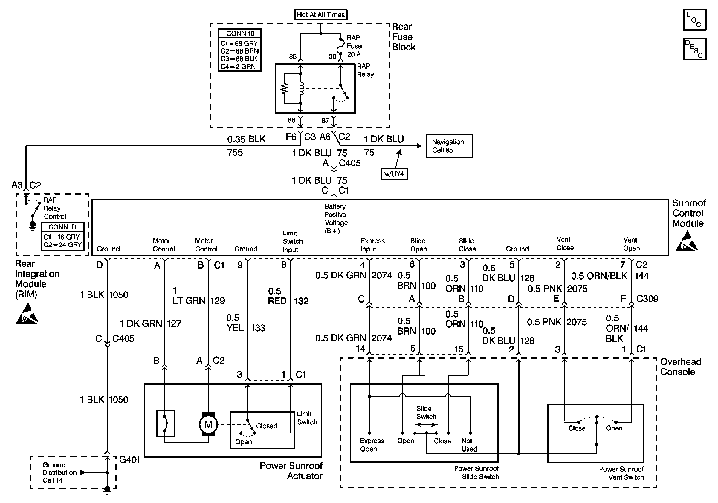
Cell 122: Power, Grounds, and Components
Power Roof Systems Components
Power Sunroof Circuit Description
Instrument Cluster: Analog Schematics
Ground Distribution Schematics
Handling ESD Sensitive Parts Notice
Handling ESD Sensitive Parts Notice